AIRBAG SYSTEM, Diagnostic DTC:B1825/56, B1826/56, B1827/56, B1828/56

DTC Code DTC Name
B1825/56 Short in Side Squib LH Circuit
B1826/56 Open in Side Squib LH Circuit
B1827/56 Short to GND in Side Squib LH Circuit
B1828/56 Short to B+ in Side Squib LH Circuit

DESCRIPTION

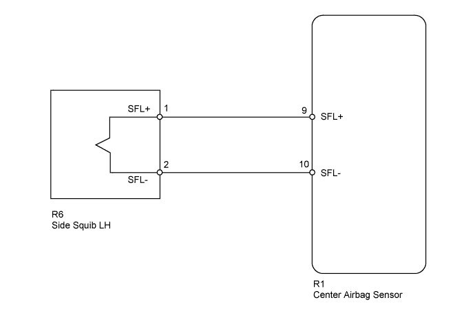
The side squib LH circuit consists of the center airbag sensor and front seat airbag LH.

The circuit instructs the SRS to deploy when deployment conditions are met.

These DTCs are stored when a malfunction is detected in the side squib LH circuit.

DTC Code DTC Detection Condition Trouble Area
B1825/56

One of the following conditions is met:


  • The center airbag sensor detects a line short circuit signal 5 times in the side squib LH circuit during the primary check.

  • A side squib LH malfunction.

  • A center airbag sensor malfunction.


  • No. 2 floor wire

  • Front seat airbag assembly LH (Side squib LH)

  • Center airbag sensor assembly

B1826/56

One of the following conditions is met:


  • The center airbag sensor detects open circuit signal in the side squib LH circuit for 2 seconds.

  • A side squib LH malfunction.

  • A center airbag sensor malfunction.


  • No. 2 floor wire

  • Front seat airbag assembly LH (Side squib LH)

  • Center airbag sensor assembly

B1827/56

One of the following conditions is met:


  • The center airbag sensor detects a short circuit to ground signal in the side squib LH circuit for 0.5 seconds.

  • A side squib LH malfunction.

  • A center airbag sensor malfunction.


  • No. 2 floor wire

  • Front seat airbag assembly LH (Side squib LH)

  • Center airbag sensor assembly

B1828/56

One of the following conditions is met:


  • The center airbag sensor detects a short circuit to B+ signal in the side squib LH circuit for 0.5 seconds.

  • A side squib LH malfunction.

  • A center airbag sensor malfunction.


  • No. 2 floor wire

  • Front seat airbag assembly LH (Side squib LH)

  • Center airbag sensor assembly

WIRING DIAGRAM

A01DSJYE27

INSPECTION PROCEDURE

Note


  • After turning the ignition switch off, waiting time may be required before disconnecting the cable from the battery terminal. Therefore, make sure to read the disconnecting the cable from the battery terminal notice before proceeding with work Click here.

  • When disconnecting the cable from the negative (-) battery terminal while performing repairs, some systems need to be initialized after the cable is reconnected Click here.

Tech Tips

To perform the simulation method, enter check mode (signal check) with the intelligent tester Click here, and then wiggle each connector of the airbag system or drive the vehicle on various types of road Click here.

PROCEDURE


  1. CHECK FRONT SEAT AIRBAG ASSEMBLY LH (SIDE SQUIB LH)


    1. A01DNALE01
      Text in Illustration
      *1 Side Squib LH
      *2 Center Airbag Sensor
      *3 Connector C
      *4 SST
      *a

      Front view of wire harness connector

      (to Side Squib LH)

      *b Color: Red

      Turn the ignition switch off.

    2. Disconnect the cable from the negative (-) battery terminal, and wait for at least 90 seconds.

    3. Disconnect the connector from the front seat airbag LH.

    4. Connect the red wire side of SST (resistance: 2.1 Ω) to connector C.

      CAUTION:

      Never connect the tester to the front seat airbag LH (side squib LH) for measurement, as this may lead to a serious injury due to airbag deployment.

      Note


      • Do not forcibly insert SST into the terminals of the connector when connecting SST.

      • Insert SST straight into the terminals of the connector.

      SST
      09843-18061
    5. Connect the cable to the negative (-) battery terminal, and wait for at least 2 seconds.

    6. Turn the ignition switch to ON, and wait for at least 60 seconds.

    7. Clear the DTCs Click here.

    8. Turn the ignition switch off.

    9. Turn the ignition switch to ON, and wait for at least 60 seconds.

    10. Check for DTCs Click here.

      OK
      DTC B1825, B1826, B1827 or B1828 is not output.

      Tech Tips

      Codes other than DTC B1825, B1826, B1827 and B1828 may be output at this time, but they are not related to this check.


    NG
    OK
  2. CHECK NO. 2 FLOOR WIRE (SIDE SQUIB LH CIRCUIT)


    1. A01DMT6E01
      Text in Illustration
      *1 Side Squib LH
      *2 No. 2 Floor Wire
      *3 Center Airbag Sensor
      *4 Connector C
      *a

      Front view of wire harness connector

      (to Side Squib LH)

      Turn the ignition switch off.

    2. Disconnect the cable from the negative (-) battery terminal, and wait for at least 90 seconds.

    3. Disconnect SST from connector C.

    4. Disconnect the connectors from the center airbag sensor.

    5. Connect the cable to the negative (-) battery terminal, and wait for at least 2 seconds.

    6. Measure the voltage according to the value(s) in the table below.

      Standard Voltage
      Tester Connection Switch Condition Specified Condition
      R6-1 (SFL+) - Body ground Ignition switch ON Below 1 V
      R6-2 (SFL-) - Body ground Ignition switch ON Below 1 V
    7. Turn the ignition switch off.

    8. Disconnect the cable from the negative (-) battery terminal, and wait for at least 90 seconds.

    9. Measure the resistance according to the value(s) in the table below.

      Standard Resistance
      Tester Connection Condition Specified Condition
      R6-1 (SFL+) - R6-2 (SFL-) Always Below 1 Ω
    10. Release the activation prevention mechanism built into connector B Click here.

    11. Measure the resistance according to the value(s) in the table below.

      Standard Resistance
      Tester Connection Condition Specified Condition
      R6-1 (SFL+) - R6-2 (SFL-) Always 1 MΩ or higher
      R6-1 (SFL+) - Body ground Always 1 MΩ or higher
      R6-2 (SFL-) - Body ground Always 1 MΩ or higher

    NG
    OK
  3. CHECK CENTER AIRBAG SENSOR


    1. A01DOWZE02
      Text in Illustration
      *1 Side Squib LH
      *2 Center Airbag Sensor

      Connect the connectors to the front seat airbag LH and center airbag sensor.

    2. Connect the cable to the negative (-) battery terminal, and wait for at least 2 seconds.

    3. Turn the ignition switch to ON, and wait for at least 60 seconds.

    4. Clear the DTCs Click here.

    5. Turn the ignition switch off.

    6. Turn the ignition switch to ON, and wait for at least 60 seconds.

    7. Check for DTCs Click here.

      OK
      DTC B1825, B1826, B1827 or B1828 is not output.

      Tech Tips

      Codes other than DTC B1825, B1826, B1827 and B1828 may be output at this time, but they are not related to this check.


    NG
    OK