Click here

AIRBAG SYSTEM, Diagnostic DTC:B1655/37

Click here
Click here Click here
DTC Code DTC Name
B1655/37 Driver Side Seat Belt Buckle Switch Circuit Malfunction
Click here

DESCRIPTION

The seat belt buckle switch LH or RH circuit consists of the center airbag sensor and front seat inner belt LH or RH.

DTC B1655/37 is stored when a malfunction is detected in the seat belt buckle switch LH or RH circuit.

DTC Code DTC Detection Condition Trouble Area
B1655/37

One of the following conditions is met:


  • The center airbag sensor detects a line short circuit signal, open circuit signal, short circuit to ground signal or short circuit to B+ signal in the seat belt buckle switch circuit for 2 seconds.

  • A front seat inner belt malfunction.

  • A center airbag sensor malfunction.


  • No. 2 floor wire

  • Front seat inner belt assembly LH (Seat belt buckle switch LH) (for LHD)

  • Front seat inner belt assembly RH (Seat belt buckle switch RH) (for RHD)

  • Center airbag sensor assembly

A01DQ0OE06
Click here

WIRING DIAGRAM

Click here

INSPECTION PROCEDURE

Note:
  • After turning the ignition switch off, waiting time may be required before disconnecting the cable from the battery terminal. Therefore, make sure to read the disconnecting the cable from the battery terminal notice before proceeding with work (Click here).

  • When disconnecting the cable from the negative (-) battery terminal while performing repairs, some systems need to be initialized after the cable is reconnected (Click here).

Click here

PROCEDURE


  1. Click here

    CHECK VEHICLE TYPE


    1. Check vehicle type.

      Table 1. Result
      Result Proceed to
      for RHD A
      for LHD B

  2. Click here

    CHECK FOR DTC


    1. Turn the ignition switch to ON.

    2. Clear the DTCs (Click here).

    3. Turn the ignition switch off.

    4. Turn the ignition switch to ON, and wait for at least 60 seconds.

    5. Check for DTCs (Click here).

      OK
      DTC B1655 is not output.
      Tip:

      Codes other than DTC B1655 may be output at this time, but they are not related to this check.


  3. Click here

    CHECK CONNECTION OF CONNECTORS


    1. Turn the ignition switch off.

    2. Disconnect the cable from the negative (-) battery terminal, and wait for at least 90 seconds.

    3. Check that the connectors are properly connected to the center airbag sensor and front seat inner belt LH.

      OK
      The connectors are properly connected.

  4. Click here

    CHECK CONNECTORS


    1. Disconnect the connectors from the center airbag sensor and front seat inner belt LH.

    2. A01DMXTE01

      Check that the connectors (on the center airbag sensor side and front seat inner belt LH side) are not damaged.

      OK
      The connectors are not deformed or damaged.
      Table 2. Text in Illustration
      *1 Front Seat Inner Belt LH
      *2 Center Airbag Sensor

  5. Click here

    CHECK NO. 2 FLOOR WIRE (CENTER AIRBAG SENSOR - FRONT SEAT INNER BELT LH)


    1. A01DNLBE08

      Connect the cable to the negative (-) battery terminal, and wait for at least 2 seconds.

      Table 3. Text in Illustration
      *1 Front Seat Inner Belt LH *2 Center Airbag Sensor
      *3 No. 2 Floor Wire *4 Connector C
      *5 Connector B - -
      *a

      Front view of wire harness connector

      (to Front Seat Inner Belt LH)

      *b

      Rear view of wire harness connector

      (to Center Airbag Sensor)

    2. Measure the voltage according to the value(s) in the table below.

      Standard Voltage
      Tester Connection Switch Condition Specified Condition
      R10-2 (LBE+) - Body ground Ignition switch ON Below 1 V
      R10-1 (LBE-) - Body ground Ignition switch ON Below 1 V
    3. Turn the ignition switch off.

    4. Disconnect the cable from the negative (-) battery terminal, and wait for at least 90 seconds.

    5. Measure the resistance according to the value(s) in the table below.

      Standard Resistance
      Tester Connection Condition Specified Condition
      R10-2 (LBE+) - R1-11 (DBE+) Always Below 1 Ω
      R10-1 (LBE-) - R1-12 (DBE-) Always Below 1 Ω
      R10-2 (LBE+) - Body ground Always 1 MΩ or higher
      R10-1 (LBE-) - Body ground Always 1 MΩ or higher

  6. Click here

    CHECK FRONT SEAT INNER BELT LH (SEAT BELT BUCKLE SWITCH)


    1. A01DSNXE01

      Connect the connectors to the center airbag sensor and front seat inner belt LH.

    2. Connect the cable to the negative (-) battery terminal, and wait for at least 2 seconds.

    3. Turn the ignition switch to ON, and wait for at least 60 seconds.

    4. Clear the DTCs (Click here).

    5. Turn the ignition switch off.

    6. Turn the ignition switch to ON, and wait for at least 60 seconds.

    7. Check for DTCs (Click here).

      OK
      DTC B1655 is not output.
      Tip:

      Codes other than DTC B1655 may be output at this time, but they are not related to this check.

      Table 4. Text in Illustration
      *1 Front Seat Inner Belt LH
      *2 Center Airbag Sensor

  7. Click here

    REPLACE FRONT SEAT INNER BELT ASSEMBLY LH


    1. Turn the ignition switch off.

    2. Disconnect the cable from the negative (-) battery terminal, and wait for at least 90 seconds.

    3. Replace the front seat inner belt LH (Click here).

      Tip:

      Perform the inspection using parts from a normally functioning vehicle if possible.


  8. Click here

    CHECK CENTER AIRBAG SENSOR


    1. A01DSNXE01

      Connect the cable to the negative (-) battery terminal, and wait for at least 2 seconds.

    2. Turn the ignition switch to ON, and wait for at least 60 seconds.

    3. Clear the DTCs (Click here).

    4. Turn the ignition switch off.

    5. Turn the ignition switch to ON, and wait for at least 60 seconds.

    6. Check for DTCs (Click here).

      OK
      DTC B1655 is not output.
      Tip:

      Codes other than DTC B1655 may be output at this time, but they are not related to this check.

      Table 5. Text in Illustration
      *1 Front Seat Inner Belt LH
      *2 Center Airbag Sensor

  9. Click here

    USE SIMULATION METHOD TO CHECKClick here

  10. Click here

    CONNECT CONNECTORS PROPERLY

  11. Click here

    REPLACE NO. 2 FLOOR WIRE

  12. Click here

    REPLACE NO. 2 FLOOR WIRE

  13. Click here

    USE SIMULATION METHOD TO CHECKClick here

  14. Click here

    REPLACE CENTER AIRBAG SENSOR ASSEMBLYClick here

  15. Click here

    REPLACE FRONT SEAT INNER BELT ASSEMBLY LHClick here

  16. Click here

    CHECK FOR DTC


    1. Turn the ignition switch to ON.

    2. Clear the DTCs (Click here).

    3. Turn the ignition switch off.

    4. Turn the ignition switch to ON, and wait for at least 60 seconds.

    5. Check for DTCs (Click here).

      OK
      DTC B1655 is not output.
      Tip:

      Codes other than DTC B1655 may be output at this time, but they are not related to this check.


  17. Click here

    CHECK CONNECTION OF CONNECTORS


    1. Turn the ignition switch off.

    2. Disconnect the cable from the negative (-) battery terminal, and wait for at least 90 seconds.

    3. Check that the connectors are properly connected to the center airbag sensor and front seat inner belt RH.

      OK
      The connectors are properly connected.

  18. Click here

    CHECK CONNECTORS


    1. Disconnect the connectors from the center airbag sensor and front seat inner belt RH.

    2. A01DMXTE01

      Check that the connectors (on the center airbag sensor side and front seat inner belt RH side) are not damaged.

      OK
      The connectors are not deformed or damaged.
      Table 6. Text in Illustration
      *1 Front Seat Inner Belt RH
      *2 Center Airbag Sensor

  19. Click here

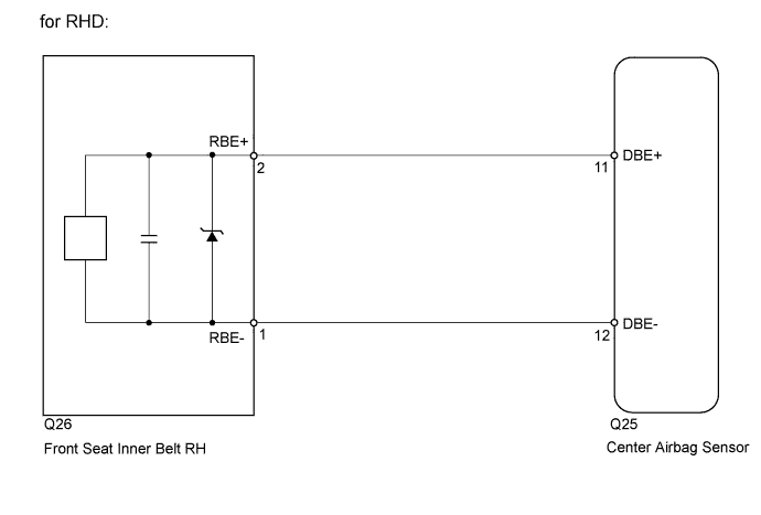
    CHECK NO. 2 FLOOR WIRE (CENTER AIRBAG SENSOR - FRONT SEAT INNER BELT RH)


    1. A01DNLBE09

      Connect the cable to the negative (-) battery terminal, and wait for at least 2 seconds.

      Table 7. Text in Illustration
      *1 Front Seat Inner Belt RH *2 Center Airbag Sensor
      *3 No. 2 Floor Wire *4 Connector C
      *5 Connector B - -
      *a

      Front view of wire harness connector

      (to Front Seat Inner Belt RH)

      *b

      Rear view of wire harness connector

      (to Center Airbag Sensor)

    2. Measure the voltage according to the value(s) in the table below.

      Standard Voltage
      Tester Connection Switch Condition Specified Condition
      Q26-2 (RBE+) - Body ground Ignition switch ON Below 1 V
      Q26-1 (RBE-) - Body ground Ignition switch ON Below 1 V
    3. Turn the ignition switch off.

    4. Disconnect the cable from the negative (-) battery terminal, and wait for at least 90 seconds.

    5. Measure the resistance according to the value(s) in the table below.

      Standard Resistance
      Tester Connection Condition Specified Condition
      Q26-2 (RBE+) - Q25-11 (DBE+) Always Below 1 Ω
      Q26-1 (RBE-) - Q25-12 (DBE-) Always Below 1 Ω
      Q26-2 (RBE+) - Body ground Always 1 MΩ or higher
      Q26-1 (RBE-) - Body ground Always 1 MΩ or higher

  20. Click here

    CHECK FRONT SEAT INNER BELT RH (SEAT BELT BUCKLE SWITCH)


    1. A01DSNXE01

      Connect the connectors to the center airbag sensor and front seat inner belt LH.

    2. Connect the cable to the negative (-) battery terminal, and wait for at least 2 seconds.

    3. Turn the ignition switch to ON, and wait for at least 60 seconds.

    4. Clear the DTCs (Click here).

    5. Turn the ignition switch off.

    6. Turn the ignition switch to ON, and wait for at least 60 seconds.

    7. Check for DTCs (Click here).

      OK
      DTC B1655 is not output.
      Tip:

      Codes other than DTC B1655 may be output at this time, but they are not related to this check.

      Table 8. Text in Illustration
      *1 Front Seat Inner Belt LH
      *2 Center Airbag Sensor

  21. Click here

    REPLACE FRONT SEAT INNER BELT ASSEMBLY RH


    1. Turn the ignition switch off.

    2. Disconnect the cable from the negative (-) battery terminal, and wait for at least 90 seconds.

    3. Replace the front seat inner belt LH (Click here).

      Tip:

      Perform the inspection using parts from a normally functioning vehicle if possible.


  22. Click here

    CHECK CENTER AIRBAG SENSOR


    1. A01DSNXE01

      Connect the cable to the negative (-) battery terminal, and wait for at least 2 seconds.

    2. Turn the ignition switch to ON, and wait for at least 60 seconds.

    3. Clear the DTCs (Click here).

    4. Turn the ignition switch off.

    5. Turn the ignition switch to ON, and wait for at least 60 seconds.

    6. Check for DTCs (Click here).

      OK
      DTC B1655 is not output.
      Tip:

      Codes other than DTC B1655 may be output at this time, but they are not related to this check.

      Table 9. Text in Illustration
      *1 Front Seat Inner Belt RH
      *2 Center Airbag Sensor

  23. Click here

    USE SIMULATION METHOD TO CHECKClick here

  24. Click here

    CONNECT CONNECTORS PROPERLY

  25. Click here

    REPLACE NO. 2 FLOOR WIRE

  26. Click here

    REPLACE NO. 2 FLOOR WIRE

  27. Click here

    USE SIMULATION METHOD TO CHECKClick here

  28. Click here

    REPLACE CENTER AIRBAG SENSOR ASSEMBLYClick here

  29. Click here

    REPLACE FRONT SEAT INNER BELT ASSEMBLY RHClick here