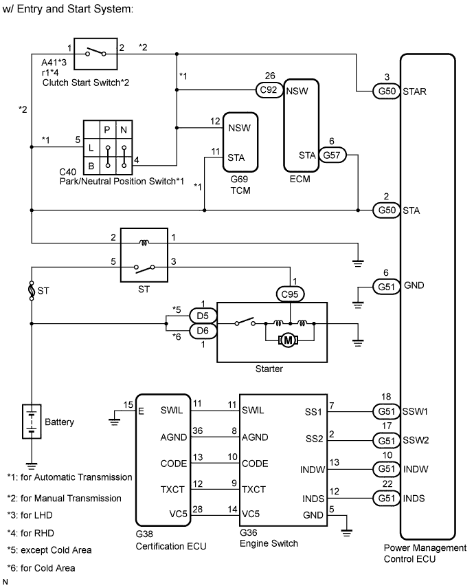
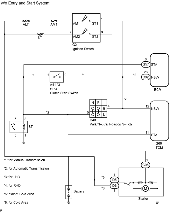
STARTING SYSTEM SYSTEM DIAGRAM

A01DTF7E04
A01DMM2E04