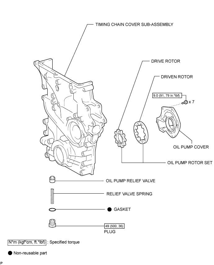
OIL PUMP COMPONENTS

ILLUSTRATION

A01DRJ0E01

ILLUSTRATION

A01DN7KE01

ILLUSTRATION

A01DOH1E01

ILLUSTRATION

A01DRUOE03