WATER PUMP (w/o DPF) INSTALLATION


  1. INSTALL ENGINE WATER PUMP ASSEMBLY


    1. Temporarily install a new gasket and the water pump assembly without cover to the water pump cover with the bolt.

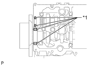
    2. Temporarily install a new gasket and the engine water pump assembly to the cylinder block sub-assembly with the 2 nuts and 5 bolts.

    3. A01DP9IE03
      Text in Illustration
      *1 Nut

      Fully tighten the 5 bolts A and the 2 nuts.

      Torque:
      13 N*m  { 133 kgf*cm, 10 ft.*lbf }
    4. Fully tighten the bolt B.

      Torque:
      9.1 N*m  { 93 kgf*cm, 81 in.*lbf }
  2. INSTALL CYLINDER BLOCK INSULATOR


    1. Install the cylinder block insulator to the cylinder head.

  3. INSTALL NO. 2 TIMING BELT COVER


    1. A01DQJWE02
      Text in Illustration
      *1 Seal Packing

      Apply seal packing (FIPG) to the specified areas shown in the illustration.

      Seal packing
      Toyota Genuine Seal Packing Black, Three Bond 1207B or equivalent

      Note

      After applying seal packing, install the No. 2 timing belt cover within 3 minutes and tighten the bolts and nut within 15 minutes.

    2. Install the No. 2 timing belt cover with the 4 bolts and nut.

      Torque:
      10 N*m  { 102 kgf*cm, 7 ft.*lbf }
  4. INSTALL NO. 1 TIMING BELT IDLER SUB-ASSEMBLY


    1. Using a 10 mm hexagon wrench, install a new washer and the No. 1 timing belt idler with the bolt.

      Torque:
      35 N*m  { 357 kgf*cm, 26 ft.*lbf }
    2. Check that the idler pulley moves smoothly.

      If the idler pulley does not move smoothly, check the installation condition of the idler and washer.

  5. INSTALL CAMSHAFT TIMING PULLEY


    1. Install the camshaft timing pulley.

    2. Install the bolt of the camshaft timing pulley while holding the camshaft with a wrench.

      Torque:
      98 N*m  { 1000 kgf*cm, 72 ft.*lbf }
  6. INSTALL TIMING BELT


    1. A01DQ3RE05
      Text in Illustration
      *1 Timing Mark

      Check that the timing marks are aligned as shown in the illustration.

      Tech Tips

      If reusing the timing belt, align the points marked during removal, and install the belt with the arrow pointing in the direction of crankshaft revolution.

      Note


      • Make sure that the engine is cold.

      • When turning the crankshaft, the valve heads will hit against the piston. Do not turn the crankshaft more than necessary.

    2. Install the timing belt to the pump drive shaft pulley, camshaft timing pulley and No. 1 timing belt idler in sequence.

    3. A01DPXAE01

      Place the tensioner upright. Then set a press on the top of the tensioner.

      Note


      • Do not scratch or deform the rod end.

      • Press in the tensioner rod.

      • Protect the tip of the push rod with a cloth in order to prevent damage.

    4. Using the press, slowly push in the push rod using 981 to 9807 N (100 to 1000 kgf, 220 to 2205 lbf) of force.

      Note

      Do not apply a load of over 9807 N (1000 kgf, 2205 lbf) to the push rod.

    5. Align the holes of the push rod and housing. Then pass a 1.5 mm hexagon wrench through the holes to fix the push rod in place.

    6. Temporarily install the timing belt tensioner with the 2 bolts while pushing the idler pulley toward the timing belt.

    7. Tighten the 2 bolts.

      Torque:
      13 N*m  { 133 kgf*cm, 10 ft.*lbf }

      Note

      Uniformly tighten the 2 bolts.

    8. A01DTCCE01

      Remove the 1.5 mm hexagon wrench from the tensioner.

    9. A01DT33E05
      Text in Illustration
      *1 Timing Mark

      Turn the crankshaft clockwise 720° and check that the timing marks are aligned as shown in the illustration.

  7. INSTALL NO. 1 TIMING BELT COVER


    1. Install the timing belt cover and 6 washers with the 6 bolts.

      Torque:
      6.0 N*m  { 61 kgf*cm, 53 in.*lbf }
  8. INSTALL CYLINDER HEAD COVER SUB-ASSEMBLY


    1. A01DQ7HE01
      Text in Illustration
      *1 No. 3 Cylinder Head Cover Gasket
      *2 Cylinder Head Cover

      Install 4 new No. 3 cylinder head cover gaskets to the cylinder head cover in the directions shown in the illustration.

      Note


      • Do not install the No. 3 cylinder head cover gaskets at an angle.

      • Check that there is no foreign matter at the installation location of the No. 3 cylinder head cover gaskets.

    2. Remove any old seal packing (FIPG material) from the cylinder head.

    3. A01DP0AE04
      Text in Illustration
      *1 Seal Packing

      Apply seal packing to the specific areas shown in the illustration.

      Seal packing
      Toyota Genuine Seal Packing Black, Three Bond 1207B or equivalent

      Note


      • Remove any oil from the contact surface.

      • Install the head cover within 3 minutes after applying seal packing.

      • Do not start the engine for at least 2 hours after installing the seal packing.

    4. Install a new cylinder head cover gasket and the cylinder head cover with the 10 bolts and 2 nuts.

      Torque:
      9.0 N*m  { 92 kgf*cm, 80 in.*lbf }
    5. Install 4 new nozzle holder seals.

  9. INSTALL VENTILATION PIPE


    1. Connect the 2 ventilation hoses and install the ventilation pipe to the cylinder head cover to the cylinder head sub-assembly with the bolt.

      Torque:
      18 N*m  { 184 kgf*cm, 13 ft.*lbf }
    2. Type A

      Connect the No. 3 turbo water hose and No. 4 turbo water hose to the ventilation pipe, and slide the 2 clamps to secure the hose.

  10. INSTALL NO. 1 COMPRESSOR MOUNTING BRACKET


    1. Install the No. 1 compressor mounting bracket with the 5 bolts.

      Torque:
      21 N*m  { 214 kgf*cm, 15 ft.*lbf }
  11. INSTALL GENERATOR ASSEMBLY


    1. A01DT1PE01

      Install the generator with the 2 bolts.

      Torque:
      for bolt A
      62 N*m  { 632 kgf*cm, 46 ft.*lbf }
      for bolt B
      21 N*m  { 214 kgf*cm, 15 ft.*lbf }
    2. Install the generator wire with the nut.

      Torque:
      9.8 N*m  { 100 kgf*cm, 87 in.*lbf }
    3. Install the terminal cap.

    4. Connect the generator connector.

  12. INSTALL GENERATOR BRACKET


    1. Install the generator bracket with the bolts.

      Torque:
      21 N*m  { 214 kgf*cm, 15 ft.*lbf }
  13. CONNECT COMPRESSOR AND MAGNETIC CLUTCH (w/ Air Conditioning System)


    1. Connect the cooler compressor with the 4 bolts.

      Torque:
      25 N*m  { 250 kgf*cm, 18 ft.*lbf }
    2. Connect the compressor connector.

  14. INSTALL NO. 1 VISCOUS HEATER BRACKET SUB-ASSEMBLY (for Cold Area Specification Vehicles)


    1. Install the No. 1 viscous heater bracket with the 4 bolts.

      Torque:
      45 N*m  { 459 kgf*cm, 33 ft.*lbf }
  15. INSTALL VISCOUS WITH MAGNET CLUTCH HEATER ASSEMBLY (for Cold Area Specification Vehicles)


    1. Install the viscous heater with magnet clutch with the 2 bolts.

      Torque:
      45 N*m  { 459 kgf*cm, 33 ft.*lbf }
    2. Connect the water by-pass hose and water hose.

    3. Connect the viscous heater connector.

  16. INSTALL COMPRESSOR OUTLET ELBOW


    1. Install the compressor outlet elbow with the 2 bolts and tighten the hose clamp.

      Torque:
      for bolt
      20 N*m  { 204 kgf*cm, 15 ft.*lbf }
      for hose clamp
      6.5 N*m  { 66 kgf*cm, 58 in.*lbf }
    2. Install the wire harness bracket with the bolt.

      Torque:
      8.0 N*m  { 82 kgf*cm, 71 in.*lbf }
    3. Attach the 3 wire harness clamps.

  17. INSTALL AIR CLEANER CASE SUB-ASSEMBLY


    1. Install the air cleaner case sub-assembly with the 3 bolts.

      Torque:
      12 N*m  { 122 kgf*cm, 9 ft.*lbf }
  18. INSTALL AIR CLEANER FILTER ELEMENT SUB-ASSEMBLY

  19. INSTALL AIR CLEANER CAP SUB-ASSEMBLY


    1. Attach the 4 clamps to install the air cleaner cap sub-assembly.

    2. except Cold Area Specification Vehicles:

      Attach the 2 clamps and connect the mass air flow meter connector.

    3. for Cold Area Specification Vehicles:

      Attach the 3 clamps and connect the mass air flow meter connector.

  20. INSTALL NO. 1 AIR CLEANER HOSE

    A01DM6NE01
    Text in Illustration
    *1 No. 1 Air Cleaner Hose *2 Compressor Inlet Elbow
    *3 Air Cleaner Cap - -
    *a Upper Side *b Front Side of Vehicle
    *c Protrusion *d Groove

    1. Install the No. 1 air cleaner hose with the 2 hose clamps.

      Note


      • When installing the No. 1 air cleaner hose, align the protrusion of the No. 1 air cleaner hose with the protrusion of the compressor inlet elbow as shown in the illustration.

      • When installing the No. 1 air cleaner hose, align the groove of the No. 1 air cleaner hose with the protrusion of the air cleaner cap as shown in the illustration.

    2. Tighten the 2 hose clamps.

      Torque:
      5.0 N*m  { 51 kgf*cm, 44 in.*lbf }

      Note

      When tightening the 2 hose clamps, make sure that they are positioned as shown in the illustration.

  21. INSTALL FAN SHROUD


    1. Install the fan pulley to the engine water pump assembly.

    2. Install the No. 2 water by-pass hose to the water inlet.

    3. Temporarily install the shroud together with the coupling fan to the engine water pump assembly with the 4 nuts. Tighten the nuts as much as possible by hand.

    4. A01DPGD

      Attach the claws of the shroud to the radiator as shown in the illustration.

    5. Install the fan shroud to the radiator with the 2 bolts.

      Torque:
      5.0 N*m  { 51 kgf*cm, 44 in.*lbf }
    6. Install the fan and generator V belt Click here.

    7. Install the fan with fluid coupling assembly to the engine water pump assembly with the 4 nuts.

      Torque:
      23 N*m  { 235 kgf*cm, 17 ft.*lbf }
    8. Attach the No. 2 water by-pass hose to the clamp on the fan shroud.

    9. for Automatic Transmission:


      1. A01DNGRE01
        Text in Illustration
        *a RH Side
        *b 2 to 7 mm

        Connect the 2 oil cooler hoses.

        Tech Tips


        • Position the hose clamps as shown in the illustration.

        • Position the clips so that the distance from the end of hose is 2 to 7 mm (0.0787 to 0.275 in.).

      2. Attach the 2 oil cooler hoses to the clamp on the fan shroud.

    10. Connect the No. 2 water by-pass hose to the radiator reservoir.

    11. Connect the No. 1 water by-pass hose to the fan shroud and attach the 2 clamps.

    12. Install the radiator reservoir assembly with the 3 bolts.

      Torque:
      5.0 N*m  { 51 kgf*cm, 44 in.*lbf }
  22. INSTALL INTERCOOLER AIR HOSE

    Note

    Before installation, remove any oil residue from the inside of the inlet pipe and intercooler.


    1. A01DQQCE01
      Text in Illustration
      *1 Embossed Mark
      *2 Paint Mark
      *a Rear Side of Vehicle
      *b LH Side
      *c Upper

      Align the paint mark of the intercooler air hose with the embossed mark of the intake pipe.

    2. Tighten the 2 clamps.

      Torque:
      6.5 N*m  { 66 kgf*cm, 58 in.*lbf }
    3. Connect the vacuum transmitting hose.

  23. INSTALL NO. 1 AIR HOSE

    Note

    Before installation, remove any oil residue from the inside of the inlet pipe and intercooler.


    1. A01DQL2E01
      Text in Illustration
      *1 Embossed Mark
      *2 Paint Mark
      *a Rear Side of Vehicle
      *b LH Side
      *c Upper

      Align the paint mark of the intercooler air hose with the embossed mark of the intercooler.

    2. Tighten the 2 clamps.

      Torque:
      6.5 N*m  { 66 kgf*cm, 58 in.*lbf }
  24. INSTALL NO. 1 RADIATOR HOSE


    1. A01DPBOE01
      Text in Illustration
      *1 Protrusion
      *2 Paint Mark
      *a Upper
      *b LH Side

      Install the radiator hose and attach the clamp.

      Tech Tips

      Make sure the direction of the hose clamp is as shown in the illustration.

  25. INSTALL FRONT HEATER BRACKET (for Cold Area Specification Vehicles)


    1. Install the front heater bracket with the 2 bolts.

      Torque:
      25 N*m  { 250 kgf*cm, 18 ft.*lbf }
  26. INSTALL NO. 3 ENGINE WIRE (for Cold Area Specification Vehicles)


    1. Install the 2 nuts to the battery terminals.

      Torque:
      7.5 N*m  { 76 kgf*cm, 66 in.*lbf }
    2. Attach the 3 wire harness clamps to the fan shroud.

  27. INSTALL NO. 2 CYLINDER HEAD COVER SUB-ASSEMBLY


    1. A01DLXHE02

      Install the No. 2 cylinder head cover with the 4 bolts.

      Torque:
      for bolt A
      18 N*m  { 184 kgf*cm, 13 ft.*lbf }
      for bolt B
      8.0 N*m  { 82 kgf*cm, 71 in.*lbf }
    2. Attach the 2 wire harness clamps and connect the wire harness to the No. 2 cylinder head cover.

    3. Connect the 4 injector connectors.

  28. INSTALL NO. 4 INJECTION PIPE SUB-ASSEMBLY

    Note


    • When replacing an injector, it is necessary to replace the 4 injection pipes with new ones.

    • Keep the joints of the injection pipe clean.


    1. A01DO5J

      Temporarily install the No. 4 injection pipe with the union nuts.

    2. Install the bolt.

      Torque:
      5.0 N*m  { 51 kgf*cm, 44 in.*lbf }

      Note


      • If an injection pipe clamp is removed from the No. 4 injection pipe, replace the injection clamp with a new one.

      • Make sure that the inner-rubbers of the injection pipe fit inside the clamps.

      • When installing the pipe, check that the inner-rubbers and the clamps are in their proper positions.

    3. A01DPW7E01
      Text in Illustration
      *a Common Rail Side
      *b Injector Side

      Using a 17 mm union nut wrench, tighten the injection pipe union nut on the common rail side.

      Torque:
      35 N*m  { 357 kgf*cm, 26 ft.*lbf }

      Note

      Use the formula to calculate special torque values for situations where a union nut wrench is combined with a torque wrench Click here.

    4. Using a 17 mm union nut wrench, tighten the injection pipe union nuts on the injector side.

      Torque:
      35 N*m  { 357 kgf*cm, 26 ft.*lbf }

      Note

      Use the formula to calculate special torque values for situations where a union nut wrench is combined with a torque wrench Click here.

  29. INSTALL MANIFOLD STAY WITH VACUUM SWITCHING VALVE


    1. A01DSHRE04
      Text in Illustration
      *A w/o EGR System
      *B w/ EGR System
      *1 White Mark
      *2 Blue Mark

      Install the manifold stay with vacuum switching valve with the 2 bolts and connect the No. 3 vacuum transmitting hose and No. 4 vacuum transmitting hose.

      Torque:
      19 N*m  { 194 kgf*cm, 14 ft.*lbf }

      Note

      Make sure the vacuum hose color matches the connection area color.

    2. w/ EGR Cooler:

      Connect the No. 3 vacuum transmitting hose.

    3. A01DUDJE01
      Text in Illustration
      *1 Yellow Mark
      *2 Pink Mark

      w/ EGR System:

      Connect the No. 2 vacuum transmitting hose and No. 3 vacuum transmitting hose.

      Note


      • Make sure the vacuum hose color matches the connection area color.

      • Push on the hose until it reaches the bent part of the pipe.

    4. Connect the No. 1 vacuum transmitting hose.

    5. Connect the vacuum switching valve connector.


      1. w/o EGR System:

        Connect the connector.

      2. w/ EGR System without EGR Cooler:

        Connect the 2 connectors.

      3. w/ EGR System with EGR Cooler:

        Connect the 3 connectors.

  30. INSTALL INTAKE AIR CONNECTOR WITH DIESEL THROTTLE BODY ASSEMBLY (w/o EGR System)


    1. A01DQMH

      Set a new gasket on the intake manifold.

      Note

      Make sure the claw of the gasket face the intake manifold as shown in the illustration.

    2. A01DNG1E01

      Install the intake air connector with diesel throttle body with the 3 bolts.

      Torque:
      20 N*m  { 204 kgf*cm, 15 ft.*lbf }

      Note

      Tighten the bolts in the order shown in the illustration.

    3. Connect the throttle position sensor connector.

  31. CONNECT ENGINE WIRE (w/o EGR System)


    1. A01DOC8E01

      for LHD:

      Connect the engine wire with the clamp and install the 2 bolts.

      Torque:
      for bolt A
      13 N*m  { 131 kgf*cm, 9 ft.*lbf }
      for bolt B
      22 N*m  { 220 kgf*cm, 16 ft.*lbf }
    2. A01DOKK

      for RHD:

      Connect the engine wire with the bolt.

      Torque:
      13 N*m  { 131 kgf*cm, 9 ft.*lbf }
  32. INSTALL AIR CONNECTOR STAY (w/o EGR System)


    1. A01DM26E01

      Temporarily install the air connector stay with the 3 bolts.

    2. Tighten the bolt labeled A.

      Torque:
      20 N*m  { 204 kgf*cm, 15 ft.*lbf }
    3. Tighten the 2 bolts labeled B.

      Torque:
      20 N*m  { 204 kgf*cm, 15 ft.*lbf }
  33. INSTALL NO. 1, NO. 2 AND NO. 3 INJECTION PIPE (w/o EGR System)

    Note


    • When replacing an injector, it is necessary to replace the 4 injection pipes with new ones.

    • Keep the joints of the injection pipe clean.


    1. Temporarily install the No. 1, No. 2 and No. 3 injection pipes with the union nuts.

    2. A01DTU4E01
      Text in Illustration
      *1 No. 2 Injection Pipe

      Install the No. 2 and No. 3 injection pipe clamps with the 2 bolts and 2 nuts as shown in the illustration.

      Torque:
      5.0 N*m  { 51 kgf*cm, 44 in.*lbf }

      Tech Tips

      If the painted mark on the No. 2 injection pipe has disappeared, use the illustration as a reference to install the clamps.

    3. A01DLVFE01
      Text in Illustration
      *a Common Rail Side
      *b Injector Side

      Using a 17 mm union nut wrench, tighten the injection pipe union nuts on the common rail side.

      Torque:
      35 N*m  { 357 kgf*cm, 26 ft.*lbf }

      Note

      Use the formula to calculate special torque values for situations where a union nut wrench is combined with a torque wrench Click here.

    4. Using a 17 mm union nut wrench, tighten the injection pipe union nuts on the injector side.

      Torque:
      35 N*m  { 357 kgf*cm, 26 ft.*lbf }

      Note

      Use the formula to calculate special torque values for situations where a union nut wrench is combined with a torque wrench Click here.

  34. INSTALL THROTTLE BODY BRACKET (w/o EGR System)


    1. Install the throttle body bracket with the 2 bolts.

      Torque:
      20 N*m  { 204 kgf*cm, 15 ft.*lbf }
    2. Install the gas filter with gas filter bracket with the bolt.

      Torque:
      20 N*m  { 204 kgf*cm, 15 ft.*lbf }
    3. Connect the vacuum hose.

  35. INSTALL NO. 1 INTAKE PIPE (w/o EGR System)


    1. Connect the No. 1 intake pipe with the air hose and install the 2 bolts.

      Torque:
      20 N*m  { 204 kgf*cm, 15 ft.*lbf }
    2. Tighten the 2 clamps of the No. 1 air hose.

      Torque:
      6.5 N*m  { 66 kgf*cm, 58 in.*lbf }
    3. Tighten the clamp of the intercooler air hose.

      Torque:
      6.5 N*m  { 66 kgf*cm, 58 in.*lbf }
    4. Connect the vacuum hose to the manifold absolute pressure sensor connector.

    5. Connect the 3 connectors to the intake air temperature sensor, throttle control motor and manifold absolute pressure sensor.

    6. Attach the 2 clamps.

  36. INSTALL NO. 4 VACUUM TRANSMITTING PIPE SUB-ASSEMBLY (w/o EGR System)


    1. Connect the No. 4 vacuum transmitting pipe with the bolt.

      Torque:
      8.0 N*m  { 82 kgf*cm, 71 in.*lbf }
  37. INSTALL INLET HEATER WATER HOSE (w/o EGR System)


    1. Connect the inlet heater water hose with the bolt.

      Torque:
      26 N*m  { 260 kgf*cm, 19 ft.*lbf }
  38. INSTALL ELECTRIC EGR CONTROL VALVE ASSEMBLY (w/ EGR System)


    1. Install the electric EGR control valve assembly Click here.

  39. CONNECT CABLE TO NEGATIVE BATTERY TERMINAL

    Note

    When disconnecting the cable, some systems need to be initialized after the cable is reconnected Click here.

  40. ADD ENGINE COOLANT


    1. Tighten the radiator drain cock plug by hand.

    2. Tighten the cylinder block drain cock plug.

      Torque:
      8.0 N*m  { 82 kgf*cm, 71 in.*lbf }
    3. Fill the radiator with TOYOTA Super Long Life Coolant (SLLC) to the B line of the reservoir tank.

      Standard Capacity
      Item Specified Condition
      for Automatic Transmission w/ Rear Heater 14.9 liters (15.7 US qts, 13.1 Imp. qts)
      w/o Rear Heater 13.1 liters (13.8 US qts, 11.5 Imp. qts)
      for Manual Transmission w/ Rear Heater 15.0 liters (15.8 US qts, 13.2 Imp. qts)
      w/o Rear Heater 13.2 liters (13.9 US qts, 11.6 Imp. qts)

      Tech Tips


      • TOYOTA vehicles are filled with TOYOTA SLLC at the factory. In order to avoid damage to the engine cooling system and other technical problems, only use TOYOTA SLLC or similar high quality ethylene glycol based non-silicate, non-amine, non-nitrite, non-borate coolant with long-life hybrid organic acid technology (coolant with long-life hybrid organic acid technology consists of a combination of low phosphates and organic acids).

      • Please contact your TOYOTA dealer for further details.

      • for Cold Area Specification Vehicles:

        Please contact any authorized TOYOTA dealer or repairer or another duly qualified and equipped professional for further details.

      Note

      Never use water as a substitute for engine coolant.

    4. Press the inlet and outlet radiator hoses several times by hand, and then check the level of the coolant.

      If the coolant level drops below the B line, add TOYOTA SLLC to the B line.

    5. Install the radiator reservoir cap.

    6. Using a wrench, install the vent plug.

      Torque:
      2.0 N*m  { 20 kgf*cm, 18 in.*lbf }
    7. Bleed air from the cooling system.


      1. Warm up the engine until the thermostat opens. While the thermostat is open, circulate the coolant for several minutes.

      2. Maintain the engine speed at 2500 to 3000 rpm.

      3. Press the inlet and outlet radiator hoses several times by hand to bleed air.

        CAUTION:

        When pressing the radiator hoses:


        • Wear protective gloves.

        • Be careful as the radiator hoses are hot.

        • Keep your hands away from the radiator fan.

      4. Stop the engine and wait until the coolant cools down to ambient temperature.

        CAUTION:

        Do not remove the radiator reservoir cap while the engine and radiator are still hot. Pressurized, hot engine coolant and steam may be released and cause serious burns.

    8. After the coolant cools down, check that the coolant level is at the FULL line.

      If the coolant level is below the FULL line, add TOYOTA SLLC to the FULL line.

  41. BLEED AIR FROM FUEL SYSTEM


    1. A01DS6C

      Using the hand pump mounted on the fuel filter cap, bleed the air from the fuel system. Continue pumping until the pump resistance increases.

      Note


      • The maximum hand pump pumping speed is 2 strokes per second.

      • The hand pump must be pushed with a full stroke during pumping.

      • When the fuel pressure at the supply pump inlet port reaches a saturated pressure, the hand pump resistance increases.

      • If pumping is interrupted during the air bleeding process, fuel in the fuel line may return to the fuel tank. Continue pumping until the hand pump resistance increases.

      • If the hand pump resistance does not increase despite consecutively pumping 200 times or more, there may be a fuel leak between the fuel tank and fuel filter, the hand pump may be malfunctioning, or the vehicle may have run out of fuel.

      • If air bleeding using the hand pump is incomplete, the common rail pressure does not rise to the pressure range necessary for normal use and the engine cannot be started.

    2. Start the engine.

      Note


      • Even if air bleeding using the hand pump has been completed, the starter may need to be cranked for 10 seconds or more to start the engine.

      • Do not crank the engine continuously for more than 20 seconds. The battery may be discharged.

      • Use a fully-charged battery.


      1. When the engine can be started, proceed to the next step.

      2. If the engine cannot be started, bleed the air again using the hand pump until the hand pump resistance increases (refer to the procedures above). Then start the engine.

    3. Turn the ignition switch off.

    4. Connect the intelligent tester to the DLC3.

    5. Turn the ignition switch on (IG) and turn the intelligent tester on.

    6. Clear the DTCs Click here.

    7. Start the engine.*1

    8. A01DLTIE05
      Text in Illustration
      *a

      Reference

      Active Test Operation

      Enter the following menus: Powertrain / Engine and ECT / Active Test / Test the Fuel Leak.*2

    9. Perform the following test 5 times with on/off intervals of 10 seconds: Active Test / Test the Fuel Leak.*3

    10. Allow the engine to idle for 3 minutes or more after performing the Active Test for the 5th time.

      A01DUBQE04

      Tech Tips

      When the Active Test "Test the Fuel Leak" is used to change the pump control mode, the actual fuel pressure inside the common rail drops below the target fuel pressure when the Active Test is off, but this is normal and does not indicate a pump malfunction.

    11. Enter the following menus: Powertrain / Engine and ECT / DTC.

    12. Read Current DTCs.

    13. Clear the DTCs Click here.

      Tech Tips

      It is necessary to clear the DTCs as DTC P1604 or P1605 may be stored when air is bled from the fuel system after replacing or repairing fuel system parts.

    14. Repeat steps *1 to *3.

    15. Enter the following menus: Powertrain / Engine and ECT / DTC.

    16. Read Current DTCs.

      OK
      No DTCs are output.
  42. INSPECT FOR ENGINE COOLANT LEAK

    Note

    Before each inspection, turn the A/C switch off.

    CAUTION:

    Do not remove the radiator reservoir cap while the engine and radiator are still hot. Pressurized, hot engine coolant and steam may be released and cause serious burns.


    1. Fill the radiator with coolant and attach a radiator cap tester.

    2. Warm up the engine.

    3. Using the radiator cap tester, increase the pressure inside the radiator to 123 kPa (1.3 kgf/cm2, 18 psi), and check that the pressure does not drop.

      If the pressure drops, check the hoses, radiator and water pump for leaks. If no external leaks are found, check the heater core, cylinder block and head.

  43. INSPECT FOR FUEL LEAK

    CAUTION:


    • During Active Test mode, engine speed becomes high and combustion noise becomes loud, so pay attention.

    • During Active Test mode, fuel becomes highly pressurized. Be extremely careful not to expose your eyes, hands, or body to escaped fuel.


    1. Check that there are no leaks from any part of the fuel system when the engine is stopped. If there is fuel leakage, repair or replace parts as necessary.

    2. Start the engine and check that there are no leaks from any part of the fuel system. If there is fuel leakage, repair or replace parts as necessary.

    3. Disconnect the return hose from the common rail.

    4. Start the engine and check for fuel leaks from the return pipe.

      If there is fuel leakage, replace the common rail.

    5. Connect the intelligent tester to the DLC3.

    6. Start the engine and turn the intelligent tester on.

    7. Select the Fuel Leak test from the Active Test mode on the intelligent tester.

    8. If the intelligent tester is not available, fully depress the accelerator pedal quickly. Increase the engine speed to the maximum and maintain that speed for 2 seconds. Repeat this operation several times.

    9. Check that there are no leaks from any part of the fuel system.

      Note

      A return pipe leakage of less than 10 cc (0.6 cu in.) per minute is acceptable.

      If there is fuel leakage, repair or replace parts as necessary.

    10. Reconnect the return hose to the common rail.

  44. INSTALL ENGINE REAR UNDER COVER ASSEMBLY


    1. Install the rear engine under cover with the 4 bolts.

      Torque:
      29 N*m  { 296 kgf*cm, 21 ft.*lbf }
  45. INSTALL NO. 1 ENGINE UNDER COVER SUB-ASSEMBLY


    1. Install the No. 1 engine under cover with the 4 bolts.

      Torque:
      29 N*m  { 296 kgf*cm, 21 ft.*lbf }
  46. INSTALL FRONT BUMPER LOWER COVER


    1. Install the lower front bumper cover with the clip and 5 bolts.

      Torque:
      8.0 N*m  { 82 kgf*cm, 71 in.*lbf }
  47. INSTALL UPPER RADIATOR SUPPORT SEAL


    1. Install the upper radiator support seal with the 13 clips.