Click here

INTAKE SYSTEM (w/o DPF) SYSTEM DIAGRAM

Click here
Click here Click here
Click here
  1. A01DOKWE01

    INTAKE AIR CONTROL SYSTEM ILLUSTRATION

    The swirl control valve is mounted on the intake manifold. The Vacuum Switching Valve (VSV) for the swirl control valve changes the vacuum to actuate the actuator.

    Then it uses the swirl control valve VSV to change the vacuum applied to the actuator diaphragm to open and close the swirl control valve.

    Table 1. Text in Illustration
    *1 ECM *2 Mass Air Flow Meter
    *3 Intake Air Temperature Sensor *4 Air Cleaner
    *5 Intercooler *6 Diesel Throttle Body
    *7 Turbocharger *8 Manifold Absolute Pressure Sensor
    *9 Swirl Control Valve Actuator *10 VSV (for Swirl Control Valve)
    *11 VSV (for Swirl Control Valve) *12 Engine Coolant Temperature Sensor
    *13 Crankshaft Position Sensor *14

    Turbocharger Actuator

    - Turbocharger Variable Nozzle Motor

    - Turbocharger Variable Nozzle Sensor

  2. A01DQTQE01
    A01DNQDE01

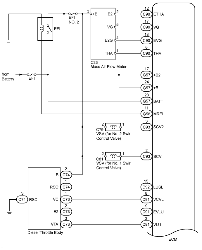
    INTAKE AIR CONTROL SYSTEM WIRING DIAGRAM

  3. A01DOKWE01

    TURBOCHARGER SYSTEM ILLUSTRATION


    • The turbocharger system is comprised of the Variable Nozzle (VN) type turbocharger and ECM.

    • The turbocharger has a nozzle vane which opens and closes to control the volume of the exhaust gas flowing into the turbine. This, in turn, controls the boost pressure. When the nozzle vane moves towards the closing direction, the pressure increases. When the vane moves towards the opening direction, the pressure decreases.

    • The turbocharger actuator built onto the compressor housing side activates the nozzle vane. The nozzle vane position sensor built onto the actuator detects the opening angle of the nozzle vane. The ECM receives a nozzle vane position sensor signal. Based on this signal, the ECM operates the DC motor and controls the turbocharger opening angle.

    • The ECM performs control to obtain the nozzle vane position for the optimal pressure in accordance with the driving conditions.

    Table 2. Text in Illustration
    *1 ECM *2 Mass Air Flow Meter
    *3 Intake Air Temperature Sensor *4 Air Cleaner
    *5 Intercooler *6 Diesel Throttle Body
    *7 Turbocharger *8 Manifold Absolute Pressure Sensor
    *9 Swirl Control Valve Actuator *10 VSV (for Swirl Control Valve)
    *11 VSV (for Swirl Control Valve) *12 Engine Coolant Temperature Sensor
    *13 Crankshaft Position Sensor *14

    Turbocharger Actuator

    - Turbocharger Variable Nozzle Motor

    - Turbocharger Variable Nozzle Sensor

  4. A01DRSTE03

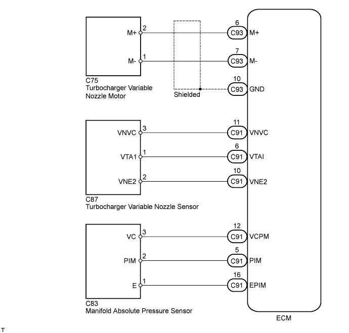
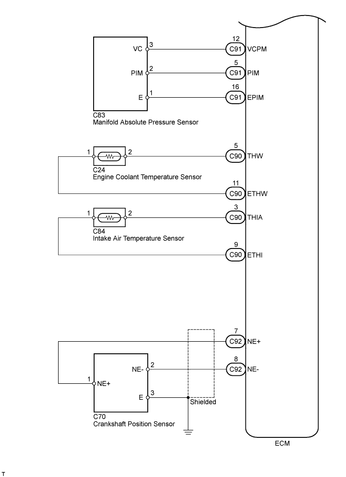
    TURBOCHARGER SYSTEM WIRING DIAGRAM