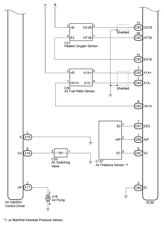
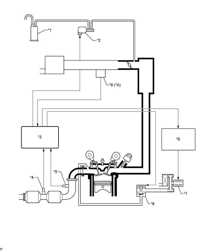
EMISSION CONTROL SYSTEM SYSTEM DIAGRAM

A01DUVBE01
Text in Illustration
*A w/ Manifold Absolute Pressure Sensor - -
*1 Canister *2 Purge VSV
*3 ECM *4 Heated Oxygen Sensor
*5 Air Fuel Ratio Sensor *6 Air Injection Control Driver
*7 Air Pump *8 Air Switching Valve
*9 Air Pressure Sensor - -
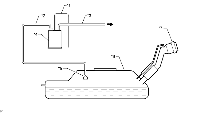
A01DPRXE03
Text in Illustration (for Single Tank Type)
*1 Air Inlet Line *2 Vent Line
*3 Purge Line *4 Canister
*5 Fuel Cutoff Valve *6 Fuel Tank
*7 Fuel Tank Cap - -
A01DQPB to Purge VSV - -
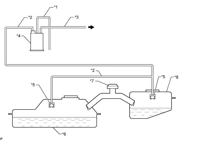
A01DR0FE01
Text in Illustration (for Double Tank Type)
*1 Air Inlet Line *2 Vent Line
*3 Purge Line *4 Canister
*5 Fuel Cutoff Valve *6 Fuel Tank
*7 Fuel Tank Cap *8 Fuel Sub Tank
A01DQPB to Purge VSV - -
A01DOI2E01
A01DU3KE01