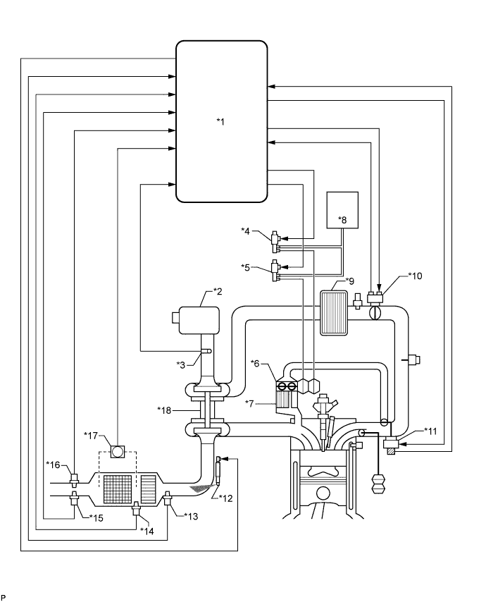
EMISSION CONTROL SYSTEM (w/ DPF) SYSTEM DIAGRAM

A01DM93E01
Text in Illustration
*1 ECM *2 Air Cleaner
*3 Mass Air Flow Meter *4 No. 2 Vacuum Switching Valve (for EGR Bypass Valve)
*5 No. 1 Vacuum Switching Valve (for EGR Bypass Valve) *6 No. 2 EGR Valve
*7 EGR Cooler *8 Vacuum Pump
*9 Intercooler *10 Diesel Throttle Body
*11 Electric EGR Control Valve *12 Exhaust Fuel Addition Injector
*13 Exhaust Gas Temperature Sensor *14 No. 2 Exhaust Gas Temperature Sensor
*15 No. 3 Exhaust Gas Temperature Sensor *16 Air Fuel Ratio Sensor
*17 Differential Pressure Sensor *18 Turbocharger
A01DSWXE02
A01DR3VE01