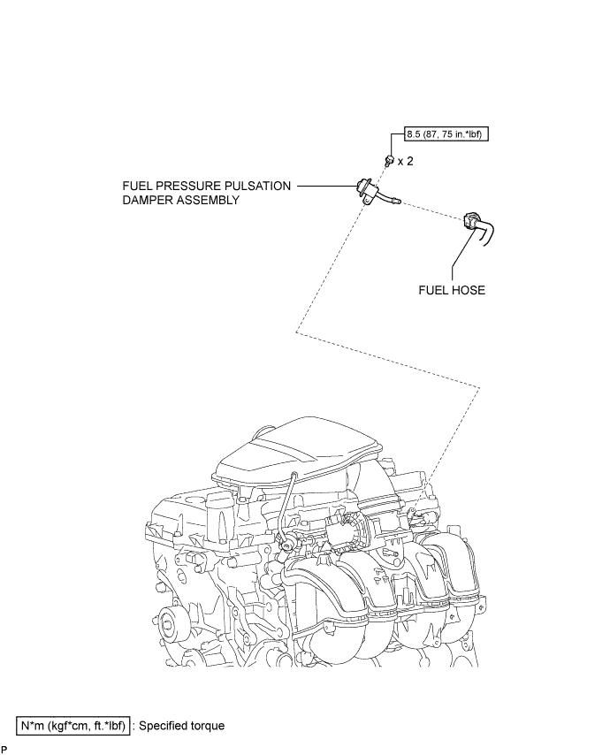
FUEL PRESSURE PULSATION DAMPER COMPONENTS

ILLUSTRATION

A01DT0BE01