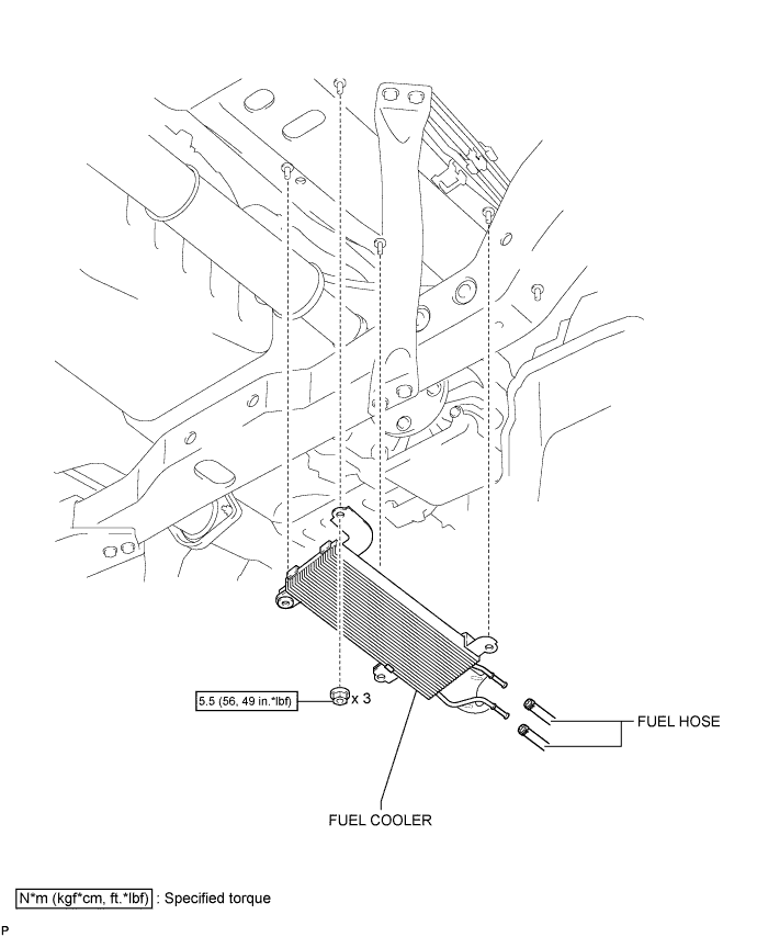
FUEL COOLER COMPONENTS

ILLUSTRATION

A01DTENE01