FUEL SYSTEM (w/ DPF) SYSTEM DIAGRAM


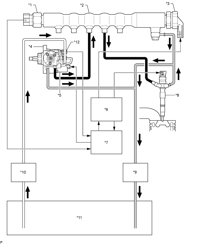
  1. FUEL FLOW DIAGRAM

    A01DQTSE01
    Text in Illustration
    *1 Fuel Pressure Sensor *2 Common Rail
    *3 Pressure Discharge Valve *4 Fuel Supply Pump
    *5 Suction Control Valve *6 Injector Driver
    *7 ECM *8 Fuel Injector
    *9 Fuel Cooler *10 Fuel Filter
    *11 Fuel Tank *12 Fuel Temperature Sensor
    A01DSUG High Pressure Fuel Line A01DPL5 Return Fuel Line
    A01DMCR Suction Fuel Line - -
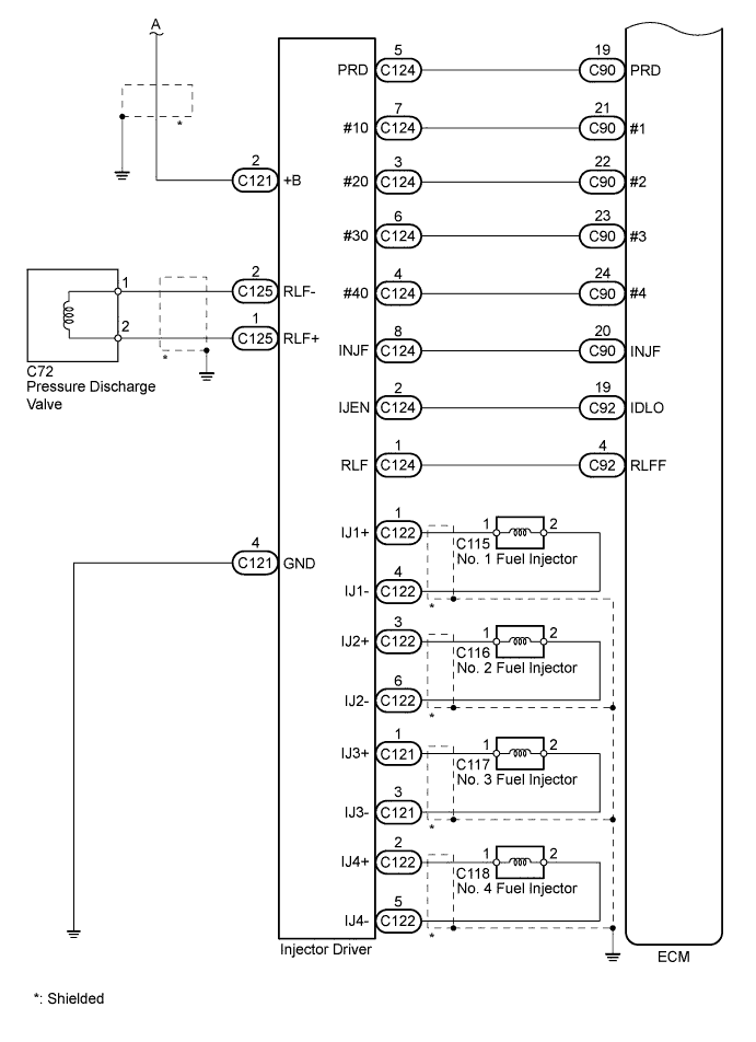
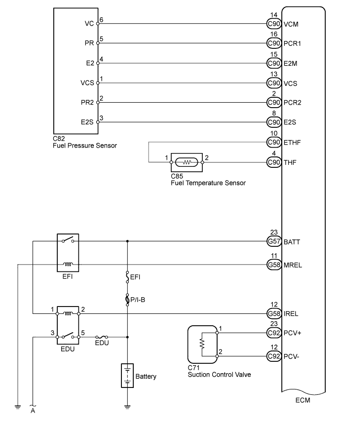
  2. FUEL SYSTEM WIRING DIAGRAM


    1. By storing fuel at high pressure, the common rail system provides high pressure fuel injection.

      A01DP97E01
      A01DTLYE01