NAVIGATION SYSTEM (for Navigation Receiver Type) Microphone Circuit between Microphone and Navigation Receiver Assembly

DESCRIPTION

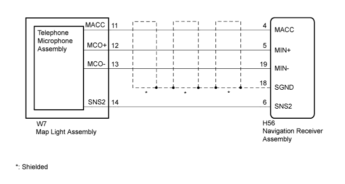
This circuit sends a microphone signal from the telephone microphone assembly to the navigation receiver assembly.

It also supplies power from the navigation receiver assembly to the telephone microphone assembly.

WIRING DIAGRAM

A01DSYUE04

INSPECTION PROCEDURE

Tech Tips

When replacing the navigation receiver assembly, it is necessary to perform the vehicle contract setting for Connected Services (w/ Connected Services Function).

PROCEDURE


  1. CHECK NAVIGATION RECEIVER ASSEMBLY


    1. A01DOJ9E15
      Text in Illustration
      *a

      Component with harness connected

      (Navigation Receiver Assembly)

      Measure the resistance according to the value(s) in the table below.

      Standard Resistance
      Tester Connection Condition Specified Condition
      H56-19 (MIN-) - Body ground Always Below 1 Ω
      H56-18 (SGND) - Body ground Always Below 1 Ω
    2. Measure the voltage according to the value(s) in the table below.

      Standard Voltage
      Tester Connection Switch Condition Specified Condition
      H56-4 (MACC) - Body ground Engine switch on (ACC) 4.75 to 5.25 V

    NG
    OK
  2. CHECK HARNESS AND CONNECTOR (NAVIGATION RECEIVER ASSEMBLY - ROOF CONSOLE BOX ASSEMBLY)


    1. Disconnect the H56 navigation receiver assembly connector.

    2. Disconnect the W7 roof console box assembly connector.

    3. Measure the resistance according to the value(s) in the table below.

      Standard Resistance
      Tester Connection Condition Specified Condition
      H56-4 (MACC) - W7-11 (MACC) Always Below 1 Ω
      H56-5 (MIN+) - W7-12 (MCO+) Always Below 1 Ω
      H56-19 (MIN-) - W7-13 (MCO-) Always Below 1 Ω
      H56-6 (SNS2) - W7-14 (SNS2) Always Below 1 Ω
      H56-4 (MACC) - Body ground Always 10 kΩ or higher
      H56-5 (MIN+) - Body ground Always 10 kΩ or higher
      H56-19 (MIN-) - Body ground Always 10 kΩ or higher
      H56-18 (SGND) - Body ground Always 10 kΩ or higher
      H56-6 (SNS2) - Body ground Always 10 kΩ or higher

    NG
    OK
  3. CHECK TELEPHONE MICROPHONE ASSEMBLY


    1. Replace the telephone microphone assembly with a known good one Click here.

    2. Check if the same problem occurs again.

      OK
      Malfunction disappears.

    NG
    OK