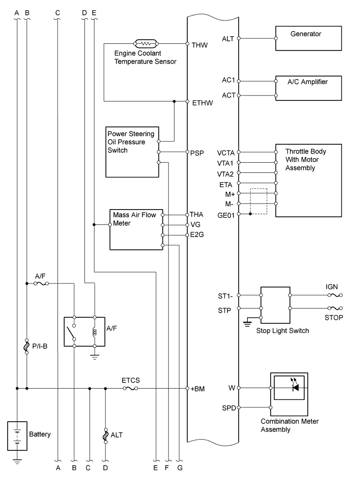
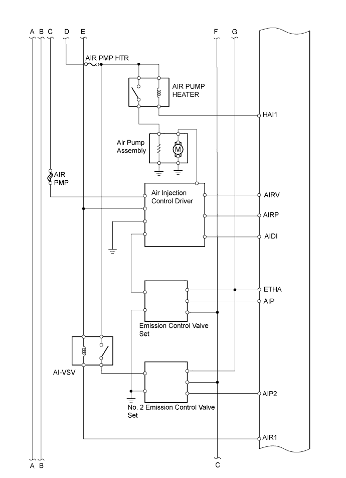
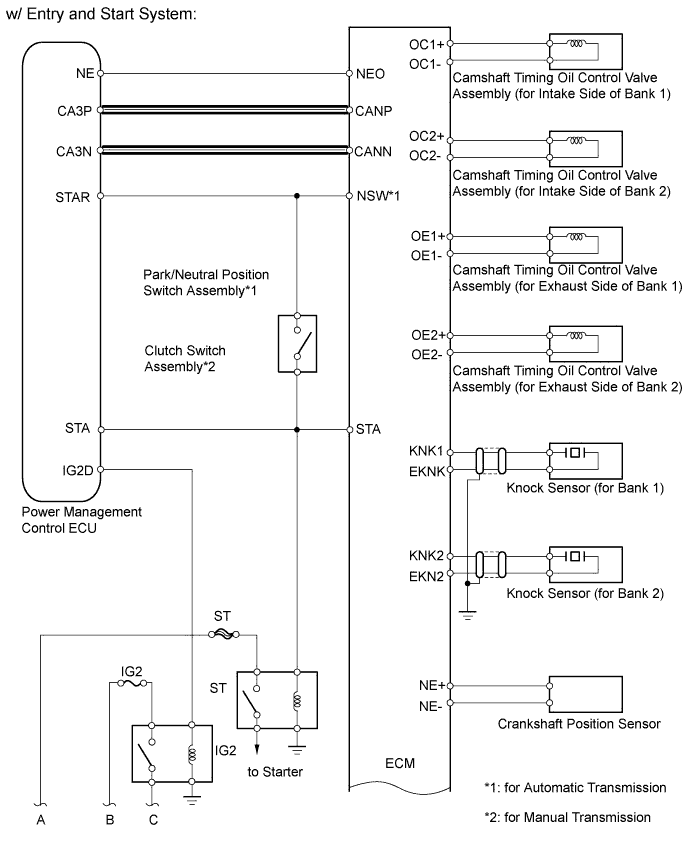
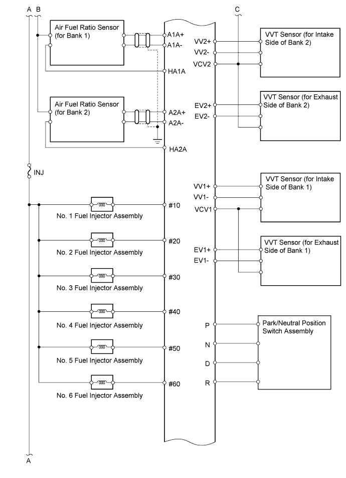
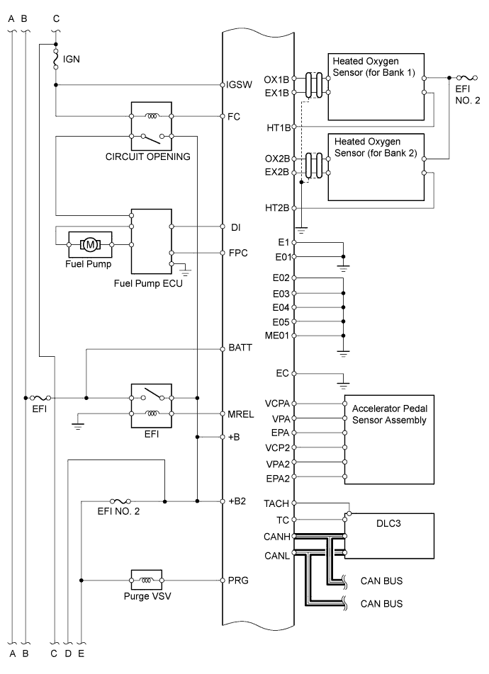
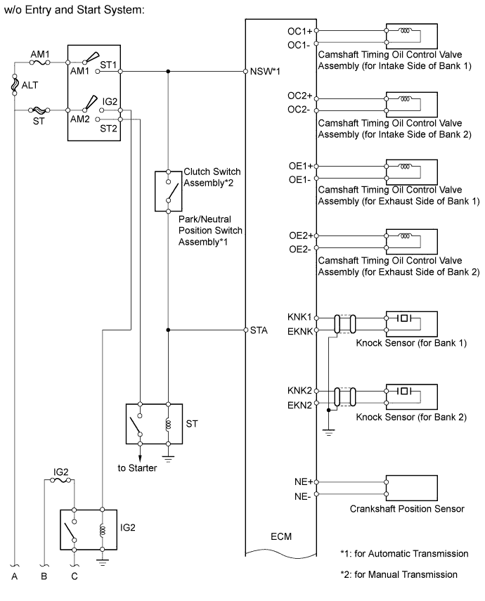
SFI SYSTEM SYSTEM DIAGRAM

A01DQUME04
A01DUHLE01
A01DSAXE02
A01DPD0E01
A01DR0XE03
A01DTL2E02
A01DP49E03