SFI SYSTEM, Diagnostic DTC:P0443

DTC Code DTC Name
P0443 Evaporative Emission Control System Purge Control Valve Circuit

DESCRIPTION

To reduce hydrocarbon emissions, evaporated fuel from the fuel tank is routed through a charcoal canister to the intake manifold for combustion in the cylinders.

The ECM changes the duty signals to the purge VSV so that the intake amount of evaporated fuel is appropriate for the driving conditions (engine load, engine speed, vehicle speed, etc.) after the engine is warmed up.

DTC No. DTC Detection Condition Trouble Area
P0443 The terminal voltage of the ECM output circuit does not correspond with the drive signals from the ECM to the purge VSV (1-trip detection logic).
  • Open or short in purge VSV circuit

  • Purge VSV

  • ECM

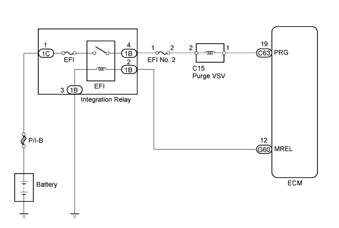
WIRING DIAGRAM

A01DNU9E01

INSPECTION PROCEDURE

Note

Inspect the fuses for circuits related to this system before performing the following inspection procedure.

Tech Tips

Read freeze frame data using the intelligent tester. Freeze frame data records the engine condition when malfunctions are detected. When troubleshooting, freeze frame data can help determine if the vehicle was moving or stationary, if the engine was warmed up or not, if the air fuel ratio was lean or rich, and other data from the time the malfunction occurred.

PROCEDURE


  1. PERFORM ACTIVE TEST USING INTELLIGENT TESTER (ACTIVATE THE VSV FOR EVAP CONTROL)


    1. A01DUUQE01

      Connect the intelligent tester to the DLC3.

    2. Disconnect the vacuum hose of the charcoal canister from the purge VSV.

    3. Start the engine.

    4. Turn the tester on.

    5. Enter the following menus: Powertrain / Engine and ECT / Active Test / Activate the VSV for Evap Control.

    6. When the purge VSV is operated using the intelligent tester, check whether the purge VSV applies suction to your finger.

      OK
      Tester Operation Specified Condition
      VSV is ON Suction applied
      VSV is OFF No suction applied
    7. Reconnect the vacuum hose of the charcoal canister to the purge VSV.


    NG
    OK
  2. INSPECT PURGE VSV


    1. Inspect the purge VSV Click here.


    NG
    OK
  3. INSPECT PURGE VSV (POWER SOURCE VOLTAGE)


    1. A01DQIJE67
      Text in Illustration
      *a

      Front view of wire harness connector

      (to Purge VSV)

      Disconnect the purge VSV connector.

    2. Measure the voltage according to the value(s) in the table below.

      Standard Voltage
      Tester Connection Switch Condition Specified Condition
      C15-2 - Body ground Ignition switch ON 11 to 14 V
    3. Reconnect the purge VSV connector.


    NG
    OK
  4. CHECK HARNESS AND CONNECTOR (PURGE VSV - ECM)


    1. Disconnect the purge VSV connector.

    2. Disconnect the ECM connector.

    3. Measure the resistance according to the value(s) in the table below.

      Standard Resistance (Check for Open)
      Tester Connection Condition Specified Condition
      C15-1 - C63-19 (PRG) Always Below 1 Ω
      Standard Resistance (Check for Short)
      Tester Connection Condition Specified Condition
      C15-1 or C63-19 (PRG) - Body ground Always 10 kΩ or higher
    4. Reconnect the purge VSV connector.

    5. Reconnect the ECM connector.


    NG
    OK
  5. CHECK HARNESS AND CONNECTOR (PURGE VSV - INTEGRATION RELAY [EFI RELAY])


    1. Disconnect the purge VSV connector.

    2. Remove the integration relay (EFI relay) from the engine room relay block.

    3. Measure the resistance according to the value(s) in the table below.

      Standard Resistance (Check for Open)
      Tester Connection Condition Specified Condition
      C15-2 - 1B-4 Always Below 1 Ω
      Standard Resistance (Check for Short)
      Tester Connection Condition Specified Condition
      C15-2 or 1B-4 - Body ground Always 10 kΩ or higher
    4. Reinstall the integration relay.

    5. Reconnect the purge VSV connector.


    NG
    OK