SFI SYSTEM, Diagnostic DTC:P0102, P0103

DTC Code DTC Name
P0102 Mass Air Flow Circuit Low
P0103 Mass Air Flow Circuit High

DESCRIPTION

The mass air flow meter is a sensor that measures the amount of air flowing through the throttle valve. The ECM uses this information to determine the fuel injection time and to provide the appropriate air fuel ratio.

Inside the mass air flow meter, there is a heated platinum wire which is exposed to the flow of intake air.

By applying a specific electrical current to the wire, the ECM heats it to a given temperature. The flow of incoming air cools both the wire and an internal thermistor, affecting their resistance. To maintain a constant current value, the ECM varies the voltage applied to the wire and internal thermistor. The voltage level is proportional to the air flow through the sensor and the ECM uses it to calculate the intake air volume.

The circuit is constructed so that the platinum hot wire and temperature sensor create a bridge circuit, and the power transistor is controlled so that the potentials of A and B remain equal to maintain the predetermined temperature.

Tech Tips

When any of these DTCs are stored, the ECM enters fail-safe mode. During fail-safe mode, the ignition timing is calculated by the ECM, according to the engine speed and throttle valve position. The ECM continues operating in fail-safe mode until a pass condition is detected.

A01DQCLE01
DTC No. DTC Detection Condition Trouble Area
P0102 The mass air flow meter voltage is below 0.2 V for 3 seconds (1-trip detection logic).
  • Open or short in mass air flow meter circuit

  • Mass air flow meter

  • ECM

P0103 The mass air flow meter voltage is higher than 4.9 V for 3 seconds (1-trip detection logic).
  • Open or short in mass air flow meter circuit

  • Mass air flow meter

  • ECM

Tech Tips

When any of these DTCs are output, check the air flow rate using the intelligent tester. Enter the following menus: Powertrain / Engine and ECT / Data List / MAF.

Mass Air Flow Rate (gm/s) Malfunction
Approximately 0.0
  • Open in mass air flow meter power source circuit

  • Open or short in VG circuit

271.0 or more
  • Open in E2G circuit

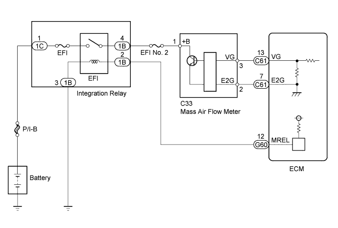
WIRING DIAGRAM

A01DTDSE01

INSPECTION PROCEDURE

Note

Inspect the fuses for circuits related to this system before performing the following inspection procedure.

Tech Tips

Read freeze frame data using the intelligent tester. Freeze frame data records the engine condition when malfunctions are detected. When troubleshooting, freeze frame data can help determine if the vehicle was moving or stationary, if the engine was warmed up or not, if the air fuel ratio was lean or rich, and other data from the time the malfunction occurred.

PROCEDURE


  1. READ VALUE USING INTELLIGENT TESTER (MASS AIR FLOW RATE)


    1. Connect the intelligent tester to the DLC3.

    2. Start the engine and turn the tester on.

    3. Turn the tester on.

    4. Enter the following menus: Powertrain / Engine and ECT / Data List / MAF.

    5. Read the values displayed on the tester.

      Result
      Result Proceed to
      Mass air flow rate is approximately 0.0 gm/s A
      Mass air flow rate is 271.0 gm/s or more B
      Mass air flow rate is between 1.0 and 270.0 gm/s* C

      *: The value changes when the throttle valve is open or closed with the engine running.


    B
    C
    A
  2. INSPECT MASS AIR FLOW METER (POWER SOURCE VOLTAGE)


    1. A01DMSHE55
      Text in Illustration
      *a

      Front view of wire harness connector

      (to Mass Air Flow Meter)

      Disconnect the mass air flow meter connector.

    2. Measure the voltage according to the value(s) in the table below.

      Standard Voltage
      Tester Connection Switch Condition Specified Condition
      C33-1 (+B) - Body ground Ignition switch ON 11 to 14 V
    3. Reconnect the mass air flow meter connector.


    NG
    OK
  3. CHECK MASS AIR FLOW METER


    1. Check the mass air flow meter Click here.


    NG
    OK
  4. CHECK HARNESS AND CONNECTOR (MASS AIR FLOW METER - ECM)


    1. Disconnect the mass air flow meter connector.

    2. Disconnect the ECM connector.

    3. Measure the resistance according to the value(s) in the table below.

      Standard Resistance (Check for Open)
      Tester Connection Condition Specified Condition
      C33-3 (VG) - C61-13 (VG) Always Below 1 Ω
      C33-2 (E2G) - C61-7 (E2G) Always Below 1 Ω
      Standard Resistance (Check for Short)
      Tester Connection Condition Specified Condition
      C33-3 (VG) or C61-13 (VG) - Body ground Always 10 kΩ or higher
    4. Reconnect the mass air flow meter connector.

    5. Reconnect the ECM connector.


    NG
    OK
  5. CHECK HARNESS AND CONNECTOR (MASS AIR FLOW METER - INTEGRATION RELAY [EFI RELAY])


    1. Disconnect the mass air flow meter connector.

    2. Remove the integration relay (EFI relay) from the engine room relay block.

    3. Measure the resistance according to the value(s) in the table below.

      Standard Resistance (Check for Open)
      Tester Connection Condition Specified Condition
      C33-1 (+B) - 1B-4 Always Below 1 Ω
      Standard Resistance (Check for Short)
      Tester Connection Condition Specified Condition
      C33-1 (+B) or 1B-4 - Body ground Always 10 kΩ or higher
    4. Reinstall the integration relay.

    5. Reconnect the mass air flow meter connector.


    NG
    OK
  6. CHECK HARNESS AND CONNECTOR (SENSOR GROUND)


    1. A01DMSHE50
      Text in Illustration
      *a

      Front view of wire harness connector

      (to Mass Air Flow Meter)

      Disconnect the mass air flow meter connector.

    2. Measure the resistance according to the value(s) in the table below.

      Standard Resistance
      Tester Connection Condition Specified Condition
      C33-2 (E2G) - Body ground Always Below 1 Ω
    3. Reconnect the mass air flow meter connector.


    NG
    OK
  7. CHECK HARNESS AND CONNECTOR (MASS AIR FLOW METER - ECM)


    1. Disconnect the mass air flow meter connector.

    2. Disconnect the ECM connector.

    3. Measure the resistance according to the value(s) in the table below.

      Standard Resistance (Check for Open)
      Tester Connection Condition Specified Condition
      C33-2 (E2G) - C61-7 (E2G) Always Below 1 Ω
      Standard Resistance (Check for Short)
      Tester Connection Condition Specified Condition
      C33-2 (E2G) or C61-7 (E2G) - Body ground Always 10 kΩ or higher
    4. Reconnect the mass air flow meter connector.

    5. Reconnect the ECM connector.


    NG
    OK