ECD SYSTEM, Diagnostic DTC:22

DTC Code DTC Name
22 Engine Coolant Temperature Sensor Circuit Malfunction

DESCRIPTION

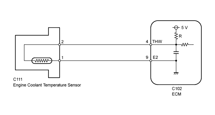
The engine coolant temperature sensor senses the coolant temperature. A thermistor built into the sensor changes its resistance according to the coolant temperature. The lower the coolant temperature, the higher the thermistor resistance value, and the higher the coolant temperature, the lower the thermistor resistance value (see Fig. 1).

The engine coolant temperature sensor is connected to the ECM. The 5 V power source voltage from the ECM is applied to the engine coolant temperature sensor from terminal THW via resistor R. That is, resistor R and the engine coolant temperature sensor are connected in series. When the resistance value of the engine coolant temperature sensor changes in accordance with changes in the coolant temperature, the voltage at terminal THW also changes. Based on this signal, the ECM increases the fuel injection volume to improve driveability during cold engine operation.

A01DSD6E07
DTC No. DTC Detection Condition Trouble Area
22 Open or short in the engine coolant temperature sensor circuit for 0.5 sec. or more.
  • Open or short in engine coolant temperature sensor circuit

  • Engine coolant temperature sensor

  • ECM

WIRING DIAGRAM

A01DQMUE03

INSPECTION PROCEDURE

Tech Tips


  • If DTCs related to different systems that have terminal E2 as the ground terminal are stored simultaneously, there may be an open circuit between terminal E2 and body ground.

  • Read freeze frame data using the intelligent tester. Freeze frame data records the engine condition when malfunctions are detected. When troubleshooting, freeze frame data can help determine if the vehicle was moving or stationary, if the engine was warmed up or not, and other data from the time the malfunction occurred.

When using intelligent tester:

PROCEDURE


  1. READ VALUE USING INTELLIGENT TESTER (ENGINE COOLANT TEMPERATURE)


    1. Connect the intelligent tester to the DLC3.

    2. Turn the ignition switch to ON.

    3. Enter the following menus: Powertrain / Engine and ECT / Data List / Coolant Temp.

      Result
      Result Proceed to
      -40°C (-40°F) A
      140°C (284°F) or higher B
      Value is same as actual engine coolant temperature C

      Tech Tips

      When DTC 22 is stored, the type of malfunction can be determined based on the engine coolant temperature (see below).

      Temperature Displayed Malfunction
      -40°C (-40°F) Open circuit
      140°C (284°F) or higher Short circuit

    B
    C
    A
  2. READ VALUE USING INTELLIGENT TESTER (CHECK FOR OPEN IN WIRE HARNESS)


    1. A01DS5UE12
      Text in Illustration
      *1 Engine Coolant Temperature Sensor
      *2 ECM
      *a

      Front view of wire harness connector

      (to Engine Coolant Temperature Sensor)

      Disconnect the engine coolant temperature sensor connector.

    2. Connect terminals 1 and 2 of the engine coolant temperature sensor harness side connector.

    3. Turn the ignition switch to ON.

    4. Read the temperature value on the intelligent tester.

      OK
      140°C (284°F) or higher
    5. Reconnect the engine coolant temperature sensor connector.


    NG
    OK
  3. READ VALUE USING INTELLIGENT TESTER (CHECK FOR OPEN IN ECM)


    1. A01DRCFE16
      Text in Illustration
      *1 Engine Coolant Temperature Sensor
      *2 ECM
      *a

      Component with harness connected

      (ECM)

      Connect terminals THW and E2 of the ECM connector.

    2. Turn the ignition switch to ON.

    3. Read the temperature value on the intelligent tester.

      OK
      140°C (284°F) or higher

    NG
    OK
  4. READ VALUE USING INTELLIGENT TESTER (CHECK FOR SHORT IN WIRE HARNESS)


    1. A01DPJQE24
      Text in Illustration
      *1 Engine Coolant Temperature Sensor
      *2 ECM

      Disconnect the engine coolant temperature sensor connector.

    2. Turn the ignition switch to ON.

    3. Read the temperature value on the intelligent tester.

      OK
      -40°C (-40°F)
    4. Reconnect the engine coolant temperature sensor connector.


    NG
    OK
  5. READ VALUE USING INTELLIGENT TESTER (CHECK FOR SHORT IN ECM)


    1. A01DQYFE13
      Text in Illustration
      *1 Engine Coolant Temperature Sensor
      *2 ECM
      *a

      Rear view of wire harness connector

      (to ECM)

      Disconnect the ECM connector.

    2. Turn the ignition switch to ON.

    3. Read the temperature value on the intelligent tester.

      OK
      -40°C (-40°F)
    4. Reconnect the ECM connector.


    NG
    OK

When not using intelligent tester:

PROCEDURE


  1. CHECK ECM (THW VOLTAGE)


    1. A01DUBVE90
      Text in Illustration
      *a

      Component with harness connected

      (ECM)

      Turn the ignition switch to ON.

    2. Measure the voltage according to the value(s) in the table below.

      Standard Voltage
      Tester Connection Condition Specified Condition
      C102-4 (THW) - C102-9 (E2) 20°C (68°F) 0.2 to 3.8 V
      C102-4 (THW) - C102-9 (E2) 80°C (176°F) 0.1 to 1.5 V

    NG
    OK
  2. INSPECT ENGINE COOLANT TEMPERATURE SENSOR


    1. Inspect the engine coolant temperature sensor Click here.


    NG
    OK
  3. CHECK HARNESS AND CONNECTOR (ECM - ENGINE COOLANT TEMPERATURE SENSOR)


    1. Disconnect the engine coolant temperature sensor connector.

    2. Disconnect the ECM connector.

    3. Measure the resistance according to the value(s) in the table below.

      Standard Resistance (Check for Open)
      Tester Connection Condition Specified Condition
      C111-2 - C102-4 (THW) Always Below 1 Ω
      C111-1 - C102-9 (E2) Always Below 1 Ω
      Standard Resistance (Check for Short)
      Tester Connection Condition Specified Condition
      C111-2 or C102-4 (THW) - Body ground Always 10 kΩ or higher
    4. Reconnect the engine coolant temperature sensor connector.

    5. Reconnect the ECM connector.


    NG
    OK