Click here

ECD SYSTEM (w/ DPF) VC Output Circuit

Click here
Click here Click here
DTC Code DTC Name
  VC Output Circuit
Click here

DESCRIPTION

The ECM constantly generates 5 V of power from the battery voltage supplied to the +B (BATT) terminal to operate the microprocessor. The ECM also provides this power to the sensors through the VC output circuit.

When the VC circuit is short-circuited, the microprocessor in the ECM and sensors that are supplied with power through the VC circuit are inactivated because the power is not supplied from the VC circuit. Under this condition, the system does not start up and the MIL does not illuminate even if the system malfunctions.

Tip:

Under normal conditions, the MIL is illuminated for several seconds when the engine switch is first turned on (IG). The MIL goes off when the engine is started.

A01DTVGE03
A01DOOME01
Click here

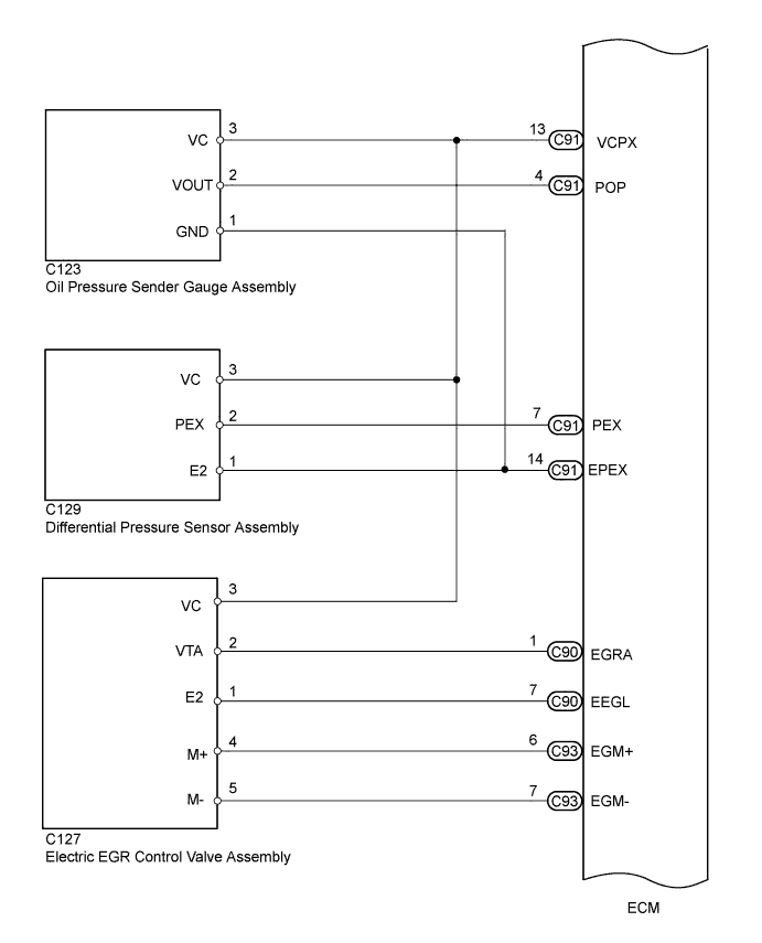
WIRING DIAGRAM

Click here

INSPECTION PROCEDURE

Note:
  • Inspect the fuses of circuits related to this system before performing the following inspection procedure.

  • After replacing the ECM, the new ECM needs registration (Click here) and initialization (Click here).

  • After replacing the fuel supply pump assembly, the ECM needs initialization (Click here).

  • After replacing an injector assembly, the ECM needs registration (See PageClick here).

Click here

PROCEDURE


  1. Click here

    CHECK MIL


    1. Check that the Malfunction Indicator Lamp (MIL) lights up when turning the engine switch on (IG).

      Table 1. Result
      Result Proceed to
      MIL illuminates A
      MIL does not illuminate B

  2. Click here

    CHECK COMMUNICATION BETWEEN INTELLIGENT TESTER AND ECM


    1. Connect the intelligent tester to the DLC3.

    2. Turn the engine switch on (IG) and tester on.

    3. Check the communication between the tester and ECM.

      Table 2. Result
      Result Proceed to
      Communication is possible A
      Communication is not possible B

  3. Click here

    CHECK MIL (ACCELERATOR PEDAL POSITION SENSOR)


    1. Disconnect the accelerator pedal position sensor connector.

    2. Turn the engine switch on (IG).

    3. Check the MIL.

      Table 3. Result
      Result Proceed to
      MIL illuminates A
      MIL does not illuminate B
    4. Reconnect the accelerator pedal position sensor connector.


  4. Click here

    CHECK MIL (THROTTLE POSITION SENSOR)


    1. Disconnect the throttle position sensor connector.

    2. Turn the engine switch on (IG).

    3. Check the MIL.

      Table 4. Result
      Result Proceed to
      MIL illuminates A
      MIL does not illuminate B
    4. Reconnect the throttle position sensor connector.


  5. Click here

    CHECK MIL (FUEL PRESSURE SENSOR)


    1. Disconnect the fuel pressure sensor connector.

    2. Turn the engine switch on (IG).

    3. Check the MIL.

      Table 5. Result
      Result Proceed to
      MIL illuminates A
      MIL does not illuminate B
    4. Reconnect the fuel pressure sensor connector.


  6. Click here

    CHECK MIL (ELECTRIC EGR CONTROL VALVE ASSEMBLY)


    1. Disconnect the electric EGR control valve assembly connector.

    2. Turn the engine switch on (IG).

    3. Check the MIL.

      Table 6. Result
      Result Proceed to
      MIL illuminates A
      MIL does not illuminate B
    4. Reconnect the electric EGR control valve assembly connector.


  7. Click here

    CHECK MIL (OIL PRESSURE SENDER GAUGE ASSEMBLY)


    1. Disconnect the oil pressure sender gauge assembly connector.

    2. Turn the engine switch on (IG).

    3. Check the MIL.

      Table 7. Result
      Result Proceed to
      MIL illuminates A
      MIL does not illuminate B
    4. Reconnect the oil pressure sender gauge assembly connector.


  8. Click here

    CHECK MIL (DIFFERENTIAL PRESSURE SENSOR ASSEMBLY)


    1. Disconnect the differential pressure sensor assembly connector.

    2. Turn the engine switch on (IG).

    3. Check the MIL.

      Table 8. Result
      Result Proceed to
      MIL illuminates A
      MIL does not illuminate B
    4. Reconnect the differential pressure sensor assembly connector.


  9. Click here

    CHECK MIL (MANIFOLD ABSOLUTE PRESSURE SENSOR)


    1. Disconnect the manifold absolute pressure sensor connector.

    2. Turn the engine switch on (IG).

    3. Check the MIL.

      Table 9. Result
      Result Proceed to
      MIL illuminates A
      MIL does not illuminate B
    4. Reconnect the manifold absolute pressure sensor connector.


  10. Click here

    CHECK MIL (NOZZLE VANE POSITION SENSOR)


    1. Disconnect the nozzle vane position sensor connector.

    2. Turn the engine switch on (IG).

    3. Check the MIL.

      Table 10. Result
      Result Proceed to
      MIL illuminates A
      MIL does not illuminate B
    4. Reconnect the nozzle vane position sensor connector.


  11. Click here

    CHECK HARNESS AND CONNECTOR


    1. Disconnect the accelerator pedal position sensor connector.

    2. Disconnect the throttle position sensor connector.

    3. Disconnect the fuel pressure sensor connector.

    4. Disconnect the electric EGR control valve assembly connector.

    5. Disconnect the oil pressure sender gauge assembly connector.

    6. Disconnect the differential pressure sensor assembly connector.

    7. Disconnect the nozzle vane position sensor connector.

    8. Disconnect the manifold absolute pressure sensor connector.

    9. Disconnect the ECM connectors.

    10. Measure the resistance according to the value(s) in the table below.

      Standard Resistance
      Tester Connection Condition Specified Condition
      G58-6 (VCPA) - Body ground Always 10 kΩ or higher
      G58-4 (VCP2) - Body ground Always 10 kΩ or higher
      C91-8 (VCVL) - Body ground Always 10 kΩ or higher
      C90-14 (VCM) - Body ground Always 10 kΩ or higher
      C90-13 (VCS) - Body ground Always 10 kΩ or higher
      C91-13 (VCPX) - Body ground Always 10 kΩ or higher
      C91-12 (VCPM) - Body ground Always 10 kΩ or higher
      C91-11 (VNVC) - Body ground Always 10 kΩ or higher
    11. Reconnect the accelerator pedal position sensor connector.

    12. Reconnect the throttle position sensor connector.

    13. Reconnect the fuel pressure sensor connector.

    14. Reconnect the electric EGR control valve assembly connector.

    15. Reconnect the oil pressure sender gauge assembly connector.

    16. Reconnect the differential pressure sensor assembly connector.

    17. Reconnect the nozzle vane position sensor connector.

    18. Reconnect the manifold absolute pressure sensor connector.

    19. Reconnect the ECM connectors.


  12. Click here

    END

  13. Click here

    GO TO MIL CIRCUITClick here

  14. Click here

    REPLACE ACCELERATOR PEDAL ROD ASSEMBLYClick here

  15. Click here

    REPLACE DIESEL THROTTLE BODY ASSEMBLYClick here

  16. Click here

    REPLACE COMMON RAIL ASSEMBLYClick here

  17. Click here

    REPLACE ELECTRIC EGR CONTROL VALVE ASSEMBLYClick here

  18. Click here

    REPLACE OIL PRESSURE SENDER GAUGE ASSEMBLYClick here

  19. Click here

    REPLACE DIFFERENTIAL PRESSURE SENSOR ASSEMBLYClick here

  20. Click here

    REPLACE MANIFOLD ABSOLUTE PRESSURE SENSORClick here

  21. Click here

    REPLACE TURBOCHARGER SUB-ASSEMBLYClick here

  22. Click here

    REPAIR OR REPLACE HARNESS OR CONNECTOR

  23. Click here

    REPLACE ECMClick here