ECD SYSTEM (w/ DPF), Diagnostic DTC:P0617

DTC Code DTC Name
P0617 Starter Relay Circuit High

DESCRIPTION

While the engine is being cranked, positive battery voltage is applied to terminal STA of the ECM.

If the ECM detects the starter control (STA) signal while the vehicle is being driven, it determines that there is a malfunction in the STA circuit. The ECM then illuminates the MIL and stores the DTC.

This monitor runs when the vehicle has been driven at 20 km/h (12.5 mph) or more for more than 20 seconds.

P0617
DTC Detection Drive Pattern DTC Detection Condition Trouble Area
Drive the vehicle for 25 seconds or more at a speed of 20 km/h (12.5 mph) or more and an engine speed of 1000 rpm or more

Conditions (a), (b) and (c) are met for 20 seconds (1 trip detection logic):

(a) Vehicle speed is more than 20 km/h (12.5 mph).

(b) Engine speed is more than 1000 rpm.

(c) STA signal is on.


  • Starter relay circuit

  • Clutch pedal switch assembly*1

  • Park/neutral position switch assembly*2

*1: for Manual Transmission

*2: for Automatic Transmission

Related Data List
DTC No. Data List
P0617 Starter Signal

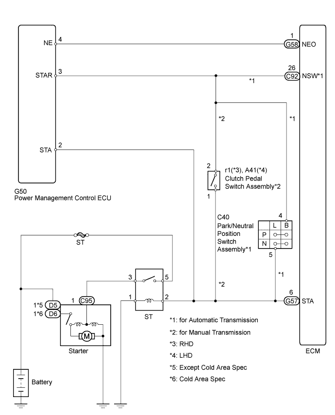
WIRING DIAGRAM

A01DUPME01

INSPECTION PROCEDURE

Note


  • Inspect the fuses of circuits related to this system before performing the following inspection procedure.

  • After replacing the ECM, the new ECM needs registration Click here and initialization Click here.

  • After replacing the fuel supply pump assembly, the ECM needs initialization Click here.

  • After replacing an injector assembly, the ECM needs registration Click here.

Tech Tips


  • The following troubleshooting process is based on the premise that the engine can crank normally. If the engine does not crank, proceed to Problem Symptoms Table Click here.

  • If this DTC is output, inspect the starter.

  • Read freeze frame data using the intelligent tester. Freeze frame data records the engine condition when malfunctions are detected. When troubleshooting, freeze frame data can help determine if the vehicle was moving or stationary, if the engine was warmed up or not, and other data from the time the malfunction occurred.

PROCEDURE


  1. READ VALUE USING INTELLIGENT TESTER (STARTER SIGNAL)


    1. Connect the intelligent tester to the DLC3.

    2. Turn the engine switch on (IG) and turn the tester on.

    3. Enter the following menus: Powertrain / Engine and ECT / Data List / Starter Signal.

    4. Read the value displayed on the tester when the engine switch is turned on (IG).

      OK
      Switch Condition Starter Signal
      Engine switch on (IG) OFF
      Result
      Result Proceed to
      OK A
      NG (for Manual Transmission) B
      NG (for Automatic Transmission) C

    A
    B
    C
  2. CHECK HARNESS AND CONNECTOR (CLUTCH PEDAL SWITCH ASSEMBLY - POWER MANAGEMENT CONTROL ECU)


    1. Disconnect the clutch pedal switch assembly connector.

    2. Disconnect the power management control ECU connector.

    3. Measure the resistance according to the value(s) in the table below.

      Standard Resistance
      for LHD
      Tester Connection Condition Specified Condition
      A41-2 or G50-3 (STAR) - Body ground Always 10 kΩ or higher
      for RHD
      Tester Connection Condition Specified Condition
      r1-2 or G50-3 (STAR) - Body ground Always 10 kΩ or higher
    4. Reconnect the clutch pedal switch assembly connector.

    5. Reconnect the power management control ECU connector.


    NG
    OK
  3. CHECK HARNESS AND CONNECTOR (CLUTCH PEDAL SWITCH ASSEMBLY - ST RELAY)


    1. Remove the ST relay from the engine room relay block.

    2. Disconnect the clutch pedal switch assembly connector.

    3. Measure the resistance according to the value(s) in the table below.

      Standard Resistance
      for LHD
      Tester Connection Condition Specified Condition
      ST relay terminal 2 or A41-1 - Body ground Always 10 kΩ or higher
      for RHD
      Tester Connection Condition Specified Condition
      ST relay terminal 2 or r1-1 - Body ground Always 10 kΩ or higher
    4. Reinstall the ST relay.

    5. Reconnect the clutch pedal switch assembly connector.


    NG
    OK
  4. CHECK HARNESS AND CONNECTOR (CLUTCH PEDAL SWITCH ASSEMBLY - ECM)


    1. Disconnect the ECM connector.

    2. Disconnect the clutch pedal switch assembly connector.

    3. Measure the resistance according to the value(s) in the table below.

      Standard Resistance
      for LHD
      Tester Connection Condition Specified Condition
      G57-6 (STA) or A41-1 - Body ground Always 10 kΩ or higher
      for RHD
      Tester Connection Condition Specified Condition
      G57-6 (STA) or r1-1 - Body ground Always 10 kΩ or higher
    4. Reconnect the ECM connector.

    5. Reconnect the clutch pedal switch assembly connector.


    NG
    OK
  5. INSPECT CLUTCH PEDAL SWITCH ASSEMBLY


    1. Inspect the clutch pedal switch assembly Click here.


    OK
    NG
  6. CHECK HARNESS AND CONNECTOR (PARK/NEUTRAL POSITION SWITCH - POWER MANAGEMENT CONTROL ECU)


    1. Disconnect the park/neutral position switch connector.

    2. Disconnect the power management control ECU connector.

    3. Measure the resistance according to the value(s) in the table below.

      Standard Resistance
      Tester Connection Condition Specified Condition
      C40-4 or G50-3 (STAR) - Body ground Always 10 kΩ or higher
    4. Reconnect the park/neutral position switch connector.

    5. Reconnect the power management control ECU connector.


    NG
    OK
  7. CHECK HARNESS AND CONNECTOR (PARK/NEUTRAL POSITION SWITCH - STARTER RELAY (ST))


    1. Remove the ST relay from the engine room relay block.

    2. Disconnect the park/neutral position switch connector.

    3. Measure the resistance according to the value(s) in the table below.

      Standard Resistance
      Tester Connection Condition Specified Condition
      ST relay terminal 2 or C40-5 - Body ground Always 10 kΩ or higher
    4. Reinstall the ST relay.

    5. Reconnect the park/neutral position switch connector.


    NG
    OK
  8. CHECK HARNESS AND CONNECTOR (PARK/NEUTRAL POSITION SWITCH - ECM)


    1. Disconnect the ECM connector.

    2. Disconnect the park/neutral position switch connector.

    3. Measure the resistance according to the value(s) in the table below.

      Standard Resistance
      Tester Connection Condition Specified Condition
      C40-5 or G57-6 (STA) - Body ground Always 10 kΩ or higher
    4. Reconnect the ECM connector.

    5. Reconnect the park/neutral position switch connector.


    NG
    OK
  9. INSPECT PARK/NEUTRAL POSITION SWITCH ASSEMBLY


    1. Inspect the park/neutral position switch assembly Click here.


    NG
    OK
  10. REPLACE ECM


    1. Replace the ECM Click here.


    NEXT
  11. REPLACE CLUTCH PEDAL SWITCH ASSEMBLY


    1. Replace the clutch pedal switch assembly Click here.


    NEXT
  12. REPLACE PARK/NEUTRAL POSITION SWITCH ASSEMBLY


    1. Replace the park/neutral position switch assembly Click here.


    NEXT
  13. REPAIR OR REPLACE HARNESS OR CONNECTOR


    1. Repair or replace the harness or connector.


    NEXT
  14. CONFIRM WHETHER DTC OUTPUT RECURS


    1. Connect the intelligent tester to the DLC3.

    2. Clear the DTCs Click here.

    3. Turn the engine switch off.

    4. Turn the engine switch on (IG).

    5. Drive the vehicle for 25 seconds or more at a speed of 20 km/h (12.5 mph) or more and an engine speed of 1000 rpm or more.

    6. Confirm that the DTC is not output again.


    NEXT