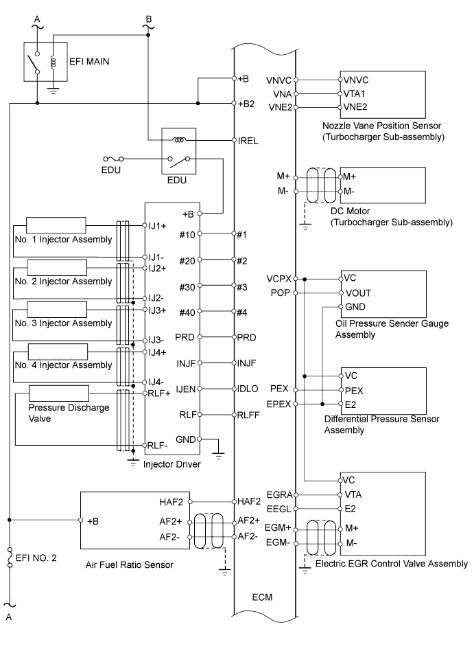
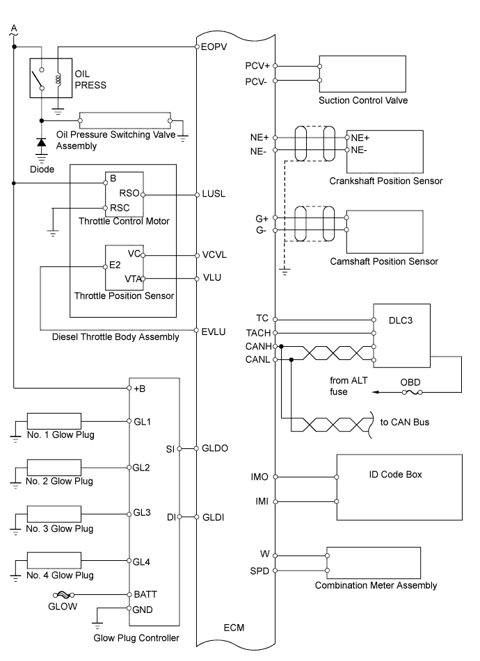
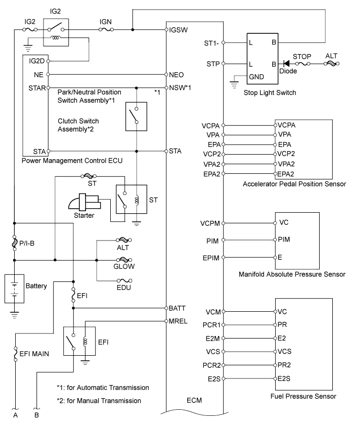
ECD SYSTEM (w/ DPF) SYSTEM DIAGRAM

A01DQY8E01
A01DS1RE01
A01DTQ0E05
A01DMFRE01
A01DRJ5E04