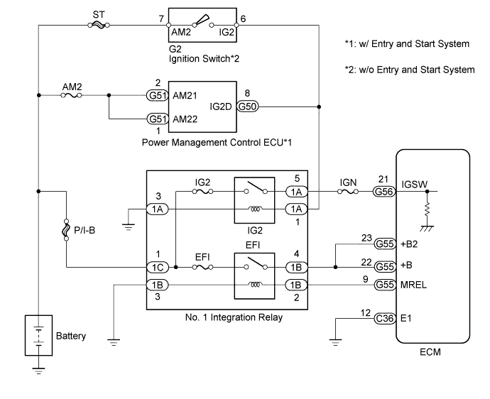
SFI SYSTEM ECM Power Source Circuit

DESCRIPTION

When the ignition switch is turned to ON, battery voltage is applied to the IGSW terminal of the ECM. The output signal from the MREL terminal of the ECM causes a current to flow to the coil, closing the contacts of the No. 1 integration relay (EFI) and supplying power to either terminal +B or +B2 of the ECM.

WIRING DIAGRAM

A01DMPCE01

INSPECTION PROCEDURE

Note

Inspect the fuses for circuits related to this system before performing the following inspection procedure.

PROCEDURE


  1. CHECK HARNESS AND CONNECTOR (NO. 1 INTEGRATION RELAY - BATTERY)

    A01DQZZE02
    Text in Illustration
    *1 Engine Room Relay Block
    *a

    Front view of wire harness connector

    (to No. 1 Integration Relay)


    1. Remove the No. 1 integration relay from the engine room relay block.

    2. Measure the voltage according to the value(s) in the table below.

      Standard Voltage
      Tester Connection Condition Specified Condition
      1C-1 - Body ground Always 11 to 14 V
    3. Reinstall the No. 1 integration relay.


    NG
    OK
  2. INSPECT NO. 1 INTEGRATION RELAY (EFI AND IG2)


    1. Inspect the EFI relay Click here.

    2. Inspect the IG2 relay Click here.


    NG
    OK
  3. CHECK HARNESS AND CONNECTOR (+B, +B2 AND MREL CIRCUIT)


    1. Check the harness and connectors between the No. 1 integration relay and ECM.


      1. Remove the No. 1 integration relay from the engine room relay block.

      2. Disconnect the ECM connector.

      3. Measure the resistance according to the value(s) in the table below.

        Standard Resistance (Check for Open)
        Tester Connection Condition Specified Condition
        G55-9 (MREL) - 1B-2 Always Below 1 Ω
        G55-22 (+B) - 1B-4 Always Below 1 Ω
        G55-23 (+B2) - 1B-4 Always Below 1 Ω
        Standard Resistance (Check for Short)
        Tester Connection Condition Specified Condition
        G55-9 (MREL) or 1B-2 - Body ground Always 10 kΩ or higher
        G55-22 (+B) or 1B-4 - Body ground Always 10 kΩ or higher
        G55-23 (+B2) or 1B-4 - Body ground Always 10 kΩ or higher
      4. Reinstall the No. 1 integration relay.

      5. Reconnect the ECM connector.

    2. Check the harness and connectors between the No. 1 integration relay and body ground.


      1. Remove the No. 1 integration relay from the engine room relay block.

      2. Measure the resistance according to the value(s) in the table below.

        Standard Resistance (Check for Open)
        Tester Connection Condition Specified Condition
        1B-3 - Body ground Always Below 1 Ω
      3. Reinstall the No. 1 integration relay.


    NG
    OK
  4. CHECK HARNESS AND CONNECTOR (ECM - BODY GROUND)


    1. Disconnect the ECM connector.

    2. Measure the resistance according to the value(s) in the table below.

      Standard Resistance (Check for Open)
      Tester Connection Condition Specified Condition
      C36-12 (E1) - Body ground Always Below 1 Ω
    3. Reconnect the ECM connector.


    NG
    OK
  5. INSPECT ECM (IGSW VOLTAGE)

    A01DU49E37
    Text in Illustration
    *a

    Component with harness connected

    (ECM)


    1. Measure the voltage according to the value(s) in the table below.

      Standard Voltage
      Tester Connection Switch Condition Specified Condition
      G56-21 (IGSW) - C36-12 (E1) Ignition switch ON 11 to 14 V

    NG
    OK
  6. CHECK HARNESS AND CONNECTOR (NO. 1 INTEGRATION RELAY - ECM, NO. 1 INTEGRATION RELAY - BODY GROUND)


    1. Remove the No. 1 integration relay from the engine room relay block.

    2. Disconnect the ECM connector.

    3. Measure the resistance according to the value(s) in the table below.

      Standard Resistance (Check for Open)
      Tester Connection Condition Specified Condition
      1A-5 - G56-21 (IGSW) Always Below 1 Ω
      Standard Resistance (Check for Short)
      Tester Connection Condition Specified Condition
      1A-5 or G56-21 (IGSW) - Body ground Always 10 kΩ or higher
    4. Reinstall the No. 1 integration relay.

    5. Reconnect the ECM connector.


    NG
    OK
  7. CHECK IF VEHICLE IS EQUIPPED WITH ENTRY AND START SYSTEM

    Result
    Result Proceed to
    w/ Entry and Start System A
    w/o Entry and Start System B

    B
    A
  8. CHECK HARNESS AND CONNECTOR (POWER MANAGEMENT CONTROL ECU - NO. 1 INTEGRATION RELAY)


    1. Remove the No. 1 integration relay from the engine room relay block.

    2. Disconnect the power management control ECU connector.

    3. Measure the resistance according to the value(s) in the table below.

      Standard Resistance (Check for Open)
      Tester Connection Condition Specified Condition
      G50-8 (IG2D) - 1A-1 Always Below 1 Ω
      Standard Resistance (Check for Short)
      Tester Connection Condition Specified Condition
      G50-8 (IG2D) or 1A-1 - Body ground Always 10 kΩ or higher
    4. Reinstall the No. 1 integration relay.

    5. Reconnect the power management control ECU connector.


    NG
    OK
  9. CHECK ENTRY AND START SYSTEM (POWER SOURCE MODE DOES NOT CHANGE)


    1. Check the entry and start system Click here.


    NG
    OK
  10. CHECK HARNESS AND CONNECTOR (IGNITION SWITCH - NO. 1 INTEGRATION RELAY)


    1. Remove the No. 1 integration relay from the engine room relay block.

    2. Disconnect the ignition switch connector.

    3. Measure the resistance according to the value(s) in the table below.

      Standard Resistance (Check for Open)
      Tester Connection Condition Specified Condition
      G2-6 (IG2) - 1A-1 Always Below 1 Ω
      Standard Resistance (Check for Short)
      Tester Connection Condition Specified Condition
      G2-6 (IG2) or 1A-1 - Body ground Always 10 kΩ or higher
    4. Reinstall the No. 1 integration relay.

    5. Reconnect the ignition switch connector.


    NG
    OK
  11. INSPECT IGNITION SWITCH ASSEMBLY


    1. Inspect the ignition switch assembly Click here.


    NG
    OK