SFI SYSTEM, Diagnostic DTC:P2431, P2432, P2433, P2436, P2437, P2438

DTC Code DTC Name
P2431 Secondary Air Injection System Air Flow / Pressure Sensor Circuit Range / Performance Bank1
P2432 Secondary Air Injection System Air Flow / Pressure Sensor Circuit Low Bank1
P2433 Secondary Air Injection System Air Flow / Pressure Sensor Circuit High Bank1
P2436 Secondary Air Injection System Air Flow / Pressure Sensor Circuit Bank2
P2437 Open in Secondary Air Injection System Air Flow / Pressure Sensor Circuit Bank2
P2438 Short in Secondary Air Injection System Air Flow / Pressure Sensor Circuit Bank2

DESCRIPTION

Refer to DTC P0412 Click here.

Refer to DTC P0416 Click here.

DTC No. DTC Detection Condition Trouble Area

P2431

P2436

Pressure sensor indicates a value below 45.6 kPa (342 mmHg), or higher than 135 kPa (1013 mmHg) for 5 seconds or more (2 trip detection logic).
  • Pressure sensor

  • Open or short in pressure sensor circuit

  • ECM

P2432

P2437

While the engine is running, voltage output of the pressure sensor is below 0.5 V (1 trip detection logic).
  • Pressure sensor

  • Open or short in pressure sensor circuit

  • ECM

P2433

P2438

While the engine is running, voltage output of the pressure sensor is higher than 4.5 V (1 trip detection logic)
  • Pressure sensor

  • Open or short in pressure sensor circuit

  • ECM

MONITOR DESCRIPTION

A01DQPNE11

The ECM monitors the pressure inside the air passage of the secondary air injection system using the pressure sensor of the air switching valve assembly. If the ECM detects a malfunction in the sensor or sensor circuit, it stores a DTC.

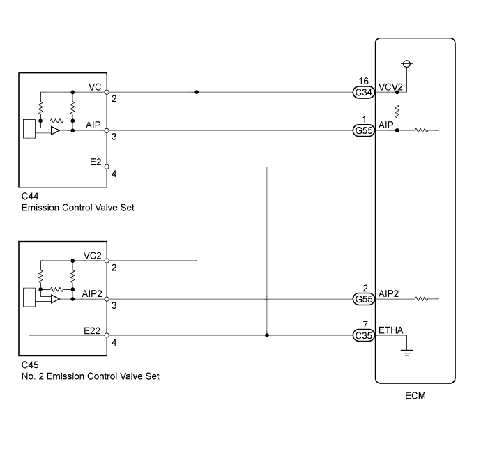
WIRING DIAGRAM

A01DP02E14

INSPECTION PROCEDURE

Tech Tips

Read freeze frame data using the intelligent tester. Freeze frame data records the engine condition when malfunctions are detected. When troubleshooting, freeze frame data can help determine if the vehicle was moving or stationary, if the engine was warmed up or not, if the air-fuel ratio was lean or rich, and other data from the time the malfunction occurred.

PROCEDURE


  1. CHECK HARNESS AND CONNECTOR (PRESSURE SENSOR - ECM)


    1. Disconnect the pressure sensor connector.

    2. Disconnect the ECM connector.

    3. Measure the resistance according to the value(s) in the table below.

      Standard Resistance (Check for Open)
      Tester Connection Condition Specified Condition
      C44-3 (AIP) - G55-1 (AIP) Always Below 1 Ω
      C44-2 (VC) - C34-16 (VCV2) Always Below 1 Ω
      C44-4 (E2) - C35-7 (ETHA) Always Below 1 Ω
      C45-3 (AIP2) - G55-2 (AIP2) Always Below 1 Ω
      C45-2 (VC2) - C34-16 (VCV2) Always Below 1 Ω
      C45-4 (E22) - C35-7 (ETHA) Always Below 1 Ω
      Standard Resistance (Check for Short)
      Tester Connection Condition Specified Condition
      C44-3 (AIP) or G55-1 (AIP) - Body ground Always 10 kΩ or higher
      C44-2 (VC) or C34-16 (VCV2) - Body ground Always 10 kΩ or higher
      C45-3 (AIP2) or G55-2 (AIP2) - Body ground Always 10 kΩ or higher
      C45-2 (VC2) or C34-16 (VCV2) - Body ground Always 10 kΩ or higher
    4. Reconnect the pressure sensor connector.

    5. Reconnect the ECM connector.


    NG
    OK
  2. INSPECT EMISSION CONTROL VALVE SET (PRESSURE SENSOR)


    1. Connect the intelligent tester to the DLC3.

    2. Turn the ignition switch to ON and turn the intelligent tester on.

    3. Enter the following menus: Powertrain / Engine and ECT / Data List / Air pump pressure (absolute) or Air pump2 pressure (absolute).

    4. Check the pressure displayed on the intelligent tester.

      Standard pressure
      45 to 135 kPa

      Tech Tips

      The intelligent tester displays the air pump pressure as an absolute pressure.

      Result
      Result Proceed to
      OK A
      NG (for Bank 1) B
      NG (for Bank 2) C

    B
    C
    A