SFI SYSTEM, Diagnostic DTC:P2102, P2103

DTC Code DTC Name
P2102 Throttle Actuator Control Motor Circuit Low
P2103 Throttle Actuator Control Motor Circuit High

DESCRIPTION

The throttle actuator is operated by the ECM and opens and closes the throttle valve using gears.

The opening angle of the throttle valve is detected by the throttle position sensor, which is mounted on the throttle body with motor assembly. The throttle position sensor provides feedback to the ECM. This feedback allows the ECM to appropriately control the throttle actuator and monitor the throttle opening angle as the ECM responds to driver inputs.

Tech Tips

This ETCS (Electronic Throttle Control System) does not use a throttle cable.

DTC No. DTC Detection Condition Trouble Area
P2102

Conditions (a) and (b) are met for 2.0 seconds (1 trip detection logic):

(a) The throttle actuator duty ratio is 80% or more.

(b) The throttle actuator current is 0.5 A or less.


  • Open in throttle actuator circuit

  • Throttle actuator

  • ECM

P2103

Either condition is met (1 trip detection logic):


  • A hybrid IC diagnosis signal failure.

  • A hybrid IC current limiter port failure.


  • Short in throttle actuator circuit

  • Throttle actuator

  • Throttle valve

  • Throttle body with motor assembly

  • ECM

MONITOR DESCRIPTION

The ECM monitors the electrical current through the electronic actuator, and detects malfunctions and open circuits in the throttle actuator based on this value. If the current is outside the standard range, the ECM determines that there is a malfunction in the throttle actuator. In addition, if the throttle valve does not function properly (for example, it becomes stuck on), the ECM determines that there is a malfunction. The ECM then illuminates the MIL and stores a DTC.


FAIL-SAFE

When either of these DTCs as well as other DTCs relating to ETCS (Electronic Throttle Control System) malfunctions are stored, the ECM enters fail-safe mode. During fail-safe mode, the ECM cuts the current to the throttle actuator, and the throttle valve is returned to a 7° throttle angle by the return spring. The ECM then adjusts the engine output by controlling the fuel injection (intermittent fuel-cut) and ignition timing in accordance with the accelerator pedal opening angle to allow the vehicle to continue running at a minimal speed. If the accelerator pedal is depressed firmly and gently, the vehicle can be driven slowly.

The ECM continues operating in fail-safe mode until a pass condition is detected, and the ignition switch is then turned off.

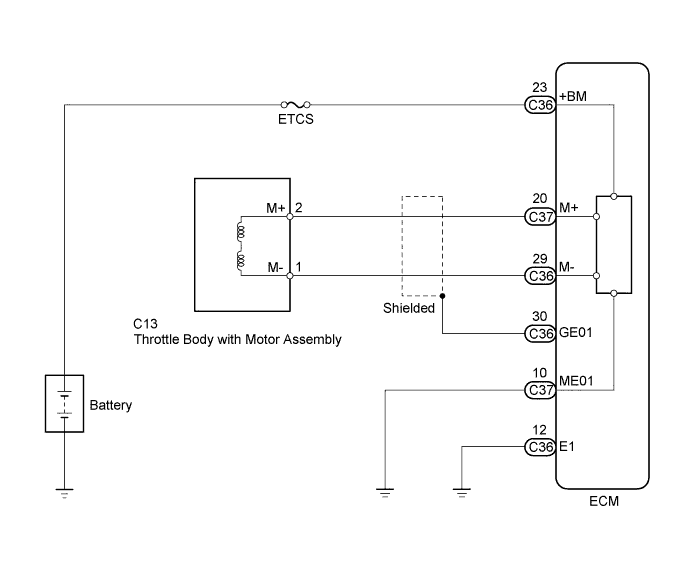
WIRING DIAGRAM

A01DNBDE05

INSPECTION PROCEDURE

Tech Tips


  • Read freeze frame data using the intelligent tester. Freeze frame data records the engine condition when malfunctions are detected. When troubleshooting, freeze frame data can help determine if the vehicle was moving or stationary, if the engine was warmed up or not, if the air fuel ratio was lean or rich, and other data from the time the malfunction occurred.

  • The throttle actuator current (Throttle Motor Current) and the throttle actuator duty ratio (Throttle Motor Open Duty / Throttle Motor Close Duty) can be read using the intelligent tester. However, the ECM shuts off the throttle actuator current when the ETCS malfunctions.

PROCEDURE


  1. INSPECT THROTTLE BODY WITH MOTOR ASSEMBLY (RESISTANCE OF THROTTLE ACTUATOR)


    1. Inspect the throttle body with motor assembly Click here.


    NG
    OK
  2. CHECK HARNESS AND CONNECTOR (THROTTLE ACTUATOR - ECM)


    1. Disconnect the throttle body with motor assembly connector.

    2. Disconnect the ECM connector.

    3. Measure the resistance according to the value(s) in the table below.

      Standard Resistance (Check for Open)
      Tester Connection Condition Specified Condition
      C13-2 (M+) - C37-20 (M+) Always Below 1 Ω
      C13-1 (M-) - C36-29 (M-) Always Below 1 Ω
      Standard Resistance (Check for Short)
      Tester Connection Condition Specified Condition
      C13-2 (M+) or C37-20 (M+) - Body ground Always 10 kΩ or higher
      C13-1 (M-) or C36-29 (M-) - Body ground Always 10 kΩ or higher
    4. Reconnect the throttle body with motor assembly connector.

    5. Reconnect the ECM connector.


    NG
    OK
  3. INSPECT THROTTLE BODY WITH MOTOR ASSEMBLY (VISUALLY CHECK THROTTLE VALVE)


    1. Check for foreign objects between the throttle valve and housing.

      OK
      No foreign objects between the throttle valve and housing.

    NG
    OK
  4. INSPECT THROTTLE VALVE


    1. Check if the throttle valve opens and closes smoothly.

      OK
      Throttle valve opens and closes smoothly.

    NG
    OK