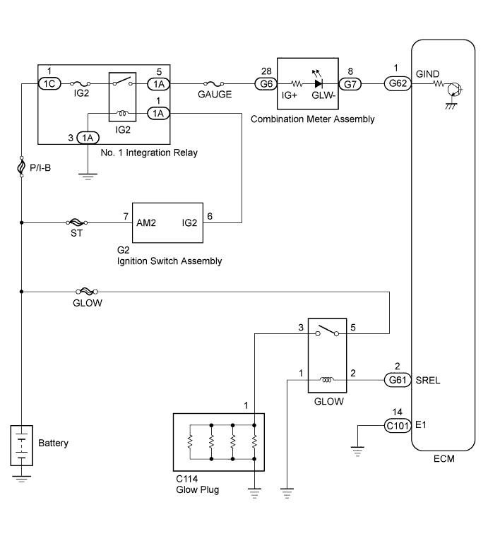
ECD SYSTEM Pre-heating Control Circuit

DESCRIPTION

When the ignition switch is turned to ON, the ECM calculates the glow indicator lighting time/heating corresponding to the coolant temperature at that time and turns on the glow indicator light/glow plug relay (GLOW).

As ceramic is used for glow plug assembly material, current control is not performed.

A01DUI1E02

WIRING DIAGRAM

A01DTLUE01

INSPECTION PROCEDURE

Note

Inspect the fuses for circuits related to this system before performing the following inspection procedure.

PROCEDURE


  1. CHECK GLOW INDICATOR LIGHT


    1. Turn the ignition switch to ON.

    2. Check that the glow indicator light comes on.

      OK
      The glow indicator light remains on for 0.5 seconds or more, and then goes off.

    NG
    OK
  2. CHECK GLOW PLUG ASSEMBLY (INSTALLATION)


    1. Check that the glow plug assembly and glow plug wire are securely installed.

      OK
      The glow plug assembly and glow plug wire are securely installed.

    NG
    OK
  3. INSPECT GLOW PLUG ASSEMBLY (RESISTANCE)


    1. Inspect the glow plug assembly Click here.


    NG
    OK
  4. CHECK INDICATOR LIGHTING TIME AND AFTER GLOW TIME


    NG
    OK
  5. READ OUTPUT DTC


    1. Connect the intelligent tester to the DLC3.

    2. Turn the ignition switch to ON and turn the tester on.

    3. Enter the following menus: Powertrain / Engine and ECT / DTC.

    4. Read the DTCs Click here.

      Result
      Result Proceed to
      DTC is not output A
      DTC is output B

    B
    A
  6. INSPECT GLOW RELAY ASSEMBLY


    1. Inspect the glow plug relay (GLOW) Click here.


    NG
    OK
  7. CHECK ECM (SREL VOLTAGE)


    1. A01DUBVE95
      Text in Illustration
      *a

      Component with harness connected

      (ECM)

      Turn the ignition switch to the start position.

    2. Measure the voltage according to the value(s) in the table below.

      Standard Voltage
      Tester Connection Condition Specified Condition
      G61-2 (SREL) - C101-14 (E1) Cranking 11 to 14 V

    NG
    OK
  8. CHECK HARNESS AND CONNECTOR (GLOW RELAY - ECM AND BODY GROUND)


    1. Disconnect the ECM connector.

    2. Remove the glow relay from the engine room relay block.

    3. Measure the resistance according to the value(s) in the table below.

      Standard Resistance (Check for Open)
      Tester Connection Condition Specified Condition
      G61-2 (SREL) - Relay block glow relay terminal 2 Always Below 1 Ω
      Relay block glow relay terminal 1 - Body ground Always Below 1 Ω
      Standard Resistance (Check for Short)
      Tester Connection Condition Specified Condition
      G61-2 (SREL) or relay block glow relay terminal 2 - Body ground Always 10 kΩ or higher
    4. Reconnect the ECM connector.

    5. Reinstall the glow relay.


    NG
    OK
  9. CHECK HARNESS AND CONNECTOR (GLOW PLUG RELAY (GLOW) - GLOW PLUG ASSEMBLY AND BATTERY)


    1. Disconnect the cable from the negative (-) battery terminal.

    2. Disconnect the cable from the positive (+) battery terminal.

    3. Remove the glow relay from the engine room relay block.

    4. Disconnect the glow plug wire.

    5. Measure the resistance according to the value(s) in the table below.

      Standard Resistance (Check for Open)
      Tester Connection Condition Specified Condition
      Relay block glow relay terminal 3 - C114-1 Always Below 1 Ω
      Relay block glow relay terminal 5 - Positive (+) battery terminal Always Below 1 Ω

      Note

      After reconnecting the battery cable, the radio and clock need to be adjusted as they were previously.

    6. Reinstall the glow relay.

    7. Reconnect the glow plug wire.

    8. Reconnect the cable to the positive (+) battery terminal.

    9. Reconnect the cable to the negative (-) battery terminal.


    NG
    OK
  10. CHECK ECM (GIND VOLTAGE)


    1. A01DQV4E17
      Text in Illustration
      *a

      Rear view of wire harness connector

      (to ECM)

      Disconnect the ECM connector.

    2. Turn the ignition switch to ON.

    3. Measure the voltage according to the value(s) in the table below.

      Standard Voltage
      Tester Connection Switch Condition Specified Condition
      G62-1 (GIND) - C101-14 (E1) Ignition switch ON 11 to 14 V
    4. Reconnect the ECM connector.


    NG
    OK
  11. CHECK HARNESS AND CONNECTOR (ECM - COMBINATION METER ASSEMBLY)


    1. Disconnect the combination meter assembly connector.

    2. Disconnect the ECM connector.

    3. Measure the resistance according to the value(s) in the table below.

      Standard Resistance
      Tester Connection Condition Specified Condition
      G7-8 - G62-1 (GIND) Always Below 1 Ω
    4. Reconnect the combination meter assembly connector.

    5. Reconnect the ECM connector.


    NG
    OK
  12. CHECK HARNESS AND CONNECTOR (COMBINATION METER ASSEMBLY - BATTERY)


    1. A01DMOIE06
      Text in Illustration
      *a

      Front view of wire harness connector

      (to Combination Meter Assembly)

      Disconnect the combination meter assembly connector.

    2. Turn the ignition switch to ON.

    3. Measure the voltage according to the value(s) in the table below.

      Standard Voltage
      Tester Connection Switch Condition Specified Condition
      G6-28 - Body ground Ignition switch ON 11 to 14 V
    4. Reconnect the combination meter assembly connector.


    NG
    OK