СИСТЕМА СТЕКЛООЧИСТИТЕЛЕЙ И СТЕКЛООМЫВАТЕЛЕЙ Цепь датчика дождя

ОПИСАНИЕ

Цепь обеспечивает питание для работы датчика дождя.

Система автоматического стеклоочистителя приводится в действие, когда переключатель стеклоочистителя ветрового стекла находится в положении AUTO.

Датчик дождя подключается к каждому ЭБУ через цепь мультиплексной системы передачи данных (BEAN).

Когда датчик дождя регистрирует дождевые капли в области обнаружения на ветровом стекле, он передает в левый главный ЭБУ кузова (распределительный блок с левой стороны кожуха) сигнал управления стеклоочистителем, соответствующий интенсивности дождя.

Датчик дождя также направляет сигналы на адаптивную радарную систему круиз-контроля и систему обогревателя зеркала.

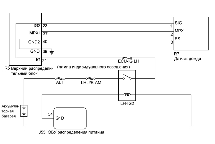
СХЕМА СОЕДИНЕНИЙ

A016329E01

ПОСЛЕДОВАТЕЛЬНОСТЬ ПРОВЕРКИ

Tech Tips


  • Перед выполнением следующей процедуры проверьте, чтобы отсутствовали коды DTC, относящиеся к мультиплексной системе передачи данных (MPX) (см. стр. Click here).

  • Перед выполнением следующей процедуры проверьте правильность установки ленты датчика дождя.

ПОРЯДОК ВЫПОЛНЕНИЯ


  1. ПРОВЕРЬТЕ ДАТЧИК ДОЖДЯ


    1. A0162XHE01

      Отсоедините разъем R7 датчика дождя.

    2. Измерьте напряжение в соответствии со значениями, приведенными в таблице ниже.

      Номинальное напряжение
      Контакты для подключения диагностического прибора Положение выключателя Заданные условия
      R7-1 (SIG) - R7-3 (ES) Зажигание включено (IG) 11-14 В
      Зажигание выключено Менее 1 В

    NG :
    OK :ПЕРЕЙДИТЕ К ПРОВЕРКЕ СЛЕДУЮЩЕЙ ЦЕПИ, УКАЗАННОЙ В ТАБЛИЦЕ ПРИЗНАКОВ НЕИСПРАВНОСТЕЙ
  2. ПРОВЕРЬТЕ ВЕРХНИЙ РАСПРЕДЕЛИТЕЛЬНЫЙ БЛОК (ЛАМПУ ИНДИВИДУАЛЬНОГО ОСВЕЩЕНИЯ В СБОРЕ)


    1. A01605LE01

      Измерьте напряжение в соответствии со значениями, приведенными в таблице ниже.

      Номинальное напряжение
      Контакты для подключения диагностического прибора Положение выключателя Заданные условия
      R5-23 (IG2) - R5-40 (GND2) Зажигание включено (IG) 11-14 В
      Зажигание выключено Менее 1 В

    NG :
    OK :ОТРЕМОНТИРУЙТЕ ИЛИ ЗАМЕНИТЕ ЖГУТ ПРОВОДОВ ИЛИ РАЗЪЕМ (ДАТЧИК ДОЖДЯ - ВЕРХНИЙ РАСПРЕДЕЛИТЕЛЬНЫЙ БЛОК)
  3. ПРОВЕРЬТЕ ЖГУТ ПРОВОДОВ И РАЗЪЕМ (ВЕРХНИЙ РАСПРЕДЕЛИТЕЛЬНЫЙ БЛОК – АККУМУЛЯТОРНАЯ БАТАРЕЯ И МАССА)


    1. A01631RE07

      Отсоедините разъем R5 верхнего распределительного блока.

    2. Измерьте сопротивление в соответствии со значениями, приведенными в таблице ниже.

      Номинальное сопротивление
      Контакты для подключения диагностического прибора Положение выключателя Заданные условия
      R5-39 (GND) - масса Всегда Менее 1 Ом
    3. Измерьте напряжение в соответствии со значениями, приведенными в таблице ниже.

      Номинальное напряжение
      Контакты для подключения диагностического прибора Положение выключателя Заданные условия
      R5-21 (IG) - R5-39 (GND) Зажигание включено (IG) 11-14 В
      Зажигание выключено Менее 1 В

    NG :ОТРЕМОНТИРУЙТЕ ИЛИ ЗАМЕНИТЕ ЖГУТ ПРОВОДОВ ИЛИ РАЗЪЕМ
    OK :ЗАМЕНИТЕ ВЕРХНИЙ РАСПРЕДЕЛИТЕЛЬНЫЙ БЛОК (ЛАМПУ ИНДИВИДУАЛЬНОГО ОСВЕЩЕНИЯ В СБОРЕ)