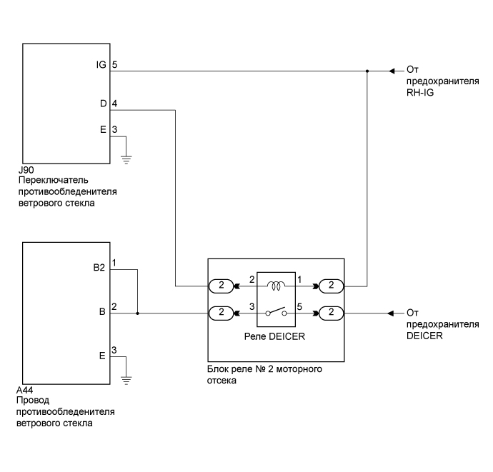
СИСТЕМА ПРОТИВООБЛЕДЕНИТЕЛЯ ВЕТРОВОГО СТЕКЛА СХЕМА СИСТЕМЫ

A01638IE01