ПРОТИВОУГОННАЯ СИСТЕМА Цепь питания ЭБУ

ОПИСАНИЕ

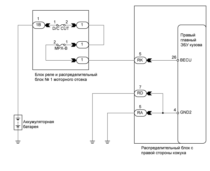
По этой цепи подается питание на правый главный ЭБУ кузова.

СХЕМА СОЕДИНЕНИЙ

A0161FFE01

ПОСЛЕДОВАТЕЛЬНОСТЬ ПРОВЕРКИ

ПОРЯДОК ВЫПОЛНЕНИЯ


  1. ПРОВЕРЬТЕ ПЛАВКИЙ ПРЕДОХРАНИТЕЛЬ (D/C CUT, MPX-B)


    1. Извлеките предохранители D/C CUT и MPX-B из распределительного блока и блока реле моторного отсека № 1.

    2. Измерьте сопротивление в соответствии со значениями, приведенными в таблице.

      Номинальное сопротивление
      Контакты для подключения диагностического прибора Режим Заданные условия
      Предохранитель D/C CUT Всегда Менее 1 Ом
      Предохранитель MPX-B Всегда Менее 1 Ом

    NG :ЗАМЕНИТЕ ПЛАВКИЙ ПРЕДОХРАНИТЕЛЬ
    OK :
  2. ПРОВЕРЬТЕ РАСПРЕДЕЛИТЕЛЬНЫЙ БЛОК С ПРАВОЙ СТОРОНЫ КОЖУХА (ИСТОЧНИК ПИТАНИЯ)


    1. Установите предохранители D/C CUT и MPX-B в распределительный блок и блок реле моторного отсека № 1.

    2. A0163I1E01

      Отсоедините разъем RK распределительного блока с правой стороны кожуха.

    3. Измерьте напряжение в соответствии со значениями, приведенными в таблице ниже.

      Номинальное напряжение
      Контакты для подключения диагностического прибора Режим Заданные условия
      RK-5 (+B) - масса Всегда 11-14 В

    NG :ОТРЕМОНТИРУЙТЕ ИЛИ ЗАМЕНИТЕ ЖГУТ ПРОВОДОВ ИЛИ РАЗЪЕМ
    OK :
  3. ПРОВЕРЬТЕ ЖГУТ ПРОВОДОВ И РАЗЪЕМ (ПРАВЫЙ ГЛАВНЫЙ ЭБУ КУЗОВА (РАСПРЕДЕЛИТЕЛЬНЫЙ БЛОК С ПРАВОЙ СТОРОНЫ КОЖУХА))


    1. A0163JBE01

      Отсоедините разъемы RD и RA распределительного блока с правой стороны кожуха.

    2. Измерьте сопротивление в соответствии со значениями, приведенными в таблице.

      Номинальное сопротивление
      Контакты для подключения диагностического прибора Режим Заданные условия
      RD-7 (E) - масса Всегда Менее 1 Ом
      RA-5 (-S) - масса Всегда

    NG :ОТРЕМОНТИРУЙТЕ ИЛИ ЗАМЕНИТЕ ЖГУТ ПРОВОДОВ ИЛИ РАЗЪЕМ
    OK :ПЕРЕЙДИТЕ К ПРОВЕРКЕ СЛЕДУЮЩЕЙ ЦЕПИ, УКАЗАННОЙ В ТАБЛИЦЕ ПРИЗНАКОВ НЕИСПРАВНОСТЕЙ