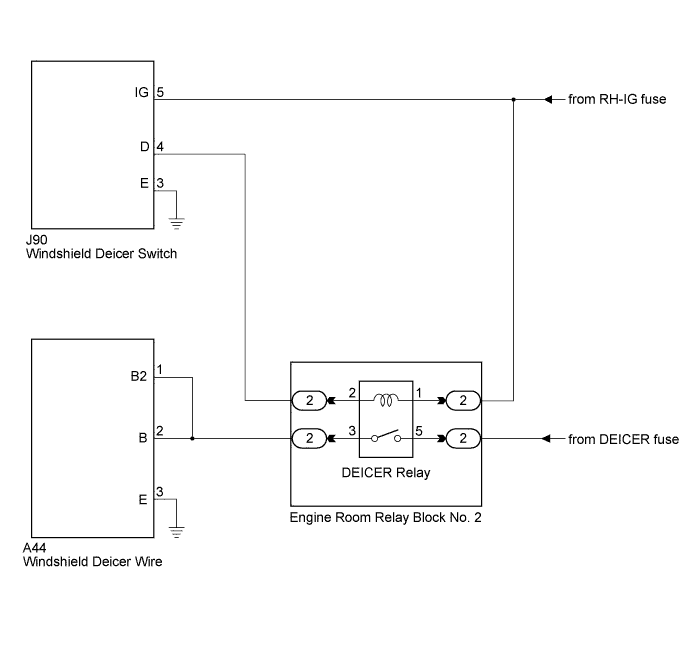
WINDSHIELD DEICER SYSTEM SYSTEM DIAGRAM

A01638IE01