ПРОТИВОУГОННАЯ СИСТЕМА (для моделей без интеллектуальной системы посадки и запуска) Цепь питания ЭБУ

ОПИСАНИЕ

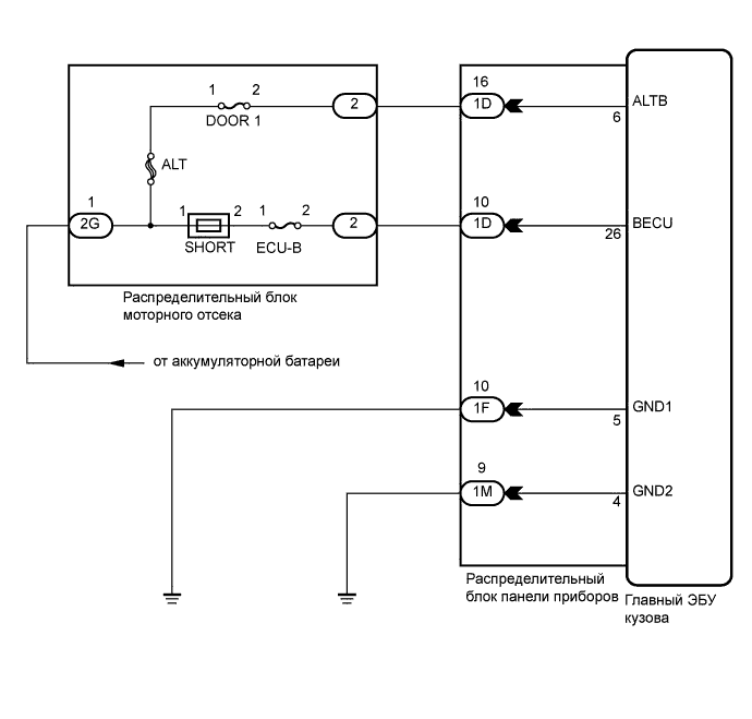
По этой цепи подается питание на главный ЭБУ кузова.

СХЕМА СОЕДИНЕНИЙ

A017CVHE04

ПОСЛЕДОВАТЕЛЬНОСТЬ ПРОВЕРКИ

ПОРЯДОК ВЫПОЛНЕНИЯ


  1. ПРОВЕРЬТЕ РАСПРЕДЕЛИТЕЛЬНЫЙ БЛОК ПАНЕЛИ ПРИБОРОВ (ГЛАВНЫЙ ЭБУ КУЗОВА (ИСТОЧНИК ПИТАНИЯ))


    1. A017F9OE02

      Отсоедините разъем распределительного блока 1D.

    2. Измерьте напряжение в соответствии со значениями, приведенными в таблице.

      Номинальное напряжение
      Контакты для подключения диагностического прибора Заданные условия
      1D-10 - масса 11-14 В
      1D-16 - масса 11-14 В

    NG
    OK
  2. ПРОВЕРЬТЕ ЖГУТ ПРОВОДОВ И РАЗЪЕМ (РАСПРЕДЕЛИТЕЛЬНЫЙ БЛОК ПАНЕЛИ ПРИБОРОВ – МАССА)


    1. A017EZ9E04

      Отсоедините разъемы 1F и 1M распределительного блока.

    2. Измерьте сопротивление в соответствии со значениями, приведенными в таблице ниже.

      Номинальное сопротивление
      Контакты для подключения диагностического прибора Заданные условия
      1F-10 - масса Менее 1 Ом
      1M-9 - масса Менее 1 Ом

    NG
    OK