СИСТЕМА КУРСОВОЙ УСТОЙЧИВОСТИ, Diagnostic DTC:C1425

Код DTC Наименование DTC
C1425 Обрыв в цепи выключателя стоп-сигналов

ОПИСАНИЕ

ЭБУ системы противоскольжения (встроенный в блок управления рабочими цилиндрами тормозов в сборе) принимает сигналы выключателя-стоп сигналов и определяет состояние тормозной системы.

ЭБУ системы противоскольжения имеет цепь регистрации обрыва цепи, которая выводит этот DTC при обнаружении обрыва во входной цепи стоп-сигналов или цепи массы стоп-сигналов, когда выключатель стоп-сигналов выключен (педаль тормоза не нажата).

Код DTC Условие обнаружения DTC Неисправный участок
C1425 При напряжении на контакте IG1 от 9,5 до 17,4 В в течение не менее 3 с сохраняется обрыв в цепи выключателя стоп-сигналов.
  • Предохранитель STOP

  • Выключатель стоп-сигналов

  • Цепь выключателя стоп-сигналов

  • Реле управления стоп-сигналами

  • Цепь реле управления стоп-сигналами

  • Блок управления рабочими цилиндрами тормозов в сборе (ЭБУ системы противоскольжения)

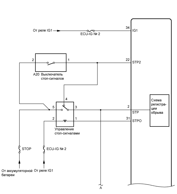
СХЕМА СОЕДИНЕНИЙ

A017FG3E01
A017BF0E02

ПОСЛЕДОВАТЕЛЬНОСТЬ ПРОВЕРКИ

Note

При замене блока управления рабочими цилиндрами тормозов выполните калибровку "нуля" датчика (см. стр. Click here).

ПОРЯДОК ВЫПОЛНЕНИЯ


  1. ПРОВЕРЬТЕ РАБОТУ СТОП-СИГНАЛОВ


    1. Убедитесь, что при нажатии педали тормоза стоп-сигналы включаются, а при отпускании – гаснут.

      OK
      Условие Состояние освещения
      Педаль тормоза нажата ON (ВКЛ)
      Педаль тормоза отпущена OFF (ВЫКЛ)

    NG
    OK
  2. СНИМИТЕ ПОКАЗАНИЯ ПОРТАТИВНОГО ДИАГНОСТИЧЕСКОГО ПРИБОРА (ВЫКЛЮЧАТЕЛЬ СТОП-СИГНАЛОВ)


    1. Подсоедините портативный диагностический прибор к DLC3.

    2. Включите зажигание (IG).

    3. Выберите режим Data List портативного диагностического прибора (см. стр. Click here).

      ABS / VSC / TRC:
      Информация на дисплее прибора Измеряемая величина / диапазон измерения Нормальное состояние Замечание по диагностике
      Stop Light SW Состояние выключателя стоп-сигналов / ON (ВКЛ) или OFF (ВЫКЛ)

      ON (ВКЛ): педаль тормоза нажата

      OFF (ВЫКЛ): педаль тормоза отпущена

      -
    4. Убедитесь, что состояние выключателя стоп-сигналов на дисплее портативного диагностического прибора изменяется в соответствии с состоянием педали тормоза.

      OK
      На экране портативного диагностического прибора отображается ON (ВКЛ) или OFF (ВЫКЛ) в соответствии с нажатием педали тормоза.

    NG
    OK
  3. СНОВА ПРОВЕРЬТЕ DTC


    1. Выключите зажигание.

    2. Сбросьте коды DTC (см. стр. Click here).

    3. Запустите двигатель.

    4. Нажмите педаль тормоза несколько раз, чтобы проверить работу цепи стоп-сигналов.

    5. Проверьте, регистрируется ли тот же DTC (см. стр. Click here).

      Результат
      Результат Следующий шаг
      Выводится DTC (C1425) А
      Выводится DTC (C1425) B

      Tech Tips

      Если поиск неисправностей выполнялся в соответствии с таблицей признаков неисправностей, вернитесь к таблице и перейдите к следующему шагу (см. стр. Click here).


    B
    А
  4. ПРОВЕРЬТЕ ПРЕДОХРАНИТЕЛЬ STOP


    1. A017FBOE02

      Извлеките предохранитель STOP из главного ЭБУ кузова (распределительный блок панели приборов).

    2. Измерьте сопротивление в соответствии со значениями, приведенными в таблице ниже.

      Номинальное сопротивление
      Контакты для подключения диагностического прибора Режим Заданные условия
      Предохранитель STOP (10 А) Всегда Менее 1 Ом

    NG
    OK
  5. ПРОВЕРЬТЕ ВЫКЛЮЧАТЕЛЬ СТОП-СИГНАЛОВ (КОНТАКТ ПИТАНИЯ)


    1. A017GBJE13

      Установите предохранитель STOP.

    2. Проверьте, не ослаблены ли фиксирующая и соединительная части разъема.

    3. Отсоедините разъем выключателя стоп-сигналов.

    4. Измерьте напряжение в соответствии со значениями, приведенными в таблице.

      Номинальное напряжение
      Контакты для подключения диагностического прибора Состояние Заданные условия
      A20-2 - масса Всегда 11 - 14 В

    NG
    OK
  6. ПРОВЕРЬТЕ ВЫКЛЮЧАТЕЛЬ СТОП-СИГНАЛОВ


    1. A017BK7E03

      Измерьте сопротивление в соответствии со значениями, приведенными в таблице ниже.

      Номинальное сопротивление
      Контакты для подключения диагностического прибора Положение переключателя Заданные условия
      1 - 2 Штырь выключателя не нажат Менее 1 Ом
      1 - 2 Штырь выключателя нажат 10 кОм или более

    NG
    OK
  7. ПРОВЕРЬТЕ РЕЛЕ УПРАВЛЕНИЯ СТОП-СИГНАЛАМИ


    1. A017B3RE06

      Снимите реле управления стоп-сигналами.

    2. Измерьте сопротивление в соответствии со значениями, приведенными в таблице ниже.

      Номинальное сопротивление
      Контакты для подключения диагностического прибора Состояние Заданные условия
      3 - 4 Напряжение не подается между контактами 1 и 2 Менее 1 Ом

    NG
    OK
  8. ПРОВЕРЬТЕ ЖГУТ ПРОВОДОВ И РАЗЪЕМ (ВЫКЛЮЧАТЕЛЬ СТОП-СИГНАЛОВ – БЛОК РЕЛЕ МОТОРНОГО ОТСЕКА)


    1. A017B4KE02

      Измерьте сопротивление в соответствии со значениями, приведенными в таблице ниже.

      Номинальное сопротивление
      Контакты для подключения диагностического прибора Состояние Заданные условия
      A20-1 - контакт 4 реле управления стоп-сигналами Всегда Менее 1 Ом
      A20-1 - масса Всегда 10 кОм или более

    NG
    OK
  9. ПРОВЕРЬТЕ ЖГУТ ПРОВОДОВ И РАЗЪЕМ (ЭБУ СИСТЕМЫ ПРОТИВОСКОЛЬЖЕНИЯ – БЛОК РЕЛЕ МОТОРНОГО ОТСЕКА)


    1. A017E2EE01

      Проверьте, не ослаблены ли фиксирующая и соединительная части разъема.

    2. Отсоедините разъем ЭБУ системы противоскольжения.

    3. Измерьте сопротивление в соответствии со значениями, приведенными в таблице ниже.

      Номинальное сопротивление
      Контакты для подключения диагностического прибора Состояние Заданные условия
      A24-2 (STP) - контакт 3 реле управления стоп-сигналами Всегда Менее 1 Ом
      A24-2 (STP) - масса Всегда 10 кОм или более

    NG
    OK
  10. СНОВА ПРОВЕРЬТЕ DTC


    1. Удалите коды DTC (см. стр. Click here).

    2. Запустите двигатель.

    3. Нажмите педаль тормоза несколько раз, чтобы проверить работу цепи стоп-сигналов.

    4. Проверьте, регистрируется ли тот же DTC (см. стр. Click here).

      Tech Tips

      Перед повторной проверкой кодов DTC установите на место реле, разъемы и пр. и верните автомобиль в прежнее состояние.

      Результат
      Результат Следующий шаг
      Выводится DTC (C1425) А
      Выводится DTC (C1425) B

      Tech Tips

      Если поиск неисправностей выполнялся в соответствии с таблицей признаков неисправностей, вернитесь к таблице и перейдите к следующему шагу (см. стр. Click here).


    B
    А
  11. ПРОВЕРЬТЕ ЖГУТ ПРОВОДОВ И РАЗЪЕМ (ЭБУ СИСТЕМЫ ПРОТИВОСКОЛЬЖЕНИЯ – БЛОК РЕЛЕ МОТОРНОГО ОТСЕКА)


    1. A017E2EE01

      Выключите зажигание.

    2. Снимите реле управления стоп-сигналами.

    3. Проверьте, не ослаблены ли фиксирующая и соединительная части разъема.

    4. Отсоедините разъем ЭБУ системы противоскольжения.

    5. Измерьте сопротивление в соответствии со значениями, приведенными в таблице ниже.

      Номинальное сопротивление
      Контакты для подключения диагностического прибора Состояние Заданные условия
      A24-2 (STP) - контакт 3 реле управления стоп-сигналами Всегда Менее 1 Ом
      A24-2 (STP) - масса Всегда 10 кОм или более

      Tech Tips

      Если поиск неисправностей выполнялся в соответствии с таблицей признаков неисправностей, вернитесь к таблице и перейдите к следующему шагу (см. стр. Click here).


    NG
    OK