ИНТЕЛЛЕКТУАЛЬНАЯ СИСТЕМА ПОСАДКИ И ЗАПУСКА, Diagnostic DTC:B2274

Код DTC Наименование DTC
B2274 Сбой контроля ACC

ОПИСАНИЕ

Данный DTC выводится при обнаружении неисправности в выходной цепи ACCD, которая соединяет главный ЭБУ кузова с реле ACC.

Tech Tips

Если главный ЭБУ кузова заменяется новым и подсоединяется отрицательный (-) вывод аккумуляторной батареи, источник питания переходит в режим IG-ON. При снятии и последующей установке аккумуляторной батареи восстанавливается режим источника питания, выбранный на момент снятия аккумуляторной батареи.

После замены главного ЭБУ кузова выполните процедуру регистрации для иммобилайзера двигателя.

№ DTC Условие обнаружения DTC Неисправный участок
B2274 Неисправность цепи включения реле ACC в главном ЭБУ кузова или другой соответствующей цепи.
  • Главный ЭБУ кузова (распределительный блок панели приборов)

  • Реле ACC

  • Жгут проводов или разъем

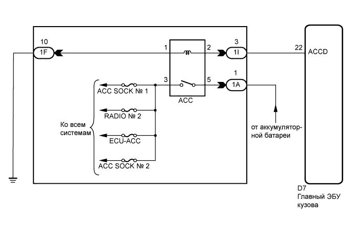
СХЕМА ЭЛЕКТРИЧЕСКИХ СОЕДИНЕНИЙ

A017CQFE04

ПОСЛЕДОВАТЕЛЬНОСТЬ ПРОВЕРКИ

ПОРЯДОК ВЫПОЛНЕНИЯ


  1. СНИМИТЕ ПОКАЗАНИЯ ПОРТАТИВНОГО ДИАГНОСТИЧЕСКОГО ПРИБОРА


    1. Подсоедините портативный диагностический прибор к DLC3.

    2. Включите зажигание (IG) и питание портативного диагностического прибора.

    3. Снимите показания с дисплея портативного диагностического прибора в режиме Data List.

      Tech Tips

      При использовании портативного диагностического прибора с выключенным зажиганием с интервалом 1,5 с включайте и выключайте освещение любого дверного проема до тех пор, пока не установится связь между прибором и автомобилем.

      Body (ЭБУ кузова):
      Информация на дисплее прибора Измеряемая величина / диапазон измерения Нормальное состояние Замечание по диагностике
      ACC Relay Mon Состояние контроля реле ACC / ON (ВКЛ) или OFF (ВЫКЛ)

      ON (ВКЛ): Выключатель зажигания в положении ACC

      OFF (ВЫКЛ): Зажигание выключено

      -
      OK
      На экране прибора отображается "ON" (ВКЛ) (зажигание включено (ACC)).

    NG
    OK
  2. ПРОВЕРЬТЕ СОСТОЯНИЕ ВЫКЛЮЧАТЕЛЯ ЗАЖИГАНИЯ


    1. Проверьте изменение режима источника питания.


      1. Когда ключ находится в автомобиле, и рычаг переключения передач установлен в положение P, убедитесь, что при нажатии выключателя зажигания режим источника питания изменяется следующим образом:

        OK
        Выкл → вкл (ACC) → вкл (IG) → выкл

    NG
    OK
  3. ПРОВЕРЬТЕ, ВЫВОДЯТСЯ ЛИ DTC


    1. Удалите коды DTC (см. стр. Click here).

    2. Вновь проверьте коды DTC.

      OK
      Коды DTC не выводятся.

    NG
    OK
  4. ПРОВЕРЬТЕ РЕЛЕ (РЕЛЕ ACC)


    1. A017B6EE23

      Извлеките реле ACC из блока реле моторного отсека.

    2. Измерьте сопротивление в соответствии со значениями, приведенными в таблице ниже.

      Номинальное сопротивление
      Подключение диагностического прибора Условие Заданные условия
      3 - 5 Напряжение аккумуляторной батареи не подается на контакты 1 и 2 10 кОм или более
      3 - 5 Напряжение аккумуляторной батареи подается на контакты 1 и 2 Менее 1 Ом

    NG
    OK
  5. ПРОВЕРЬТЕ ЖГУТ ПРОВОДОВ И РАЗЪЕМ (ГЛАВНЫЙ ЭБУ КУЗОВА – РАСПРЕДЕЛИТЕЛЬНЫЙ БЛОК ПАНЕЛИ ПРИБОРОВ)


    1. Отсоедините разъем D7 от главного ЭБУ кузова.

      A017C94E36
    2. Отсоедините разъем 1I от распределительного блока панели приборов.

    3. Измерьте сопротивление в соответствии со значениями, приведенными в таблице ниже.

      Номинальное сопротивление
      Подключение диагностического прибора Условие Заданные условия
      1I-3 - D7-22 (ACCD) Всегда Менее 1 Ом
      D7-22 (ACCD) или 1I-3 - масса Всегда 10 кОм или более

    NG
    OK
  6. ПРОВЕРЬТЕ ЖГУТ ПРОВОДОВ И РАЗЪЕМ


    1. A017CS0E04

      Отсоедините разъемы 1A и 1F от распределительного блока панели приборов.

    2. Измерьте сопротивление в соответствии со значениями, приведенными в таблице ниже.

      Номинальное сопротивление
      Подключение диагностического прибора Условие Заданные условия
      1F-10 - масса Всегда Менее 1 Ом
    3. Измерьте напряжение в соответствии со значениями, приведенными в таблице.

      Номинальное напряжение
      Подключение диагностического прибора Условие Заданные условия
      1A-1 - масса Всегда 11-14 В

    NG
    OK