ИНТЕЛЛЕКТУАЛЬНАЯ СИСТЕМА ПОСАДКИ И ЗАПУСКА, Diagnostic DTC:B2284

Код DTC Наименование DTC
B2284 Сбой сигнала тормоза

ОПИСАНИЕ

Tech Tips

Если главный ЭБУ кузова заменяется новым и подсоединяется отрицательный (-) вывод аккумуляторной батареи, источник питания переходит в режим IG-ON. При снятии и последующей установке аккумуляторной батареи восстанавливается режим источника питания, выбранный на момент снятия аккумуляторной батареи.

После замены главного ЭБУ кузова выполните процедуру регистрации для иммобилайзера двигателя.

№ DTC Условие обнаружения DTC Неисправный участок
B2284 Неисправность в цепи сигнала тормоза между главным ЭБУ кузова и выключателем стоп-сигналов, и не согласована информация, передаваемая по шине CAN.
  • Выключатель стоп-сигналов

  • Система передачи данных CAN

  • ECM

  • Главный ЭБУ кузова (распределительный блок панели приборов)

  • Жгут проводов или разъем

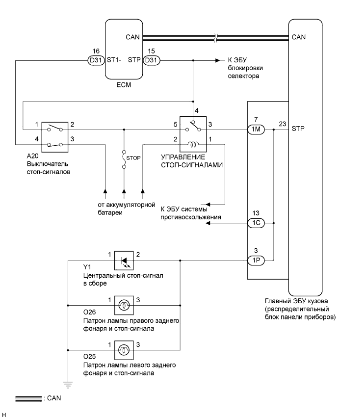
СХЕМА СОЕДИНЕНИЙ

A017ES1E04

ПОСЛЕДОВАТЕЛЬНОСТЬ ПРОВЕРКИ


  1. АВАРИЙНЫЙ ЗАПУСК ДВИГАТЕЛЯ


    1. В случае неисправности цепи выключателя стоп-сигналов или предохранителя STOP их сигналы не могут правильно передаваться в главный ЭБУ кузова. Это может привести к тому, что двигатель не запустится при нажатии выключателя зажигания даже при условии, что нажата педаль тормоза, и рычаг переключения передач находится в положении P.

      Чтобы включить стартер:


      1. Переключите выключатель зажигания из выключенного состояния во включенное (ACC).

      2. Нажмите и удерживайте выключатель зажигания в течение 15 с.

ПОРЯДОК ВЫПОЛНЕНИЯ


  1. ПРОВЕРЬТЕ, ВЫВОДЯТСЯ ЛИ DTC (СИСТЕМЫ ПЕРЕДАЧИ ДАННЫХ CAN)


    1. Удалите коды DTC (см. стр. Click here).

    2. Проверьте, не выводятся ли DTC, относящиеся к мультиплексной шине CAN (см. стр. Click here).

      Tech Tips

      Если выводятся коды DTC системы передачи данных CAN, вначале выполните проверку для этих кодов (см. стр. Click here).

      OK
      Коды DTC, относящиеся к мультиплексной шине CAN, не выводятся.

    NG
    OK
  2. ПРОВЕРЬТЕ, ВЫВОДЯТСЯ ЛИ DTC


    1. Удалите коды DTC (см. стр. Click here).

    2. Вновь проверьте коды DTC.

    3. Перейдите к следующему шагу в соответствии с результатом проверки.

      Результат
      Результат Следующий шаг
      Коды DTC не выводятся А
      Выводятся коды DTC для системы управления двигателем B
      Выводятся DTC системы курсовой устойчивости C

    B
    C
    А
  3. СНИМИТЕ ПОКАЗАНИЯ ПОРТАТИВНОГО ДИАГНОСТИЧЕСКОГО ПРИБОРА (ВЫКЛЮЧАТЕЛЬ СТОП-СИГНАЛОВ)


    1. Подсоедините портативный диагностический прибор к DLC3.

    2. Включите зажигание (IG).

    3. Проверьте в режиме DATA LIST работу выключателя стоп-сигналов.

      Body (ЭБУ кузова):
      Информация на дисплее прибора Измеряемая величина / диапазон измерения Нормальное состояние Замечание по диагностике
      Stop Light SW Состояние выключателя стоп-сигналов / ON (ВКЛ) или OFF (ВЫКЛ)

      ON (ВКЛ): педаль тормоза нажата

      OFF (ВЫКЛ): педаль тормоза отпущена

      -
      OK
      На экране отображается ON (ВКЛ) (педаль тормоза нажата) и OFF (ВЫКЛ) (педаль тормоза отпущена).

    NG
    OK
  4. ПРОВЕРЬТЕ РАБОТУ СТОП-СИГНАЛА


    1. Проверьте, происходит ли включение и выключение стоп-сигналов при нажатии и отпускании педали тормоза.

      OK
      Выключатель стоп-сигналов включается при нажатии педали тормоза.

    NG
    OK
  5. ПРОВЕРЬТЕ ЖГУТ ПРОВОДОВ И РАЗЪЕМ (РЕЛЕ УПРАВЛЕНИЯ СТОП-СИГНАЛАМИ - РАСПРЕДЕЛИТЕЛЬНЫЙ БЛОК ПАНЕЛИ ПРИБОРОВ)


    1. Отсоедините разъем 1М от распределительного блока панели приборов.

      A017CTME02
    2. Извлеките реле управления стоп-сигналами из блока реле моторного отсека.

    3. Измерьте сопротивление в соответствии со значениями, приведенными в таблице ниже.

      Номинальное сопротивление
      Контакты для подключения диагностического прибора Состояние Заданные условия
      1M-7 - контакт 3 реле управления стоп-сигналами в блоке реле моторного отсека Всегда Менее 1 Ом
      1M-7 - масса Всегда 10 кОм или более

    NG
    OK