ИНТЕЛЛЕКТУАЛЬНАЯ СИСТЕМА ПОСАДКИ И ЗАПУСКА, Diagnostic DTC:B2282, B2283

Код DTC Наименование DTC
B2282 Ошибка сигнала скорости автомобиля
B2283 Неисправность датчика скорости автомобиля

ОПИСАНИЕ

ЭБУ системы противоскольжения преобразует эти сигналы в 4-импульсные сигналы и передает их в щиток приборов. После преобразования сигнала посредством формирующей схемы в щитке приборов в форму, более близкую к прямоугольной, полученный сигнал передается в главный ЭБУ кузова. Главный ЭБУ кузова определяет скорость движения автомобиля по частоте импульсных сигналов.

Главный ЭБУ кузова и щиток приборов соединены кабелем и по шине CAN. Код DTC B2282 выводится, если информация, передаваемая по кабелю и по шине CAN, несовместима.

Tech Tips

Если главный ЭБУ кузова заменяется новым и подсоединяется отрицательный (-) вывод аккумуляторной батареи, источник питания переходит в режим IG-ON. При снятии и последующей установке аккумуляторной батареи восстанавливается режим источника питания, выбранный на момент снятия аккумуляторной батареи.

После замены главного ЭБУ кузова выполните процедуру регистрации для иммобилайзера двигателя.

№ DTC Условие обнаружения DTC Неисправный участок
B2282 Не согласована информация, передаваемая по кабелю и по шине CAN между главным ЭБУ кузова и щитком приборов.
  • Система передачи данных CAN

  • Система щитка приборов

  • Главный ЭБУ кузова (распределительный блок панели приборов)

  • Жгут проводов или разъем

B2283

При выполнении одного из следующих условий:


  • Чрезмерное замедление автомобиля

  • Скорость автомобиля и частота вращения коленчатого вала двигателя не соответствуют друг другу


  • Участок регистрации DTC B2282

  • Щиток приборов

  • Датчик частоты вращения

  • ЭБУ системы противоскольжения

  • Главный ЭБУ кузова (распределительный блок панели приборов)

  • Жгут проводов или разъем

A017C35E01

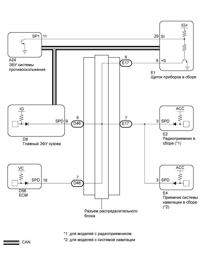
СХЕМА СОЕДИНЕНИЙ

A017CZ8E01

Tech Tips


  • Напряжение 12 В или 5 В выдается каждым ЭБУ, а затем подается на щиток приборов. В транзисторе щитка приборов сигнал преобразуется в импульсный сигнал. Каждый ЭБУ управляет соответствующей системой при помощи импульсных сигналов.

  • При коротком замыкании в ЭБУ ни одна из систем, приведенных на предыдущей в схеме, не будет работать должным образом.

ПОСЛЕДОВАТЕЛЬНОСТЬ ПРОВЕРКИ

ПОРЯДОК ВЫПОЛНЕНИЯ


  1. ПРОВЕРЬТЕ СИСТЕМУ ПЕРЕДАЧИ ДАННЫХ CAN


    1. Проверьте, не выводятся ли DTC, относящиеся к мультиплексной шине CAN (см. стр. Click here).

      Tech Tips

      В случае вывода кодов DTC, указывающих на неисправность системы передачи данных CAN, сначала выполните проверку для этих DTC.

      Результат
      Результат Следующий шаг
      DTC для шины CAN не выводится. А
      Выводится DTC для шины CAN B

    B
    А
  2. ПРОВЕРЬТЕ РАБОТУ СПИДОМЕТРА


    1. Подсоедините портативный диагностический прибор к DLC3.

    2. Включите зажигание (IG).

    3. Войдите в следующие меню: Body Electrical / Combination Meter / Data List.

    4. Сопоставьте значения с данными в приведенной ниже таблице.

      Щиток приборов:
      Информация на дисплее прибора Измеряемая величина / диапазон измерения Нормальное состояние Замечание по диагностике
      Vehicle Speed Meter Скорость автомобиля / мин.: 0 км/час (0 миль/час), максимум: 255 км/час (158 миль в час) Значение почти совпадает с фактической скоростью (во время движения) -
      OK
      Скорость автомобиля, отображаемая на диагностическом приборе, почти совпадает с фактической скоростью автомобиля, измеренной с помощью стенда проверки спидометра (откалиброванного динамометрического стенда).

    NG
    OK
  3. СНИМИТЕ ПОКАЗАНИЯ ПОРТАТИВНОГО ДИАГНОСТИЧЕСКОГО ПРИБОРА (СИГНАЛ СКОРОСТИ АВТОМОБИЛЯ)


    1. Подсоедините портативный диагностический прибор к DLC3.

    2. Включите зажигание (IG).

    3. Снимите показания с дисплея портативного диагностического прибора в режиме DATA LIST.

      Body (ЭБУ кузова):
      Информация на дисплее прибора Измеряемая величина / диапазон измерения Нормальное состояние Замечание по диагностике
      Vehicle Spd Sig Сигнал скорости автомобиля / STOP или RUN

      STOP: Автомобиль остановлен

      Run: Автомобиль движется

      -
      OK
      На экране отображается "STOP" (автомобиль остановлен) и "OFF" (автомобиль движется).

    NG
    OK
  4. ПРОВЕРЬТЕ ЖГУТ ПРОВОДОВ И РАЗЪЕМ (ЩИТОК ПРИБОРОВ – ГЛАВНЫЙ ЭБУ КУЗОВА)


    1. Отсоедините разъем Е1 щитка приборов.

    2. Отсоедините разъем D8 ЭБУ.

    3. Измерьте сопротивление в соответствии со значениями, приведенными в таблице ниже.

      Номинальное сопротивление
      Контакты для подключения диагностического прибора Состояние Заданные условия
      D8-9 (SPD) - E1-9 (+S) Всегда Менее 1 Ом

    NG
    OK
  5. ПРОВЕРЬТЕ ЩИТОК ПРИБОРОВ В СБОРЕ


    1. A017G2RE01

      Проверьте форму выходного сигнала.


      1. Снимите щиток приборов, не отсоединяя его разъемы (см. стр. Click here).

      2. Подключите осциллограф к контакту E1-9 (+S) и массе.

      3. Включите зажигание (IG).

      4. Медленно поверните колесо.

      5. Проверьте форму сигнала в соответствии с условиями, указанными в таблице ниже.

        Параметр / Устройство Условие
        Настройки прибора 5 В/дел., 20 мс/ дел.
        Состояние автомобиля Движение со скоростью примерно 20 км/час
        OK
        Форма сигнала соответствует показанной на рисунке.

        Tech Tips

        Когда система функционирует нормально, за один оборот колеса формируется 4 импульса. По мере увеличения скорости автомобиля период (A), отмеченный на рисунке, уменьшается.


    NG
    OK
  6. ПРОВЕРЬТЕ ЖГУТ ПРОВОДОВ И РАЗЪЕМ (ГЛАВНЫЙ ЭБУ КУЗОВА – РАЗЪЕМ РАСПРЕДЕЛИТЕЛЬНОГО БЛОКА)


    1. Отсоедините разъем D46.

    2. Измерьте сопротивление в соответствии со значениями, приведенными в таблице ниже.

      Номинальное сопротивление
      Контакты для подключения диагностического прибора Состояние Заданные условия
      D8-9 (SPD) - D46-5 Всегда Менее 1 Ом

    NG
    OK