СИСТЕМА SFI, Diagnostic DTC:P1660

Код DTC Наименование DTC
P1660 Цепь VSV для AICV

ОПИСАНИЕ

Воздушный фильтр имеет два входных патрубка, один из которых открывается и закрывается посредством клапана управления забором воздуха. Данная система снижает шум при впуске воздуха и повышает мощность двигателя во всем диапазоне частот вращения коленчатого вала двигателя.

Когда двигатель работает в диапазоне низкой и средней частоты вращения коленчатого вала, данная цепь управления посредством клапана управления забором воздуха закрывает один из входных патрубков воздушного фильтра. Если частота вращения коленчатого вала двигателя превышает 3600 об/мин, и угол поворота дроссельной заслонки составляет более 60°, ECM включает VSV и открывает клапан управления забором воздуха.

A017DFTE07
№ DTC Условие обнаружения Неисправный участок
P1660

Следующие условия выполняются одновременно в течение не менее 0,5 с (логика диагностирования за 2 поездки):


  1. Низкое напряжение на контакте ACIS блока ECM при выключенном клапане VSV.

  2. Произошел запуск двигателя


  • Обрыв или короткое замыкание в цепи клапана управления впуском воздуха

  • Клапан управления впуском воздуха

  • ECM

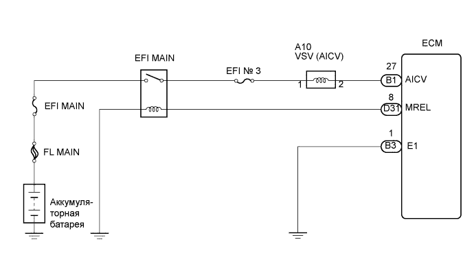
СХЕМА СОЕДИНЕНИЙ

A017C5PE26

ПОСЛЕДОВАТЕЛЬНОСТЬ ПРОВЕРКИ

ПОРЯДОК ВЫПОЛНЕНИЯ


  1. ВЫПОЛНИТЕ АКТИВНУЮ ДИАГНОСТИКУ С ПОМОЩЬЮ ПОРТАТИВНОГО ДИАГНОСТИЧЕСКОГО ПРИБОРА (CONTROL THE VSV FOR AICS)


    1. A017FE1E07

      Включите зажигание (IG) и включите портативный диагностический прибор.

    2. Выберите следующие элементы меню: Powertrain / Engine and ECT / Active Test /Control the VSV for AICS.

    3. Проверьте работу VSV, когда VSV управляется портативным диагностическим прибором.

      OK
      Режим работы прибора Заданные условия
      Электровакуумный клапан включен Воздух из канала E выходит через канал F
      Электровакуумный клапан выключен Воздух из канала E выходит через воздушный фильтр

    NG
    OK
  2. ПРОВЕРЬТЕ ВАКУУМНЫЙ БАЧОК


    1. Проверьте вакуумный бачок (см. стр. Click here).


    NG
    OK
  3. ПРОВЕРЬТЕ ЭЛЕКТРОВАКУУМНЫЙ КЛАПАН В СБОРЕ (ДЛЯ КЛАПАНА УПРАВЛЕНИЯ ЗАБОРОМ ВОЗДУХА)


    1. Проверьте VSV для AICV (см. стр. Click here).


    NG
    OK
  4. ПРОВЕРЬТЕ НАПРЯЖЕНИЕ НА КОНТАКТЕ (РАЗЪЕМ VSV ДЛЯ КЛАПАНА УПРАВЛЕНИЯ ЗАБОРОМ ВОЗДУХА)


    1. A017FKBE01

      Отсоедините разъем VSV для клапана управления забором воздуха.

    2. Включите зажигание (IG).

    3. Измерьте напряжение в соответствии со значениями, приведенными в таблице.

      Номинальное напряжение
      Контакты для подключения диагностического прибора Положение переключателя Заданные условия
      1 - масса Зажигание включено (IG) 9-14 В

    NG
    OK
  5. ПРОВЕРЬТЕ ЖГУТ ПРОВОДОВ И РАЗЪЕМ (VSV ДЛЯ КЛАПАНА УПРАВЛЕНИЯ ЗАБОРОМ ВОЗДУХА – ECM)


    1. A017ECRE02

      Отсоедините разъем VSV для клапана управления забором воздуха.

    2. Отсоедините разъем ЭБУ.

    3. Измерьте сопротивление в соответствии со значениями, приведенными в таблице ниже.

      Номинальное сопротивление (проверьте на обрыв)
      Контакты для подключения диагностического прибора Условие Заданные условия
      A10-2 - B1-27 (AICV) Всегда Менее 1 Ом
      Номинальное сопротивление (при проверке на короткое замыкание)
      Контакты для подключения диагностического прибора Условие Заданные условия
      A10-2 или B1-27 (AICV) - масса Всегда 10 кОм или более
    4. Подсоедините разъем ECM.

    5. Подсоедините разъем VSV для клапана управления забором воздуха.


    NG
    OK