СИСТЕМА SFI, Diagnostic DTC:P0660

Код DTC Наименование DTC
P0660 Обрыв в цепи управления регулирующего клапана впускного коллектора (ряд 1)

ОПИСАНИЕ

Эта цепь используется для открывания и закрывания клапана управления забором воздуха в зависимости от изменения нагрузки двигателя, что позволяет повысить эффективность воздухозабора с помощью системы впуска с переменной геометрией.

Когда частота вращения коленчатого вала двигателя находится в диапазоне от 0 до 4450 об/мин, а угол поворота дроссельной заслонки составляет не менее 60°C, ЕСМ подает ток в привод (состояние ON (ВКЛ)), чтобы закрыть клапан управления забором воздуха. При прочих условия VSV, как правило, выключен, а клапан управления забором воздуха открыт.

A017BZCE12
№ DTC Условие обнаружения DTC Неисправный участок
P0660

Следующие условия выполняются одновременно в течение не менее 0,5 с (логика диагностирования за 2 поездки):


  1. Напряжение на контакте ECM для системы впуска с переменной геометрией мало, а привод выключен

  2. Произошел запуск двигателя


  • Обрыв или короткое замыкание в цепи клапана управления впуском воздуха

  • Уравнительный бачок (клапан управления впуском воздуха)

  • ECM

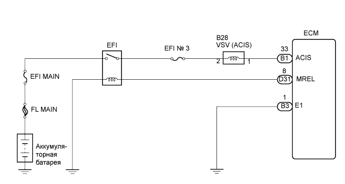
СХЕМА СОЕДИНЕНИЙ

A017C5PE25

ПОСЛЕДОВАТЕЛЬНОСТЬ ПРОВЕРКИ

ПОРЯДОК ВЫПОЛНЕНИЯ


  1. ВЫПОЛНИТЕ ДИАГНОСТИКУ В РЕЖИМЕ ACTIVE TEST С ПОМОЩЬЮ ПОРТАТИВНОГО ДИАГНОСТИЧЕСКОГО ПРИБОРА


    1. Подсоедините портативный диагностический прибор к DLC3.

    2. Запустите двигатель и включите портативный диагностический прибор.

    3. Выберите следующие элементы меню: Power train / Engine / Active Test / Activate the VSV for Intake Control.

    4. Проверьте, слышен ли характерный звук работы при управлении клапаном управления впуском воздуха с помощью портативного диагностического прибора.

      OK
      Слышен характерный звук работы клапана.

    NG
    OK
  2. ПРОВЕРЬТЕ КЛАПАН УПРАВЛЕНИЯ ЗАБОРОМ ВОЗДУХА (УПРАВЛЕНИЕ ВПУСКОМ ВОЗДУХА)


    1. A017BCSE02

      Отсоедините разъем клапана управления забором воздуха.

    2. Подайте напряжение аккумуляторной батареи на контакты разъема клапана управления впуском воздуха.

    3. Проверьте работу клапана управления впуском воздуха.

      OK
      Слышен характерный звук работы клапана.

    NG
    OK
  3. ПРОВЕРЬТЕ НАПРЯЖЕНИЕ НА КОНТАКТЕ (РАЗЪЕМ КЛАПАНА УПРАВЛЕНИЯ ЗАБОРОМ ВОЗДУХА)


    1. A017EH0E02

      Отсоедините разъем клапана управления забором воздуха.

    2. Включите зажигание (IG).

    3. Измерьте напряжение в соответствии со значениями, приведенными в таблице.

      Номинальное напряжение
      Контакты для подключения диагностического прибора Положение переключателя Заданные условия
      2 - масса Зажигание включено (IG) 9-14 В
    4. Подсоедините разъем клапана управления забором воздуха.


    NG
    OK
  4. ПРОВЕРЬТЕ ЖГУТ ПРОВОДОВ И РАЗЪЕМ (КЛАПАН УПРАВЛЕНИЯ ЗАБОРОМ ВОЗДУХА - ECM)


    1. A017GARE02

      Отсоедините разъем клапана управления впуском воздуха.

    2. Отсоедините разъем ECM.

    3. Измерьте сопротивление в соответствии со значениями, приведенными в таблице ниже.

      Номинальное сопротивление (при проверке на обрыв)
      Контакты для подключения диагностического прибора Состояние Заданные условия
      B28-1 - B1-33 (ACIS) Всегда Менее 1 Ом
      Номинальное сопротивление (при проверке на короткое замыкание)
      Контакты для подключения диагностического прибора Состояние Заданные условия
      B28-1 или B1-33 (ACIS) - B3-1 (E1) Всегда 10 кОм или более
    4. Подсоедините разъем клапана управления забором воздуха.

    5. Подсоедините разъем ECM.


    NG
    OK