СИСТЕМА SFI, Diagnostic DTC:P0300, P0301, P0302, P0303, P0304, P0305, P0306

Код DTC Наименование DTC
P0300 Обнаружение нерегулярного/многократного пропуска зажигания в цилиндре
P0301 Обнаружение пропуска зажигания в цилиндре 1
P0302 Обнаружение пропуска зажигания в цилиндре 2
P0303 Обнаружение пропуска зажигания в цилиндре 3
P0304 Обнаружение пропуска зажигания в цилиндре 4
P0305 Обнаружение пропуска зажигания в цилиндре 5
P0306 Обнаружение пропуска зажигания в цилиндре 6

ОПИСАНИЕ

A017C8LE07

При возникновении в двигателе пропуска зажигания в выхлопную трубу попадают углеводороды в высоких концентрациях. Высокая концентрация углеводородов может привести к повышению уровня токсичности отработавших газов. Слишком высокая концентрация углеводородов может также привести к повышению температуры трехкомпонентного каталитического нейтрализатора, что, в свою очередь, может стать причиной его повреждения. Чтобы предотвратить подобное повышение уровня токсичности отработавших газов и ограничить возможность теплового повреждения, ECM отслеживает частоту пропусков зажигания. Когда температура трехкомпонентного каталитического нейтрализатора достигает точки термического износа, ECM включает контрольную лампу MIL в мигающем режиме. С помощью датчиков положений коленчатого вала и распредвала ЕСМ контролирует пропуски зажигания. Датчик положения распредвала используется для определения цилиндров с пропуском зажигания, а датчик положения коленчатого вала применяется для измерения отклонений частоты вращения коленчатого вала. Количеcтво пропуcков зажигания подсчитывается, если значения отклонения скорости вращения коленчатого вала превышают предварительно установленные пороговые значения. ECM включает контрольную лампу MIL и регистрирует DTC, если количество пропусков зажигания превышает пороговое значение.

№ DTC Условие обнаружения DTC Неисправный участок
P0300

Обнаружен одновременный пропуск зажигания в нескольких цилиндрах и выполняется одно из следующих условий (логика диагностирования за 2 поездки):


  • Пропуск зажигания происходит при высокой температуре в трехкомпонентном каталитическом нейтрализаторе (TWC) (MIL мигает)

  • Пропуск зажигания происходит при ухудшении состояния отработавших газов (контрольная лампа MIL горит).


  • Обрыв или короткое замыкание в жгуте проводов двигателя

  • Подключение разъема

  • Соединения вакуумного шланга

  • Система зажигания

  • Форсунка

  • Давление в топливной системе

  • Датчик массового расхода воздуха

  • Датчик температуры охлаждающей жидкости

  • Давление сжатия

  • Зазор в приводе клапанов

  • Фазы газораспределения

  • Клапан и шланг системы принудительной вентиляции картера

  • Соединения шланга системы принудительной вентиляции картера

  • Система забора воздуха

  • ECM

P0301

P0302

P0303

P0304

P0305

P0306

Пропуск зажигания в определенном цилиндре и выполняется одно из следующих условий (логика диагностирования за 2 поездки):


  • Пропуск зажигания происходит при высокой температуре в трехкомпонентном каталитическом нейтрализаторе (TWC) (MIL мигает)

  • Пропуск зажигания происходит при ухудшении состояния отработавших газов (контрольная лампа MIL горит).

Если коды DTC регистрируются для нескольких цилиндров с пропуском зажигания, но код DTC P0300 не регистрируется, это означает, что пропуски зажигания были обнаружены в различных цилиндрах в разное время. Код DTC P0300 регистрируется, только если цилиндры с пропуском зажигания обнаружены одновременно.

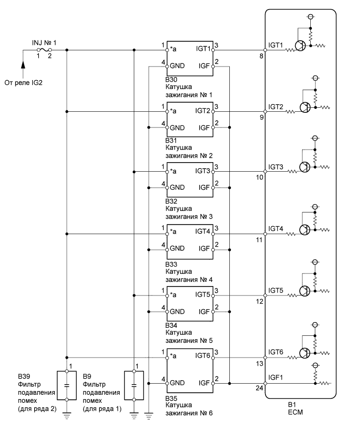
СХЕМА СОЕДИНЕНИЙ

Схема соединений системы зажигания.

A017C3EE04
A017G41E01

ПРОВЕРОЧНАЯ ПОЕЗДКА


  1. Подсоедините портативный диагностический прибор к DLC3.

  2. Включите зажигание (IG).

  3. Включите портативный диагностический прибор.

  4. Запишите DTC и данные фиксированного набора параметров.

  5. Переключите ECM из нормального режима диагностики в режим активной диагностики посредством портативного диагностического прибора (см. стр. Click here).

  6. Считайте количество пропусков зажигания для каждого цилиндра (Cylinder #1-#6 Misfire Rate), когда двигатель работает на холостом ходу. Если количество пропусков зажигания отображается хотя бы для одного цилиндра, пропустите следующий режим проверочной поездки.

  7. Выполните несколько поездок на автомобиле при частоте вращения коленчатого вала двигателя и нагрузке на двигатель, равной значениям для MISFIRE RPM и MISFIRE LOAD в режиме DATA LIST.

    Tech Tips

    Чтобы сохранить коды DTC, связанные с пропуском зажигания, необходимо совершить поездку на автомобиле в течение времени, указанного в таблице ниже, а также при условии поддержания значений для MISFIRE RPM и MISFIRE LOAD в режиме DATA LIST.

    Частота вращения коленчатого вала двигателя Продолжительность
    Холостой ход 3,5 мин или более
    1000 3 мин или более
    2000 1,5 мин или более
    3000 1 мин или больше
  8. Проверьте, проявляются ли пропуски зажигания, считав коды DTC и данные фиксированного набора параметров.

    Tech Tips

    Не выключайте зажигание, не записав сохраненные коды DTC и данные фиксированного набора параметров. При переключении ECM в нормальный режим диагностики (по умолчанию) все сохраненные DTC и данные фиксированного набора параметров удаляются.

  9. Запишите DTC, данные фиксированного набора параметров и количество пропусков зажигания.

  10. Выключите зажигание и подождите не менее 5 секунд.

ПОСЛЕДОВАТЕЛЬНОСТЬ ПРОВЕРКИ

Tech Tips


  • Если отображаются какие-либо другие коды, не связанные с кодами пропусков зажигания, сначала выполните поиск неисправностей для данных DTC.

  • С помощью портативного диагностического прибора считайте фиксированные параметры. В этих параметрах отражается состояние двигателя на момент обнаружения неисправности. При поиске неисправностей фиксированные параметры позволяют определить, двигался ли автомобиль в момент возникновения неисправности или нет, был ли прогрет двигатель, каким было соотношение воздух-топливо (обедненным или обогащенным) и пр.

  • Если при поступлении автомобиля в мастерскую пропуск зажигания не обнаруживается, его можно подтвердить путем имитации условий, сохраненных в ЕСМ в качестве данных фиксированного набора параметров.

  • Если пропуск зажигания невозможно воиспроизвести даже после имитации условий, сохраненных в ЕСМ в качестве данных фиксированного набора параметров, вероятной причиной неисправности могут послужить следующие факторы:


    1. Недостаточное количество топлива в баке.

    2. Используется топливо с ненадлежащим октановым числом.

    3. Засорились свечи зажигания.

  • После завершения ремонтных работ проверьте количество пропусков зажигания для каждого цилиндра (Cylinder #1 Misfire Rate дo Cylinder #6 Misfire Rate).

  • После завершения ремонтных работ выполните поездку в проверочном режиме для подтверждения, что коды DTC для цилиндров с пропуском зажигания больше не регистрируются.

  • В случае с 6- и 8-цилиндровыми двигателями ЕСМ намеренно не регистрирует код DTC для определенного цилиндра с пропуском зажигания при высокой частоте вращения коленчатого вала двигателя. Если пропуски зажигания случаются при высокой частоте вращения коленчатого вала двигателя, регистрируется только DTC P0300.

    Если выводится код DTC P0300, выполните следующие действия:


    1. Сбросьте DTC (см. стр. Click here).

    2. Запустите двигатель и выполните поездку в проверочном режиме.

    3. Снимите показания количества пропусков зажигания для каждого цилиндра или коды DTC с помощью портативного диагностического прибора.

    4. Отремонтируйте цилиндр(ы) с высоким числом пропусков зажигания (или цилиндр с пропусками зажигания, указанный DTC).

    5. После завершения ремонтных работ выполните поездку в проверочном режиме для подтверждения того, что код DTC P0300 больше не регистрируется.

  • Если значение одного из фиксированных параметров Short FT #1, Long FT #1, Short FT #2 или Long FT #2 выходит за пределы +/-20%, соотношение воздух-топливо может быть обогащенным (менее -20%) или обедненным (более +20%).

  • В том случае, если значение Coolant Temp в фиксированном наборе параметров ниже 75°C (167°F), пропуски зажигания происходили только во время прогрева двигателя.

ПОРЯДОК ВЫПОЛНЕНИЯ


  1. ПРОВЕРЬТЕ, НЕ ОТОБРАЖАЮТСЯ ЛИ ДРУГИЕ DTC (ПОМИМО КОДОВ, СВЯЗАННЫХ С ПРОПУСКАМИ ЗАЖИГАНИЯ)


    1. Подсоедините портативный диагностический прибор к DLC3.

    2. Включите зажигание (IG).

    3. Включите портативный диагностический прибор.

    4. Войдите в следующие меню: Powertrain / Engine and ECT / Trouble Codes.

    5. Удалите коды DTC.

      Tech Tips

      Запишите коды DTC.

      Результат
      Индикация (отображаемые коды DTC) Следующий шаг
      P0300, P0301, P0302, P0303, P0304, P0305 и/или P0306 А
      P0300, P0301, P0302, P0303, P0304, P0305 и/или P0306 и другие DTC B

      Tech Tips

      Если отображаются какие-либо другие коды, помимо P0300, P0301, P0302, P0303, P0304, P0305 и P0306, сначала выполните поиск неисправностей для данных DTC.


    B
    А
  2. СНИМИТЕ ПОКАЗАНИЯ ПОРТАТИВНОГО ДИАГНОСТИЧЕСКОГО ПРИБОРА (MISFIRE RPM И MISFIRE LOAD)


    1. Подсоедините портативный диагностический прибор к DLC3.

    2. Включите зажигание (IG) и включите портативный диагностический прибор.

    3. Войдите в следующие меню: Powertrain / Engine and ECT / Data List / Misfire / Misfire RPM и Misfire Load.

    4. Считайте и запишите значения параметров Misfire RPM и Misfire Load.

      Tech Tips

      Значения Misfire RPM и Misfire Load указывают состояние автомобиля, при котором возник пропуск зажигания.


    ДАЛЕЕ
  3. ПРОВЕРЬТЕ МЕСТА СОЕДИНЕНИЙ ШЛАНГА СИСТЕМЫ ПРИНУДИТЕЛЬНОЙ ВЕНТИЛЯЦИИ КАРТЕРА

    OK
    Шланг системы принудительной вентиляции картера подсоединен правильно и не поврежден.

    NG
    OK
  4. СНИМИТЕ ПОКАЗАНИЯ ПОРТАТИВНОГО ДИАГНОСТИЧЕСКОГО ПРИБОРА


    1. Войдите в следующие меню: Powertrain / Engine and ECT / Data List / Misfire / Cylinder #1 Misfire Rate, #2, #3, #4, #5 и #6

    2. Считайте все значения параметров Cylinder #1 Misfire Rate (до #6), отображенные на дисплее портативного диагностического прибора. Если пропуски зажигания не возникают ни в одном цилиндре, выполните следующие действия:


      1. Запустите двигатель и дайте ему поработать на холостом ходу.

      2. Установите рычаг переключения передач в положение D.

      3. Проверьте значения параметров Cylinder #1 Misfire Rate (до #6).

      4. Если количество пропусков зажигания не выводится, выполните шаги (с) и (d).

    3. Совершите поездку на автомобиле при значениях параметров Misfire RPM и MISFIRE LOAD (Misfire Load), указанных в процедурах "СНИМИТЕ ПОКАЗАНИЯ ПОРТАТИВНОГО ДИАГНОСТИЧЕСКОГО ПРИБОРА (Misfire RPM и Misfire Load)", приведенных выше.

    4. Считайте значения параметров Cylinder #1 Misfire Rate (до #6) или коды DTC, отображаемые на дисплее портативного диагностического прибора.

      Результат
      Подсчет пропусков зажигания Следующий шаг
      Большинство пропусков возникает только в одном или двух цилиндрах А
      Количество пропусков зажигания для 3 или более цилиндров одинаково B

      Tech Tips


      • Если пропуски зажигания сложно воспроизвести для каждого цилиндра, проверьте пункт Misfire Margin (предел пропусков зажигания) в режиме Data List. Постарайтесь определить условия движения автомобиля, при которых значение Misfire Margin ниже указанного. Значения выше 30% считаются допустимыми.

      • Если зарегистрированное значение фиксированного параметра температуры охлаждающей жидкости ниже 75°C (167°F), пропуск зажигания может быть определен только при непрогретом двигателе.

      • Если зарегистрированное значение фиксированного параметра "Engine Run Time" (время работы двигателя) менее 120 секунд, пропуск зажигания мог быть определен сразу после запуска двигателя.


    B
    А
  5. ПРОВЕРЬТЕ СВЕЧИ ЗАЖИГАНИЯ


    1. A017DQ3E03

      Проверьте катушку и свечу зажигания цилиндра, в котором имеется пропуск.

    2. Измерьте межэлектродный зазор свечи зажигания.

      Максимальный зазор
      1,3 мм (0,0512 дюйма)
    3. Проверьте, нет ли на электроде нагара.

      Рекомендуемые свечи зажигания:
      Изготовитель Изделие
      DENSO FK20HR11

      Note

      Если зазор между электродами превышает номинальный, замените свечу зажигания. Не регулируйте зазор между электродами.


    NG
    OK
  6. ВЫПОЛНИТЕ ПРОВЕРКУ ЗАЖИГАНИЯ И "ИСКРЫ" НА МАССУ


    1. Отсоедините разъемы форсунок во избежание запуска двигателя.

      CAUTION:

      Всегда отсоединяйте все разъемы форсунок.

      Note

      Не прокручивайте коленчатый вал двигателя дольше 2 секунд.

    2. Снимите катушку зажигания с головки блока цилиндров.

    3. Установите свечу зажигания в катушку зажигания.

    4. Коснитесь свечой зажигания головки блока цилиндров.

    5. Прокрутите коленчатый вал двигателя стартером в течение менее 2 секунд и проверьте наличие искры.

      OK
      Через зазор электрода проскакивает искра.
    6. Установите катушку зажигания.

    7. Подсоедините разъемы форсунок.


    NG
    OK
  7. ПРОВЕРЬТЕ ДАВЛЕНИЕ СЖАТИЯ В ЦИЛИНДРЕ


    1. Проверьте давление компрессии в цилиндре с пропуском зажигания (см. стр. Click here).


    NG
    OK
  8. ПРОВЕРЬТЕ ЖГУТ ПРОВОДОВ И РАЗЪЕМ (ИСТОЧНИК ПИТАНИЯ ФОРСУНКИ ЦИЛИНДРА С ПРОПУСКАМИ ЗАЖИГАНИЯ)


    1. A017FMUE14

      Отсоедините разъем форсунки (цилиндра с пропуском зажигания).

    2. Измерьте напряжение в соответствии со значениями, приведенными в таблице.

      Номинальное напряжение
      Цилиндр Контакты для подключения диагностического прибора Положение переключателя Заданные условия
      № 1 B13-2 - масса Зажигание включено (IG) 11-14 В
      № 2 B14-2 - масса Зажигание включено (IG) 11-14 В
      № 3 B15-2 - масса Зажигание включено (IG) 11-14 В
      № 4 B16-2 - масса Зажигание включено (IG) 11-14 В
      № 5 B17-2 - масса Зажигание включено (IG) 11-14 В
      № 6 B18-2 - масса Зажигание включено (IG) 11-14 В

    NG
    OK
  9. ПРОВЕРЬТЕ ЖГУТ ПРОВОДОВ И РАЗЪЕМ (ECM - ФОРСУНКА ЦИЛИНДРА С ПРОПУСКАМИ ЗАЖИГАНИЯ)


    1. A017BX7E10

      Выключите зажигание.

    2. Измерьте сопротивление в соответствии со значениями, приведенными в таблице ниже.

      Номинальное сопротивление
      Проверка на обрыв
      Цилиндр Подключение диагностического прибора Условие Заданные условия
      № 1 B13-1 - B3-2 (#10) Всегда Менее 1 Ом
      № 2 B14-1 - B3-3 (#20) Всегда Менее 1 Ом
      № 3 B15-1 - B3-4 (#30) Всегда Менее 1 Ом
      № 4 B16-1 - B3-5 (#40) Всегда Менее 1 Ом
      № 5 B17-1 - B3-6 (#50) Всегда Менее 1 Ом
      № 6 B18-1 - B3-7 (#60) Всегда Менее 1 Ом
      Проверка на короткое замыкание
      Цилиндр Подключение диагностического прибора Условие Заданные условия
      № 1 B13-1 - масса Всегда 10 кОм или более
      № 2 B14-1 - масса Всегда 10 кОм или более
      № 3 B15-1 - масса Всегда 10 кОм или более
      № 4 B16-1 - масса Всегда 10 кОм или более
      № 5 B17-1 - масса Всегда 10 кОм или более
      № 6 B18-1 - масса Всегда 10 кОм или более

    NG
    OK
  10. ПРОВЕРЬТЕ ФОРСУНКУ ЦИЛИНДРА С ПРОПУСКОМ ЗАЖИГАНИЯ


    1. Проверьте сопротивление форсунки (см. стр. Click here).

    2. Проверьте объем впрыска (оцените объем впрыска топлива и проверьте схему впрыска) (см. стр. Click here).


    NG
    OK
  11. ПРОВЕРЬТЕ СИСТЕМУ ВПУСКА


    1. Убедитесь в отсутствии утечки вакуума в системе забора воздуха (см. стр. Click here).

      OK
      В системе впуска нет утечки вакуума.

    NG
    OK
  12. ПРОВЕРЬТЕ ФАЗЫ ГАЗОРАСПРЕДЕЛЕНИЯ


    1. A017F6CE02

      Снимите крышки правой и левой головок блока цилиндров.

    2. Поверните коленчатый вал, чтобы совместить метки.

    3. Совместите метку шкива коленчатого вала с положением "0".

    4. Убедитесь, что метки на шкиве распредвала и крышке подшипника распредвала были совмещены.

    5. Если метки не совмещаются, поверните коленчатый вал по часовой стрелке на 360°. Еще раз убедитесь, что они совмещены.

      OK
      Метки на шкиве распредвала и крышке подшипника распредвала совмещаются в том случае, если метка шкива коленчатого вала находится в положении "0".

    NG
    OK
  13. ПРОВЕРЬТЕ ДАВЛЕНИЕ В ТОПЛИВНОЙ СИСТЕМЕ


    1. Проверьте давление в топливной системе (см. стр. Click here).


    NG
    OK
  14. СНИМИТЕ ПОКАЗАНИЯ ПОРТАТИВНОГО ДИАГНОСТИЧЕСКОГО ПРИБОРА (COOLANT TEMP)


    1. Подсоедините портативный диагностический прибор к DLC3.

    2. Включите зажигание (IG).

    3. Включите портативный диагностический прибор.

    4. Выберите следующие элементы меню: Powertrain / Engine and ECT / Data list / Coolant Temp.

    5. Считайте значение, отображенное на диагностическом приборе.

      Номинальное значение / Номинальный режим
      От 80°C до 97°C (176-207°F) при прогретом двигателе.
      Результат
      Отображаемая температура Следующий шаг
      -40°C (-40°F) А
      Не менее 140°C (284°F) B
      От 80°C до 97°C (176-207°F) C

      Tech Tips


      • При наличии обрыва в данной цепи портативный диагностический прибор указывает температуру -40°C (-40°F).

      • При наличии короткого замыкания в данной цепи портативный диагностический прибор указывает температуру 140°C (284°F).


    NG
    OK
  15. ПРОВЕРЬТЕ РАБОТУ ДАТЧИКА МАССОВОГО РАСХОДА ВОЗДУХА


    1. Проверьте датчик массового расхода воздуха (см. стр. Click here).


    NG
    OK
  16. ПРОВЕРЬТЕ СИСТЕМУ ВПУСКА


    1. Убедитесь в отсутствии утечки вакуума в системе забора воздуха (см. стр. Click here).

      OK
      В системе впуска нет утечки вакуума.

    NG
    OK
  17. ПРОВЕРЬТЕ ФАЗЫ ГАЗОРАСПРЕДЕЛЕНИЯ


    1. A017F6CE02

      Снимите крышки правой и левой головок блока цилиндров.

    2. Поверните коленчатый вал, чтобы совместить метки.

    3. Совместите метку шкива коленчатого вала с положением "0".

    4. Убедитесь, что метки на шкиве распредвала и крышке подшипника распредвала были совмещены.

    5. Если метки не совмещаются, поверните коленчатый вал по часовой стрелке на 360°. Еще раз убедитесь, что они совмещены.

      OK
      Метки на шкиве распредвала и крышке подшипника распредвала совмещаются в том случае, если метка шкива коленчатого вала находится в положении "0".

    NG
    OK
  18. ПРОВЕРЬТЕ ДАВЛЕНИЕ В ТОПЛИВНОЙ СИСТЕМЕ


    1. Проверьте давление в топливной системе (см. стр. Click here).


    NG
    OK
  19. СНИМИТЕ ПОКАЗАНИЯ ПОРТАТИВНОГО ДИАГНОСТИЧЕСКОГО ПРИБОРА (COOLANT TEMP)


    1. Подсоедините портативный диагностический прибор к DLC3.

    2. Включите зажигание (IG).

    3. Включите портативный диагностический прибор.

    4. Выберите следующие элементы меню: Powertrain / Engine and ECT / Data list / Coolant Temp.

    5. Считайте значение, отображенное на диагностическом приборе.

      Номинальное значение / Номинальный режим
      От 80°C до 97°C (176-207°F) при прогретом двигателе.
      Результат
      Отображаемая температура Следующий шаг
      -40°C (-40°F) А
      Не менее 140°C (284°F) B
      От 80°C до 97°C (176-207°F) C

      Tech Tips


      • При наличии обрыва в данной цепи портативный диагностический прибор указывает температуру -40°C (-40°F).

      • При наличии короткого замыкания в данной цепи портативный диагностический прибор указывает температуру 140°C (284°F).


    NG
    OK
  20. ПРОВЕРЬТЕ РАБОТУ ДАТЧИКА МАССОВОГО РАСХОДА ВОЗДУХА


    1. Проверьте датчик массового расхода воздуха (см. стр. Click here).


    NG
    OK
  21. ПРОВЕРЬТЕ СВЕЧИ ЗАЖИГАНИЯ


    1. A017DQ3E03

      Проверьте катушку и свечу зажигания цилиндра, в котором имеется пропуск.

    2. Измерьте межэлектродный зазор свечи зажигания.

      Максимальный зазор
      1,3 мм (0,0512 дюйма)
    3. Проверьте, нет ли на электроде нагара.

      Рекомендуемые свечи зажигания:
      Изготовитель Изделие
      DENSO FK20HR11

      Note

      Если зазор между электродами превышает номинальный, замените свечу зажигания. Не регулируйте зазор между электродами.


    NG
    OK
  22. ВЫПОЛНИТЕ ПРОВЕРКУ ЗАЖИГАНИЯ И "ИСКРЫ" НА МАССУ


    1. Отсоедините разъемы форсунок во избежание запуска двигателя.

      CAUTION:

      Всегда отсоединяйте все разъемы форсунок.

      Note

      Не прокручивайте коленчатый вал двигателя дольше 2 секунд.

    2. Снимите катушку зажигания с головки блока цилиндров.

    3. Установите свечу зажигания в катушку зажигания.

    4. Коснитесь свечой зажигания головки блока цилиндров.

    5. Прокрутите коленчатый вал двигателя стартером в течение менее 2 секунд и проверьте наличие искры.

      OK
      Через зазор электрода проскакивает искра.
    6. Установите катушку зажигания.

    7. Подсоедините разъемы форсунок.


    NG
    OK
  23. ПРОВЕРЬТЕ ДАВЛЕНИЕ СЖАТИЯ В ЦИЛИНДРЕ


    1. Проверьте давление компрессии в цилиндре с пропуском зажигания (см. стр. Click here).


    NG
    OK
  24. ПРОВЕРЬТЕ ЖГУТ ПРОВОДОВ И РАЗЪЕМ (ИСТОЧНИК ПИТАНИЯ ФОРСУНКИ ЦИЛИНДРА С ПРОПУСКАМИ ЗАЖИГАНИЯ)


    1. A017FMUE14

      Отсоедините разъем форсунки (цилиндра с пропуском зажигания).

    2. Измерьте напряжение в соответствии со значениями, приведенными в таблице.

      Номинальное напряжение
      Цилиндр Контакты для подключения диагностического прибора Положение переключателя Заданные условия
      № 1 B13-2 - масса Зажигание включено (IG) 11-14 В
      № 2 B14-2 - масса Зажигание включено (IG) 11-14 В
      № 3 B15-2 - масса Зажигание включено (IG) 11-14 В
      № 4 B16-2 - масса Зажигание включено (IG) 11-14 В
      № 5 B17-2 - масса Зажигание включено (IG) 11-14 В
      № 6 B18-2 - масса Зажигание включено (IG) 11 - 14 В

    NG
    OK
  25. ПРОВЕРЬТЕ ЖГУТ ПРОВОДОВ И РАЗЪЕМ (ECM - ФОРСУНКА ЦИЛИНДРА С ПРОПУСКАМИ ЗАЖИГАНИЯ)


    1. A017BX7E10

      Выключите зажигание.

    2. Измерьте сопротивление в соответствии со значениями, приведенными в таблице ниже.

      Номинальное сопротивление
      Проверка на обрыв
      Цилиндр Подключение диагностического прибора Условие Заданные условия
      № 1 B13-1 - B3-2 (#10) Всегда Менее 1 Ом
      № 2 B14-1 - B3-3 (#20) Всегда Менее 1 Ом
      № 3 B15-1 - B3-4 (#30) Всегда Менее 1 Ом
      № 4 B16-1 - B3-5 (#40) Всегда Менее 1 Ом
      № 5 B17-1 - B3-6 (#50) Всегда Менее 1 Ом
      № 6 B18-1 - B3-7 (#60) Всегда Менее 1 Ом
      Проверка на короткое замыкание
      Цилиндр Подключение диагностического прибора Условие Заданные условия
      № 1 B13-1 - масса Всегда 10 кОм или более
      № 2 B14-1 - масса Всегда 10 кОм или более
      № 3 B15-1 - масса Всегда 10 кОм или более
      № 4 B16-1 - масса Всегда 10 кОм или более
      № 5 B17-1 - масса Всегда 10 кОм или более
      № 6 B18-1 - масса Всегда 10 кОм или более

    NG
    OK
  26. ПРОВЕРЬТЕ ФОРСУНКУ ЦИЛИНДРА С ПРОПУСКОМ ЗАЖИГАНИЯ


    1. Проверьте сопротивление форсунки (см. стр. Click here).

    2. Проверьте объем впрыска (оцените объем впрыска топлива и проверьте схему впрыска) (см. стр. Click here).


    NG
    OK
  27. УСТАНОВИТЕ НОРМАЛЬНУЮ СВЕЧУ ЗАЖИГАНИЯ И ПРОВЕРЬТЕ ИСКРУ В ЦИЛИНДРЕ С ПРОПУСКОМ ЗАЖИГАНИЯ


    1. Поменяйте установленную свечу зажигания на работоспособную.

    2. Выполните проверку искры на массу.

      CAUTION:

      Всегда отсоединяйте все разъемы форсунок.

      Note

      Не прокручивайте коленчатый вал двигателя дольше 2 секунд.


      1. Установите свечу зажигания в катушку зажигания и подсоедините разъем катушки зажигания.

      2. Отсоедините разъем форсунки.

      3. Соедините свечу зажигания с массой.

      4. Убедитесь в том, что при прокрутке коленчатого вала двигателя возникает искра.

        OK
        Через зазор электрода проскакивает искра.

    NG
    OK
  28. УСТАНОВИТЕ НОРМАЛЬНУЮ КАТУШКУ ЗАЖИГАНИЯ И ПРОВЕРЬТЕ ИСКРУ В ЦИЛИНДРЕ С ПРОПУСКОМ ЗАЖИГАНИЯ


    1. Замените установленную катушку зажигания исправной.

    2. Выполните проверку искры на массу.

      CAUTION:

      Всегда отсоединяйте все разъемы форсунок.

      Note

      Не прокручивайте коленчатый вал двигателя дольше 2 секунд.


      1. Установите свечу зажигания в катушку зажигания и подсоедините разъем катушки зажигания.

      2. Отсоедините разъем форсунки.

      3. Соедините свечу зажигания с массой.

      4. Убедитесь в том, что при прокрутке коленчатого вала двигателя возникает искра.

        OK
        Через зазор электрода проскакивает искра.

    NG
    OK