METER / GAUGE SYSTEM Odo / Trip Switch Malfunction

DESCRIPTION

The meter's ODO / TRIP display changes each time the trip switch is pressed.

Tech Tips

For more information about changing between displays, refer to the owner's manual.

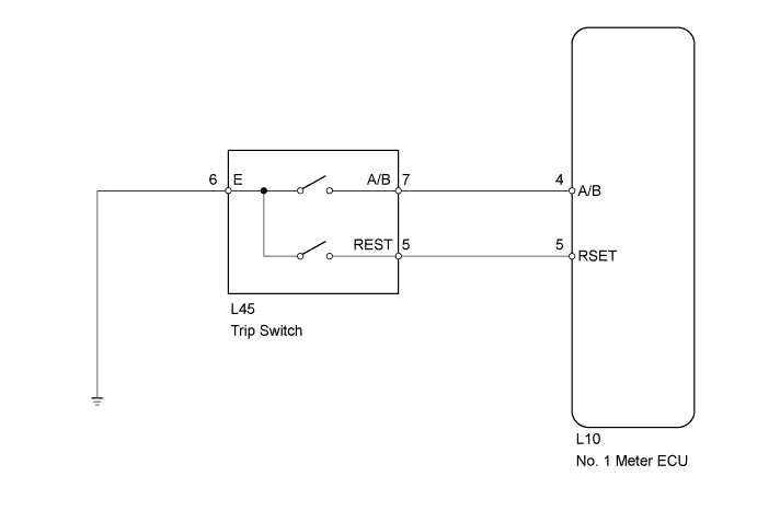
WIRING DIAGRAM

A01GLCBE02

INSPECTION PROCEDURE

PROCEDURE


  1. READ VALUE USING INTELLIGENT TESTER (TRIP SWITCH)


    1. Operate the intelligent tester according to the display and select "Data List".

      Combination Meter:
      Tester Display Measurement Item/Range Normal Condition Diagnostic Note
      ODO/TRIP Change SW Trip switch (ODO/TRIP switch) condition/ON or OFF

      ON: Switch is pushed

      OFF: Switch is not pushed

      -
      Trip Reset SW Trip switch (RESET switch) condition/ON or OFF

      ON: Trip switch (ODO/TRIP switch) pushed

      OFF: Trip switch (ODO/TRIP switch) not pushed

      -
      OK
      Switch condition (ON/OFF) can be switched by actual operation.

    NG
    OK
  2. INSPECT TRIP SWITCH


    1. A01GNI5E03

      Remove the trip switch Click here.

    2. Measure the resistance according to the value(s) in the table below.

      Standard resistance
      Tester Connection Switch Condition Specified Condition
      5 (RSET) - 6 (E) RESET switch ON (Pushed) Below 1 Ω
      RESET switch OFF (Not pushed) 10 kΩ or higher
      7 (A/B) - 6 (E) ODO/TRIP switch ON (Pushed) Below 1 Ω
      ODO/TRIP switch OFF (Not pushed) 10 kΩ or higher

    NG
    OK
  3. CHECK HARNESS AND CONNECTOR (NO. 1 METER ECU - TRIP SWITCH AND BODY GROUND)


    1. A01GK5NE01

      Disconnect the L10 meter connector.

    2. Disconnect the L45 switch connector.

    3. Measure the resistance according to the value(s) in the table below.

      Standard resistance
      Tester Connection Condition Specified Condition
      L10-4 (A/B) - L45-7 (A/B) Always Below 1 Ω
      L10-5 (RSET) - L45-5 (RSET)
      L45-6 (E) - Body ground
      L10-4 (A/B) or L45-7 (A/B) - Body ground Always 10 kΩ or higher
      L10-5 (RSET) or L45-5 (RSET) - Body ground

    NG
    OK