METER / GAUGE SYSTEM, Diagnostic DTC:B1500

DTC Code DTC Name
B1500 Fuel Sender Open Detected

DESCRIPTION

This DTC is output when the No. 1 meter ECU detects the fuel sender gauge malfunction via the CAN.

DTC Code DTC Detection Condition Trouble Area
B1500 When No. 1 meter ECU detects fuel sender gauge malfunction
  • Harness and connector

  • No. 1 meter ECU

  • Luggage room junction block (rear junction block ECU)

  • Fuel sender gauge (main)

  • Fuel sender gauge (sub)

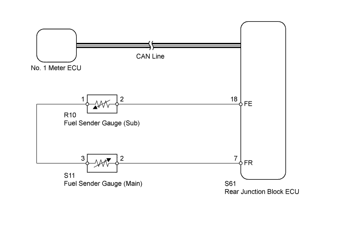
WIRING DIAGRAM

A01GN2RE01

INSPECTION PROCEDURE

PROCEDURE


  1. CHECK CAN COMMUNICATION SYSTEM


    1. Check for the DTC Click here.

      Result:
      Result Proceed to
      CAN communication system DTC is not output A
      CAN communication system (for LHD) DTC is output B
      CAN communication system (for RHD) DTC is output C

    B
    C
    A
  2. PERFORM ACTIVE TEST USING INTELLIGENT TESTER (FUEL RECEIVER GAUGE)


    1. Operate the intelligent tester according to the steps on the display and select "Active Test".

      Combination Meter:
      Tester Display Test Part Control Range
      Fuel Meter Operation Fuel receiver gauge EMPTY, 1/2 or FULL
      OK
      Needle indication is normal.

    NG
    OK
  3. READ VALUE USING INTELLIGENT TESTER (FUEL SENDER GAUGE)


    1. Operate the intelligent tester according to the display and select "Data List".

      Combination Meter:
      Tester Display Measurement Item/Range Normal Condition Diagnostic Note
      Fuel Input Fuel sender gauge (main) input signal/Min.: 0, Max.: 127.5 Fuel sender input value Unit: L
      OK
      Fuel value displayed on tester is almost the same as needle indication.

    NG
    OK
  4. INSPECT FUEL SENDER GAUGE ASSEMBLY (MAIN)

    A01GM0ZE01

    1. Remove the fuel sender gauge (main).

    2. Measure the resistance according to the value(s) in the table below.

      Standard resistance
      Tester Connection Condition Specified Condition
      1 (FE) - 2 (S) Float level is F (upper) 6.5 to 8.5 Ω
      Between float level is F (upper) and E (lower) 91.0 to 102.2 Ω
      Float level is E (lower) 184.8 to 188.8 Ω

    NG
    OK
  5. INSPECT FUEL SENDER GAUGE ASSEMBLY (SUB)

    A01GM1SE01

    1. Remove the fuel sender gauge (sub).

    2. Measure the resistance according to the value(s) in the table below.

      Standard resistance
      Tester Connection Condition Specified Condition
      1 (S) - 2 (E) Float level is F (upper) 6.5 to 8.5 Ω
      Between float level is F (upper) and E (lower) 112.7 to 125.7 Ω
      Float level is E (lower) 220.7 to 225.7 Ω

    NG
    OK
  6. CHECK HARNESS AND CONNECTOR (REAR JUNCTION BLOCK - FUEL SENDER GAUGE)

    A01GNX7E01

    1. Disconnect the S61 junction block connector.

    2. Disconnect the S11 and R10 gauge connectors.

    3. Measure the resistance according to the value(s) in the table below.

      Standard resistance
      Tester Connector Condition Specified Condition
      S61-7 (FR) - S11-2 Always Below 1 Ω
      S61-18 (FE) - R10-2
      S61-7 (FR) or S11-2 - Body ground Always 10 kΩ or higher
      S61-18 (FE) or R10-2 - Body ground

    NG
    OK
  7. CHECK HARNESS AND CONNECTOR (FUEL SENDER GAUGE (MAIN) - FUEL SENDER GAUGE (SUB))

    A01GLV0E01

    1. Disconnect the S11 and R10 gauge connectors.

    2. Measure the resistance according to the value(s) in the table below.

      Standard resistance
      Tester Connection Condition Specified Condition
      S11-3 - R10-1 Always Below 1 Ω
      S11-3 or R10-1 - Body ground Always 10 kΩ or higher

    NG
    OK
  8. REPLACE NO. 1 METER ECU


    1. Temporarily replace the No. 1 meter ECU with a new one.


    NEXT
  9. CHECK NO. 1 METER ECU (FUEL RECEIVER GAUGE)


    1. Check that the operation of the fuel sender gauge in the meter returns to normal Click here.

      OK
      Operation of the fuel sender gauge returns to normal.

    NG
    OK