REAR COMBINATION LIGHT ASSEMBLY INSPECTION


  1. INSPECT REAR COMBINATION LIGHT ASSEMBLY LH

    A01GNT8E01
    Text in Illustration
    *a

    Component without harness connected

    (Rear Combination Light Assembly LH)


    1. Apply battery voltage to the connector and check the light illumination condition.

      OK
      Condition Specified Condition

      Battery positive (+) → Terminal 2 (STP)

      Battery negative (-) → Terminal 1 (E)

      Illuminates

      Battery positive (+) → Terminal 3 (TL)

      Battery negative (-) → Terminal 1 (E)

      Illuminates

      If the result is not as specified, replace the rear combination light assembly LH.

  2. INSPECT REAR COMBINATION LIGHT ASSEMBLY RH

    A01GNT8E01
    Text in Illustration
    *a

    Component without harness connected

    (Rear Combination Light Assembly RH)


    1. Apply battery voltage to the connector and check the light illumination condition.

      OK
      Condition Specified Condition

      Battery positive (+) → Terminal 2 (STP)

      Battery negative (-) → Terminal 1 (E)

      Illuminates

      Battery positive (+) → Terminal 3 (TL)

      Battery negative (-) → Terminal 1 (E)

      Illuminates

      If the result is not as specified, replace the rear combination light assembly RH.

  3. INSPECT REAR LIGHT ASSEMBLY LH (w/o Rear Fog Light)

    A01GNT8E02
    Text in Illustration
    *a

    Component without harness connected

    (Rear Light Assembly LH)


    1. Apply battery voltage to the connector and check the light illumination condition.

      OK
      Condition Specified Condition

      Battery positive (+) → Terminal 2 (T/P)

      Battery negative (-) → Terminal 4 (E)

      Illuminates

      Battery positive (+) → Terminal 1 (B)

      Battery negative (-) → Terminal 4 (E)

      Illuminates

      Battery positive (+) → Terminal 3 (B)

      Battery negative (-) → Terminal 4 (E)

      Illuminates

      If the result is not as specified, replace the rear light assembly LH.

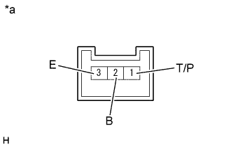
  4. INSPECT REAR LIGHT ASSEMBLY LH (w/ Rear Fog Light)

    A01GKMXE01
    Text in Illustration
    *a

    Component without harness connected

    (Rear Light Assembly LH)


    1. Apply battery voltage to the connector and check the light illumination condition.

      OK
      Condition Specified Condition

      Battery positive (+) → Terminal 1 (T/P)

      Battery negative (-) → Terminal 3 (E)

      Illuminates

      Battery positive (+) → Terminal 2 (B)

      Battery negative (-) → Terminal 3 (E)

      Illuminates

      If the result is not as specified, replace the rear light assembly LH.

  5. INSPECT REAR LIGHT ASSEMBLY RH (w/o Rear Fog Light)

    A01GNT8E02
    Text in Illustration
    *a

    Component without harness connected

    (Rear Light Assembly RH)


    1. Apply battery voltage to the connector and check the light illumination condition.

      OK
      Condition Specified Condition

      Battery positive (+) → Terminal 2 (T/P)

      Battery negative (-) → Terminal 4 (E)

      Illuminates

      Battery positive (+) → Terminal 1 (B)

      Battery negative (-) → Terminal 4 (E)

      Illuminates

      Battery positive (+) → Terminal 3 (B)

      Battery negative (-) → Terminal 4 (E)

      Illuminates

      If the result is not as specified, replace the rear light assembly RH.

  6. INSPECT REAR LIGHT ASSEMBLY RH (w/ Rear Fog Light)

    A01GKMXE01
    Text in Illustration
    *a

    Component without harness connected

    (Rear Light Assembly RH)


    1. Apply battery voltage to the connector and check the light illumination condition.

      OK
      Condition Specified Condition

      Battery positive (+) → Terminal 1 (T/P)

      Battery negative (-) → Terminal 3 (E)

      Illuminates

      Battery positive (+) → Terminal 2 (B)

      Battery negative (-) → Terminal 3 (E)

      Illuminates

      If the result is not as specified, replace the rear light assembly RH.