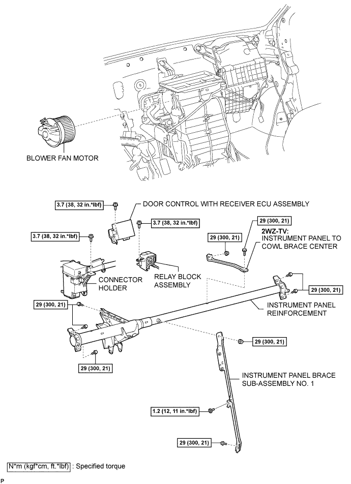
BLOWER MOTOR COMPONENTS

ILLUSTRATION

A0135ZME01

ILLUSTRATION

A01384ZE01

ILLUSTRATION

A0138MCE01

ILLUSTRATION

A0138GME01

ILLUSTRATION

A013880E01

ILLUSTRATION

A0138R8E01

ILLUSTRATION

A0137XQE01

ILLUSTRATION

A01387FE01