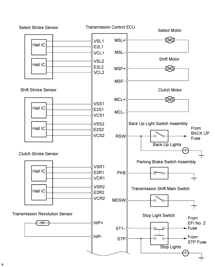
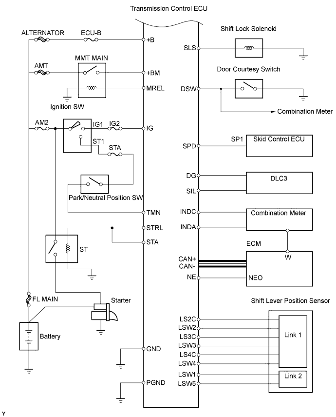
MULTI-MODE MANUAL TRANSAXLE SYSTEM SYSTEM DIAGRAM

A0136DIE01
A0137BVE01