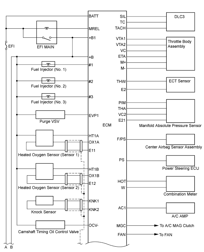
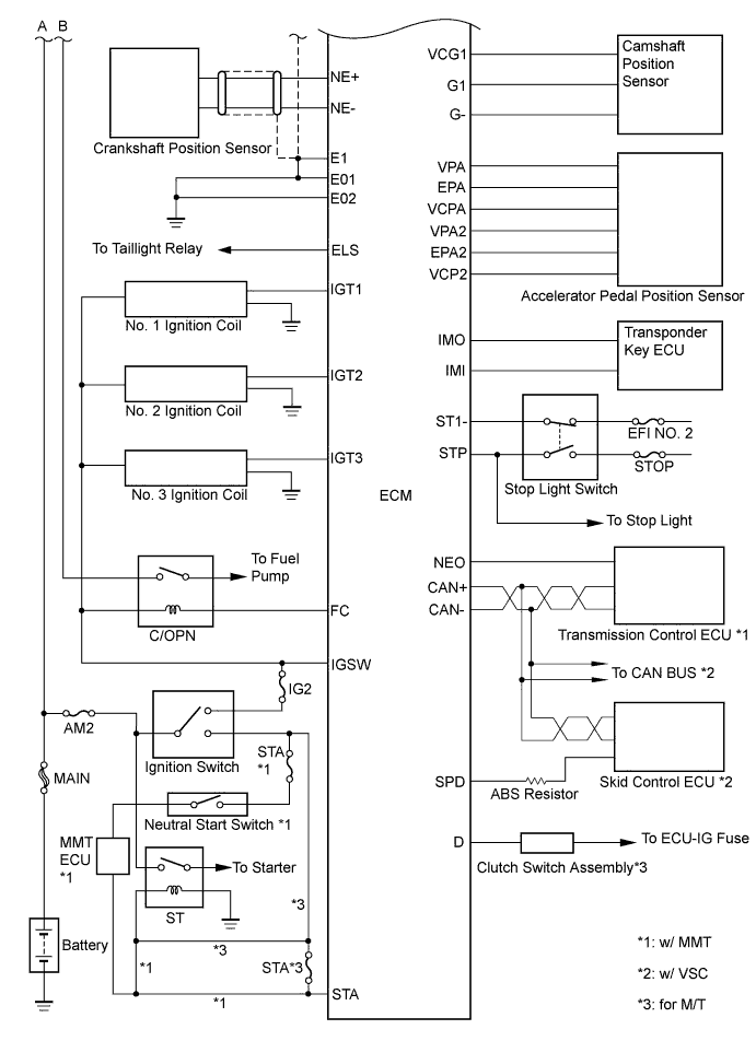
SFI SYSTEM (w/ Electronic Throttle Control System) SYSTEM DIAGRAM

A0136L0E01
A0138FGE01