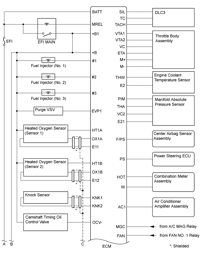
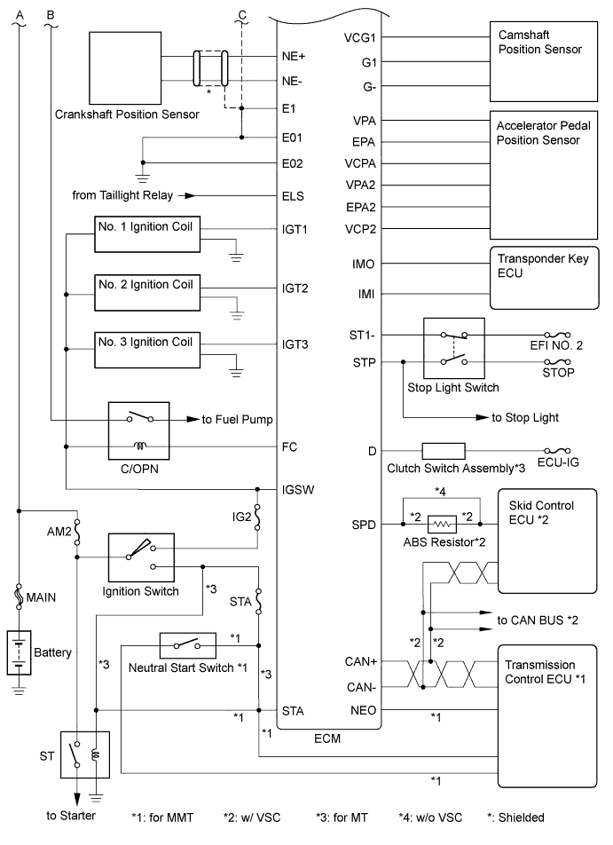
SFI SYSTEM (w/ Electronic Throttle Control System) SYSTEM DIAGRAM

A0137WIE01
A01380ZE01