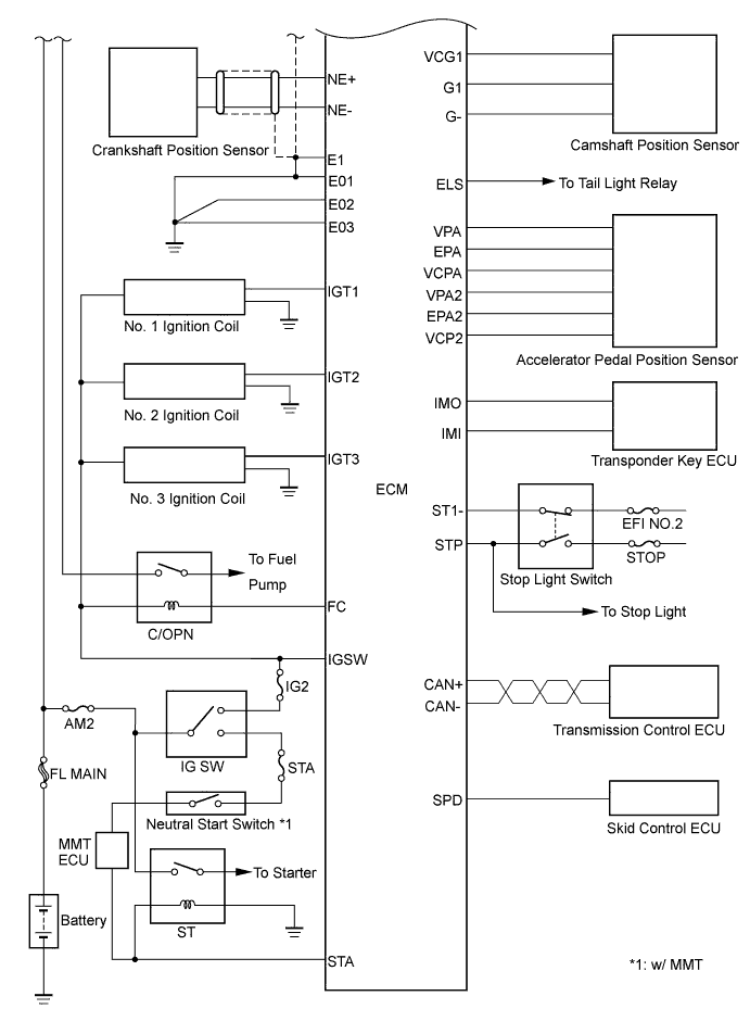
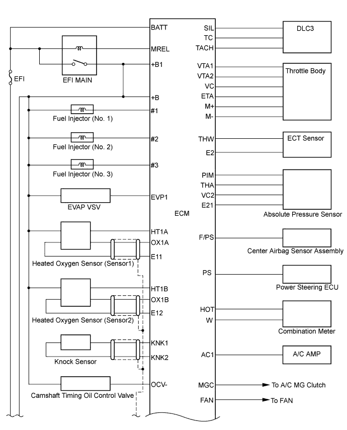
SFI SYSTEM (w/ Electronic Throttle Control System) SYSTEM DIAGRAM

A01376BE01
A0138VGE01