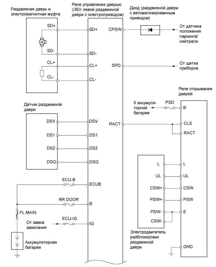
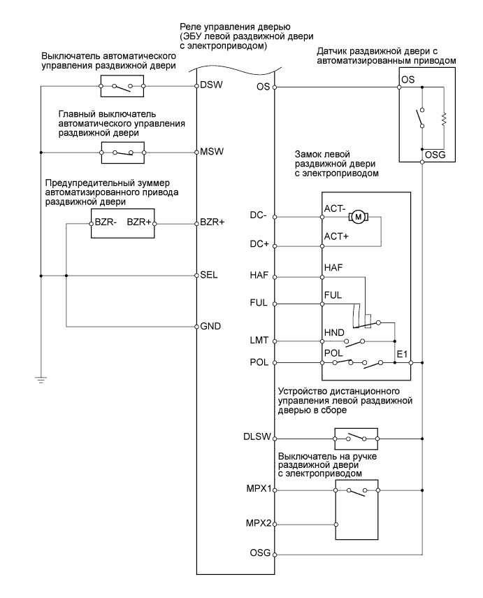
РАЗДВИЖНАЯ ДВЕРЬ С АВТОМАТИЗИРОВАННЫМ ПРИВОДОМ СХЕМА СИСТЕМЫ

A01BDMDE01
A01BHEQE01