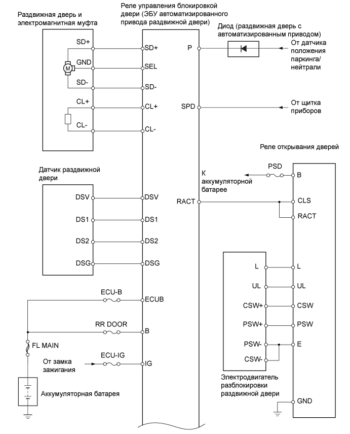
РАЗДВИЖНАЯ ДВЕРЬ С АВТОМАТИЗИРОВАННЫМ ПРИВОДОМ СХЕМА СИСТЕМЫ

A01BHQNE01
A01BHDXE01