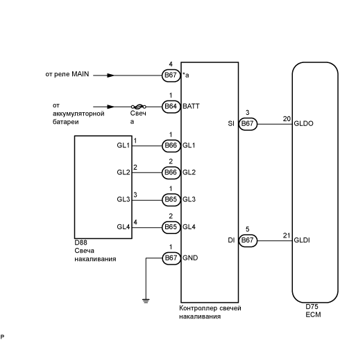
СИСТЕМА ПРЕДПУСКОВОГО ПОДОГРЕВА (для моделей с DPF) СХЕМА СИСТЕМЫ

A01BH8GE01