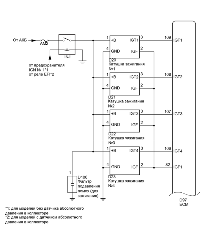
СИСТЕМА ЗАЖИГАНИЯ СХЕМА СИСТЕМЫ

A01BARME03
A01BEAWE01