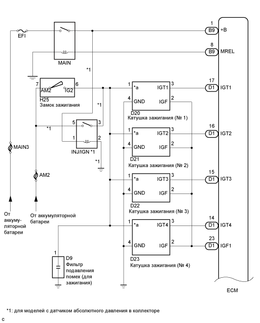
СИСТЕМА ЗАЖИГАНИЯ СХЕМА СИСТЕМЫ

A01BDM0E01
A01BAB0E01