СИСТЕМА SFI, Diagnostic DTC:P0327, P0328

DTC Code DTC Name
P0327 Knock Sensor 1 Circuit Low Input (Bank 1 or Single Sensor)
P0328 Knock Sensor 1 Circuit High Input (Bank 1 or Single Sensor)

DESCRIPTION

A flat-type knock sensor (non-resonant type) has a structure that can detect vibrations between approximately 5 kHz and 15 kHz.

Knock sensors are fitted onto the engine block to detect engine knocking.

Each knock sensor contains a piezoelectric element which generates a voltage when it becomes deformed.

The voltage is generated when the engine block vibrates due to knocking. Any occurrence of engine knocking can be suppressed by delaying the ignition timing.

DTC No. DTC Detection Condition Trouble Area
P0327 Output voltage of the knock sensor (for Bank 1 Sensor 1) is 0.5 V or less (1 trip detection logic).
  • Short in knock sensor circuit


  • Knock sensor


  • ECM

P0328 Output voltage of the knock sensor (for Bank 1 Sensor 1) is 4.5 V or higher (1 trip detection logic).
  • Open in knock sensor circuit


  • Knock sensor


  • ECM

Tech Tips

When DTC P0327 or P0328 is stored, the ECM enters fail-safe mode. During fail-safe mode, the ignition timing is delayed to its maximum retardation. The ECM continues operating in fail-safe mode until the ignition switch is turned off.

Reference: Inspection using an oscilloscope

A01BFWWE01
Tester Connection Tool Setting Condition Specified Condition
D1-29 (KNK1) - D1-30 (EKNK)

0.01 to 10 V/DIV.

0.01 to 10 msec./DIV.

Engine speed at 4000 rpm with warm engine The correct waveform is as shown

MONITOR DESCRIPTION

The ECM also senses background engine noise with the knock sensor and uses this noise to check for faults in the sensor. If the knock sensor output voltage is outside the normal range, the ECM interprets this as a fault in the knock sensor and stores a DTC.

MONITOR STRATEGY

Frequency of Operation Continuous

CONFIRMATION DRIVING PATTERN


  1. Connect the intelligent tester to the DLC3.

  2. Turn the ignition switch to ON and turn the intelligent tester on.

  3. Clear the DTCs (even if no DTCs are stored, perform the clear DTC operation).

  4. Turn the ignition switch off and wait for at least 30 seconds.

  5. Turn the ignition switch to ON and turn the intelligent tester on.

  6. Start the engine and wait 5 minutes.

  7. Enter the following menus: Powertrain / Engine and ECT / DTC.

  8. Read the pending DTCs.

    Tech Tips


    • If a pending DTC is output, the system is malfunctioning.

    • If a pending DTC is not output, perform the following procedure.

  9. Enter the following menus: Powertrain / Engine and ECT / Utility / All Readiness.

  10. Input the DTC: P0327 or P0328.

  11. Check the DTC judgment result.

    Intelligent Tester Display Description
    NORMAL
    • DTC judgment completed

    • System normal

    ABNORMAL
    • DTC judgment completed

    • System abnormal

    INCOMPLETE
    • DTC judgment not completed

    • Perform driving pattern after confirming DTC enabling conditions

    N/A
    • Unable to perform DTC judgment

    • Number of DTCs which do not fulfill DTC preconditions has reached ECU memory limit

    Tech Tips


    • If the judgment result shows NORMAL, the system is normal.

    • If the judgment result shows ABNORMAL, the system has a malfunction.

    • If the judgment result shows INCOMPLETE or N/A, idle the engine for 5 minutes and check the DTC judgment result again.

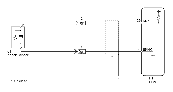
WIRING DIAGRAM

A01BG0UE04

INSPECTION PROCEDURE

Tech Tips

Read freeze frame data using the intelligent tester. Freeze frame data records the engine condition when malfunctions are detected. When troubleshooting, freeze frame data can help determine if the vehicle was moving or stationary, if the engine was warmed up or not, if the air-fuel ratio was lean or rich, and other data from the time the malfunction occurred.

PROCEDURE


  1. INSPECT KNOCK SENSOR

    A01BFENE05
    Text in Illustration
    *a

    Front view of wire harness connector

    (to ECM)


    1. Disconnect the ECM connector.

    2. Measure the resistance according to the value(s) in the table below.

      Standard Resistance
      Tester Connection Condition Specified Condition
      D1-29 (KNK1) - D1-30 (EKNK) 20°C (68°F) 120 to 280 kΩ

    NG
    OK
  2. INSPECT ECM

    A01BCBPE53
    Text in Illustration
    *1 Female
    *a

    Front view of wire harness connector

    (to ECM Wire)


    1. Disconnect the Dg1 connector.

    2. Turn the ignition switch to ON.

    3. Measure the voltage according to the value(s) in the table below.

      Standard Voltage
      Tester Connection Switch Condition Specified Condition
      Dg1 female connector 1 - 2 Ignition switch ON 4.5 to 5.5 V

    NG
    OK
  3. CHECK HARNESS AND CONNECTOR (ECM - KNOCK SENSOR)


    1. Disconnect the ECM connector.

    2. Disconnect the knock sensor connector.

    3. Measure the resistance according to the value(s) in the table below.

      Standard Resistance
      Tester Connection Condition Specified Condition
      g1-2 - D1-29 (KNK1) Always Below 1 Ω
      g1-1 - D1-30 (EKNK) Always Below 1 Ω
      g1-2 or D1-29 (KNK1) - Body ground Always 10 kΩ or higher
      g1-1 or D1-30 (EKNK) - Body ground Always 10 kΩ or higher

    NG
    OK