СИСТЕМА ИММОБИЛАЙЗЕРА ДВИГАТЕЛЯ, Diagnostic DTC:B2799/99

Код DTC Наименование DTC
B2799/99 Неисправность системы иммобилайзера двигателя

ОПИСАНИЕ

Этот DTC выдается при выполнении одного из следующих условий: 1) ECM определяет ошибку связи с ЭБУ электронного ключа зажигания; 2) ECM определяет ошибку линий связи; 3) идентификационные коды обмена данными с ЭБУ между ЭБУ электронного ключа зажигания и ECM при попытке запуска двигателя оказались различными. Прежде чем приступить к поиску неисправности, вызвавшей появление этого DTC, убедитесь в отсутствии DTC ЭБУ электронного ключа зажигания. В противном случае сначала найдите и устраните неисправность, связанную с DTC ЭБУ электронного ключа зажигания.

№ DTC Условие обнаружения DTC Неисправный участок
B2799/99

Выполняется одно из следующих условий:


  • Ошибка связи между ECM и ЭБУ электронного ключа зажигания

  • Ошибка линий связи

  • В процессе связи с ЭБУ электронного ключа зажигания обнаружено несоответствие идентификатора связи


  • ECM

  • ЭБУ электронного ключа зажигания

  • Жгут проводов

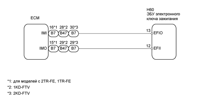
СХЕМА ЭЛЕКТРИЧЕСКИХ СОЕДИНЕНИЙ

A01BCWCE02

ПОСЛЕДОВАТЕЛЬНОСТЬ ПРОВЕРКИ

ПОРЯДОК ВЫПОЛНЕНИЯ


  1. УДАЛИТЕ DTC


    1. Сбросьте коды DTC.


    ДАЛЕЕ
  2. ПРОВЕРЬТЕ DTC


    1. Проверьте наличие кодов DTC.

      OK
      DTC B2799/99 не выводится.

    NG
    OK
  3. ЗАРЕГИСТРИРУЙТЕ ИДЕНТИФИКАТОР ПЕРЕДАЧИ ДАННЫХ ЭБУ


    1. Зарегистрируйте идентификатор передачи данных ЭБУ.


    ДАЛЕЕ
  4. УДАЛИТЕ DTC


    1. Сбросьте коды DTC.


    ДАЛЕЕ
  5. ПРОВЕРЬТЕ DTC


    1. Проверьте наличие кодов DTC.

      OK
      DTC B2799/99 не выводится.

    NG
    OK
  6. ПРОВЕРЬТЕ ПОДСОЕДИНЕНИЕ РАЗЪЕМОВ


    1. Поверните замок зажигания в положение OFF (ВЫКЛ).

    2. Проверьте правильность подключения разъемов к ECM и ЭБУ электронного ключа зажигания.

      OK
      Разъемы подсоединены должным образом.

    NG
    OK
  7. ПРОВЕРЬТЕ ЖГУТ ПРОВОДОВ И РАЗЪЕМ (ЭБУ ЭЛЕКТРОННОГО КЛЮЧА ЗАЖИГАНИЯ – ECM)


    1. A01BEY6E03

      Отсоедините разъем H60 ЭБУ электронного ключа зажигания.

    2. Отсоедините разъем B7*1 или B47*2 ECM.


      • *1: 2TR-FE, 1TR-FE, 2KD-FTV

      • *2: Для моделей с 1KD-FTV

    3. Измерьте сопротивление разъемов со стороны жгута проводов.

      Номинальное сопротивление (проверьте на обрыв)
      для моделей с 2TR-FE, 1TR-FE
      Контакты для подключения диагностического прибора Заданные условия
      H60-13 (EFIO) - B7-16 (IMI) Менее 1 Ом
      H60-12 (EFII) - B7-15 (IMO)
      Для моделей с 2KD-FTV
      Контакты для подключения диагностического прибора Заданные условия
      H60-13 (EFIO) - B7-30 (IMI) Менее 1 Ом
      H60-12 (EFII) - B7-29 (IMO)
      Для моделей с 1KD-FTV
      Контакты для подключения диагностического прибора Заданные условия
      H60-13 (EFIO) - B47-28 (IMI) Менее 1 Ом
      H60-12 (EFII) - B47-29 (IMO)
      Номинальное сопротивление (при проверке на короткое замыкание)
      для моделей с 2TR-FE, 1TR-FE
      Контакты для подключения диагностического прибора Заданные условия
      H60-13 (EFIO) или B7-16 (IMI) - масса 10 кОм или более
      H60-12 (EFII) или B7-15 (IMO) - масса
      Для моделей с 2KD-FTV
      Контакты для подключения диагностического прибора Заданные условия
      H60-13 (EFIO) или B7-30 (IMI) - масса 10 кОм или более
      H60-12 (EFII) или B7-29 (IMO) - масса
      Для моделей с 1KD-FTV
      Контакты для подключения диагностического прибора Заданные условия
      H60-13 (EFIO) или B47-28 (IMI) - масса 10 кОм или более
      H60-12 (EFII) или B47-29 (IMO) - масса
    4. Подсоедините разъем ECM.

    5. Подсоедините разъем ЭБУ электронного ключа зажигания.


    NG
    OK
  8. ЗАМЕНИТЕ ECM


    1. Временно замените ECM новым.


    ДАЛЕЕ
  9. ЗАРЕГИСТРИРУЙТЕ ИДЕНТИФИКАТОР ПЕРЕДАЧИ ДАННЫХ ЭБУ


    1. Зарегистрируйте идентификатор передачи данных ЭБУ.


    ДАЛЕЕ
  10. УДАЛИТЕ DTC


    1. Сбросьте коды DTC.


    ДАЛЕЕ
  11. ПРОВЕРЬТЕ DTC


    1. Проверьте наличие кодов DTC.

      OK
      DTC B2799/99 не выводится.

    NG
    OK